
Электроприводы Belimo | Приводы Belimo | Сервоприводы Belimo
127106, Россия, г.Москва, Нововладыкинский пр., д.8, стр.4, офис 100.
Тел.: 8 (800) 201-64-80 Еmail: belimo@rusmark.ru
Электропривод Belimo NM24A-MOD используется в системах обработки воздуха в зданиях и сооружениях строительного назначения, осуществляя регулирование работы воздушных заслонок.
| Электричество | |
|---|---|
| Uном | 24 В (АС/DC), 50/60 Гц |
| Диапазон Uном | 19,2 – 28,8 В (AC) / 21,6 -28,8 В (DC) |
| Потребляемые N |
6 ВА – в процессе калибровки (расчетный параметр) 3,5 Вт – при работе 1,4 Вт – вне работы |
| Присоединение к источнику питания | С помощью кабеля, 100 см, 6 х 0,75 мм2 |
| Функциональность | |
| Момент силы двигателя (миним.) | 10 Нм, снижается на 25 - 75% |
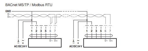
| Коммуникация | MP-Bus сети, BACnet MS/TP, Modbus RTU |
| Интервал работы (Y) |
2 – 10 В (заводские настройки) / 0,5 – 10 В (индивидуальные настройки) |
| Сигнал обратной связи (U) | 2 – 10 В, Imax = 1 мА (заводские настройки) / 0,5 - 8 В на старте, 2 – 10 В на финише (индивидуальные настройки) |
| Погрешность управления | Отклонение +/- 5% |
| Направление движения привода | Задается 0/1 установкой При Y = 0%: 0 - против часовой стрелки, 1 – по часовой стрелке |
| Режим ручного управления | Да, посредством нажатия кнопки, фиксируется |
| Поворот привода | Угол ≤ 95°. Настраивается концевыми механическими упорами |
| Время работы | 150 с, для 90° (индивидуальные настройки от 43 – 173 с) |
| Адаптация хода | Ручная (автоматическая адаптация при вводе в эксплуатацию / выходе из режима ручного управления) |
| Шум двигателя в работе | ≤ 35 дБ |
| Индикатор позиции | Съемный указатель (механич) |
| Надежность эксплуатации | |
| Класс защиты от тока | 3-й – экстра-низкие U |
| Протокол защиты корпуса | IP54 |
| ЭМС | Согл. директиве 2014/30/EU |
| Uном импульса | 0,8 кВ |
| Степень защиты окруж. среды | 3 |
| t внешней среды | –30°C … +50°C |
| t при хранении привода | –40°C … +80°C |
| Влажность воздуха отн. | 95%, не конденсируется |
| Сервис | Не предусмотрен |
| Масса | 0,92 кг |
Принцип функционирования
В электропривод Belimo NM24A-MOD интегрирован коммуникационный интерфейс по сетям MP-Bus, BACnet MS/TP, а также Modbus RTU. Привод перемещается в необходимое положение за счет цифрового сигнала от управляющей системы.
Преобразование аналоговых сигналов
Предусмотрена возможность подключения датчиков (активные/пассивные/переключающие контакты) к Belimo NM24A-MOD. Датчики преобразуют аналоговый сигнал в цифровой, после чего он передается на шины систем MP-Bus, Modbus или BACnet.
Индивидуальные настройки параметров
Belimo NM24A-MOD поставляется с базовыми настройками, соответствующими наиболее частым эксплуатационным ситуациям. Для индивидуальной настройки отдельных параметров (времени работы, угла поворота, интервала аналогового сигнала и др.) используйте устройства Belimo MFT-P и ZTH EU.
Параметры связи шинных систем устанавливаются с помощью настройщика ZTH EU. При подаче напряжения на привод и нажатии на кнопку «Address» параметры связи сбрасываются до заводских настроек.
Быстрая адресация: адрес BACnet и Modbus можно установить в диапазоне от 1 до 16, используя кнопки на приводе. Выбранное значение добавляется к «Базовому адресу».
Гибридный режим (аналоговый сигнал + обратная связь по BACnet/Modbus)
Если в качестве управляющего выступает аналоговый сигнал, то BACnet или Modbus показывают текущую позицию привода Belimo NM24A-MOD (сигнал U).
Монтаж
Электропривод Belimo NM24A-MOD монтируется на заслонку за счет универсального захвата. Чтобы избежать поворота устройства во время работы, в комплекте поставляется фиксатор, который закрепляет привод.
Ручное управление
Приводом Belimo NM24A-MOD можно управлять вручную, нажав кнопку на корпусе, которая выведет редуктор из зацепленного состояния. Пока кнопка нажата/заблокирована, привод отсоединен.
Защита от перегрузки
Высокая степень защиты от перегрузки привода Belimo NM24A-MOD обеспечивается за счет автоматического отключения после прохождения финальных позиций.
Синхронизация и адаптация привода
При подаче напряжения на привод Belimo NM24A-MOD в первый раз (ввод в эксплуатацию/выход из ручного управления), привод синхронизируется и переходит в базовое положение. После этого положение привода определяется управляющим сигналом.
Адаптация хода привода вызывается вручную нажатием на корпусе кнопки «Adaption», либо с помощью программного обеспечения PC-Tool.
Для заказа электропривода Belimo NM24A-MOD, а также уточнения всей интересующей информации Вы можете звонить по телефону 8 (499) 201-22-47.
Оптовые цены и предоставление скидок обсуждается индивидуально.
Гарантия на электропривод Belimo NM24A-MOD – 5 лет. Паспорт и сертификат соответствия прилагаются.




Скачать PDF (261 Кбайт)
Сертификат BELIMO (775 Кбайт)