
Электроприводы Belimo | Приводы Belimo | Сервоприводы Belimo
127106, Россия, г.Москва, Нововладыкинский пр., д.8, стр.4, офис 100.
Тел.: 8 (800) 201-64-80 Еmail: belimo@rusmark.ru
Привод для установки на шаровой кран, IP54.
Поворотный электропривод БЕЛИМО SR24A-S для шаровых кранов.
| Номинальное напряжение | 24 В ~ 50/60 Гц 24 В= |
| Диапазон номинального напряжения | 19,2…28,8 В ~/= |
| Расчетная мощность | 4 ВА |
| Вспомогательный переключатель | 1 однополюсный, 1 мА… 3(0,5)А, 250 В~ (настраивается 0…100 %) (для SR24A-S) |
| Потребляемая мощность: - во время вращения - в состоянии покоя |
2.0 Вт 0.2 Вт |
| Соединение: - питание - вспомогательный переключатель |
Кабель: 1 м, 3 х 0,75 мм2 1 м, 3 х 0,75 мм2 (для SR24A-S) |
| Параллельное соединение | Возможно с учетом мощностей |
| Крутящий момент (номинальный) | Мин. 20 Нм при номинальном напряжении |
| Ручное управление | Редуктор выводится из зацепления при помощи кнопки с самовозвратом, ручная блокировка |
| Время поворота | 90 с / 95° |
| Уровень шума | Макс. 45 дБ (без клапана) |
| Индикация положения | Механический указатель, съемный |
| Класс защиты | III для низких напряжений |
| Электромагнитная совместимость | Соответствует 89/336/ЕЕС |
| Степень защиты корпуса | IP54 в любом положении установки |
| Температура окружающей среды | 0…+50° С |
| Температура переносимой среды | +5…+120° С (шаровой кран) –10° С с подогревом штока по запросу |
| Температура хранения | –40…+80° С |
| Влажность окружающей среды | 95% отн., не конденсир.(по EN 60730-1) |
| Техническое обслуживание | Не требуется |
| Вес | ≈ 1000 г |
Управление
По 2-проводной или 1-проводной схеме.
Простая установка
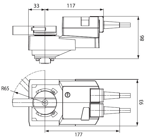
Поворотный электропривод BELIMO SR24A-S простая установка на шаровой кран при помощи одного винта. Положение установки по отношению к шаровому крану может выбираться с шагом 90 °.
Ручное управление
Привод для клапанов BELIMO SR24A-S возможно ручное управление при помощи кнопки с самовозвратом (при нажатой кнопке редуктор выводится из зацепления).
Настраиваемый угол поворота
Угол поворота поворотный электропривод БЕЛИМО SR24A-S настраивается при помощи механических упоров.
Высокая функциональная надежность
Belimo SR24A-S поворотный привод Белимо защищен от перегрузки, не требует конечных выключателей и останавливается автоматически при достижении конечных положений.
Гибкая система сигнализации
Электроприводы SR24A-S оснащены одним настраиваемым 0…100% переключателем.
Купить привод БЕЛИМО SR24A-S а также запросить его цену и стоимость вы можете позвонив по телефону: 8 (499) 201-22-47.
Скидки и оптовые цены на электропривод БЕЛИМО SR24A-S мы обсуждаем индивидуально.
На поворотный привод клапана BELIMO SR24A-S распространяется 5 лет гарантии с момента продажи, а также сертификат соответствия и паспорт изделия.


Скачать PDF (248 Кбайт)
Сертификат BELIMO (775 Кбайт)
Купить Привод BELIMO SR24A-S цена которых снижена благодаря системе персональных скидок, Вы можете в компании ООО «МAРK» Если у Вас есть вопросы, связанные с Привод BELIMO SR24A-S, обращайтесь к нашим специалистам по телефону, сотрудники компании ООО «MAPK» детально проконсультируют Вас, чтобы подобрать нужное Вам оборудование по самым выгодным условиям и срокам. Компания ООО «МАPК» занимается продажей оборудования BELIMO, в том числе и Привод BELIMO SR24A-S, постоянно поддерживая в актуальном наличии на собственном складе самые востребованные позиции.