
Электроприводы Belimo | Приводы Belimo | Сервоприводы Belimo
127106, Россия, г.Москва, Нововладыкинский пр., д.8, стр.4, офис 100.
Тел.: 8 (800) 201-64-80 Еmail: belimo@rusmark.ru
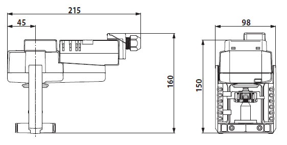
Привод для установки на седельный клапан, IP54.
Поворотный электропривод БЕЛИМО NVC24A-SR-TPC для седельных клапанов.
| Номинальное напряжение | 24 В ~, 50/60 Гц ; 24 В= |
| Диапазон номинального напряжения | 19,2…28,8 В ~ / 21,6…28,8 В= |
| Расчетная мощность | 5,5 ВА |
| Потребляемая мощность: — во время вращения — в состоянии покоя |
3,5 Вт 1,5 Вт |
| Соединение Контакты | 4 мм² и кабель: 1 м , 4 × 0,75 мм ² |
| Параллельное подключение | Возможно |
| Функциональные данные | |
|---|---|
| Действующее усилие | 1000 Н |
| Управляющий сигнал | Y 0…10 В= (при вход. сопротивлении 100 кОм) |
| Рабочий диапазон | 2…10 В= |
| Сигнал обратной связи | U 2…10 В= при макс 0,5мА |
| Точность позиционирования | ± 5% |
| Ручное управление | Вывод из зацепления зубчатого редуктора с помощью кнопки, возможно постоянное |
| Ход штока | 20 мм |
| Время срабатывания | 35 с / 20 мм |
| Уровень шума | 60 дБ (А) |
| Индикация положения | Механический указатель 5…20 мм штока |
| Безопасность | |
| Класс защиты | III (для низких напряжений) |
| Электромагнитная совместимость | СЕ в соответствии с 2004/108/ЕС |
| Степень защиты корпуса | P54 |
| Номинальный импульс напряжения | 0,8 кВ |
| Температура окружающей среды | 0…+50° С |
| Температура хранения | –40…+80° С |
| Влажность окружающей среды | 95% отн., не конденсир. |
| Техническое обслуживание | Не требуется |
| Вес | 1,340 кг |
Принцип действия
Электропривод NVC24A-SR-TPC управляется стандартным сигналом 0…10 В= и перемещает шток до положения, продиктованного сигналом. Измеряемое напряжение U отображает электрическим способом текущее положение поворотный электропривод BELIMO NVC24A-SR-TPC, а также может служить управляющим сигналом для других приводов.
Прямая установка
Простая прямая установка с помощью зажимных губок Простая прямая установка привод для клапанов BELIMO NVC24A-SR-TPC с помощью зажимных губок специальной формы. Привод может поворачиваться на шейке седельного клапана на 360°.
Ручное управление
Возможно ручное управление поворотный электропривод БЕЛИМО NVC24A-SR-TPC с помощью кнопки на корпусе привода — временное или постоянное. Механический редуктор выводится из зацепления пока кнопка нажата — привод отсоединен. Ход штока можно регулировать с помощью шестигранного ключа 4 мм, который вставляется в верхнюю часть привода. Ход штока увеличивается, когда ключ вращается по часовой стрелке.
Высокая функциональная надежность
Belimo NVC24A-SR-TPC поворотный привод Белимо защищен от перегрузки, не требует концевых выключателей и автоматически останавливается по достижению конечных положений. Комбинация электропривод/клапан Подходящие клапаны можно определить из технических характеристик клапанов, обязательно принимая во внимание разрешенную температуру среды и запирающее давление.
Индикация положения
Ход штока определяется механически на кронштейне со специальными накладками. Диапазон хода настраивается автоматически во время работы.
Установленное положение
Заводская настройка: шток электропривода втянут. В случае поставки клапана с установленным на него привод Belimo NVC24A-SR-TPC поворотный привод Belimo — направление движения устанавливается в соответствии с точкой запирания клапана.
Переключатель направления движения
При пуске переключатель направления хода штока переключает направление хода в нормальный режим.
Адаптация хода штока
В момент первого подключения электропитания NVC24A-SR-TPC привод запускает процесс адаптации — т. е. приведения управляющего сигнала и сигнала обратной связи в соответствии с величиной хода штока. Ручная инициация адаптации производится нажатием кнопки «Adaption» на корпусе привода. После этого привод перемещает шток в положение согласно управляющему сигналу.
Купить привод БЕЛИМО NVC24A-SR-TPC а также запросить его цену и стоимость вы можете позвонив по телефону: 8 (499) 201-22-47.
Скидки и оптовые цены на электропривод БЕЛИМО NVC24A-SR-TPC мы обсуждаем индивидуально.
На поворотный привод клапана BELIMO NVC24A-SR-TPC распространяется 5 лет гарантии с момента продажи, а также сертификат соответствия и паспорт изделия.


Скачать PDF (135 Кбайт)
Сертификат BELIMO (775 Кбайт)