
Электроприводы Belimo | Приводы Belimo | Сервоприводы Belimo
127106, Россия, г.Москва, Нововладыкинский пр., д.8, стр.4, офис 100.
Тел.: 8 (800) 201-64-80 Еmail: belimo@rusmark.ru
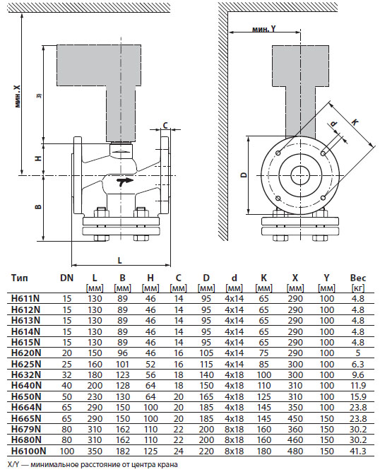
2-ходовые седельные клапаны фланцевые.
2-ходовый фланцевый седельный клапан PN 16 H650N.
| Functional data | |
|---|---|
| Среда | Холодная и теплая вода,Вода с содержанием гликоля не более 50% |
| Температура среды | (–10 °С) +5 °С...+120 °С (–10 °С под заказ) |
| Номинальное давление ps | 1600 Кпа (PN 16) |
| Характеристика потока | Регулирующий канал А-АВ: равнопроцентная VDI/VDE2173 n(ер)=3, оптимизирована в диапазоне открытия |
| Sv | DN 15 Sv>50 DN 20...50 Sv>100 |
| Величина протечки | Регулирующий канал А-АВ: макс. 0,05% от величины Kvs |
| Соединение с трубой | Фланцы ISO 7005-2 (PN 16) |
| Дифференциальное давление Δpмакс | . 400 кПа (для больших диаметров: Δps ‹ Δpмакс.) |
| Точка запирания клапан | а Вверху (положение Up) |
| Положение установк | От вертикального до горизонтального |
| Тех.обслуживание | Не требуется |
| Материалы Тело клапана Конус клапана Седло клапана Шток клапана Уплотнение штока |
Чугун GG25 Латунь Чугун GG25 Нержавеющая сталь О-образное кольцо EPDM |
Принцип действия
Cедельный клапан Belimo H650N управляется с помощью электроприводов. Данные электроприводы управляются стандартным сигналом 0… 10 В= или по 3-позиционной схеме и передвигают конус H650N седельный клапан Белимо с — регулирующее устройство — в открытое положение согласно управляющему сигналу.
Характеристика потока
Равно-процентная характеристика потока обеспечивается конструкцией конуса клапан BELIMO H650N.
Ручное управление
Приведение в движение штока H650N клапан BELIMO ручным способом осуществляется с помощью шестигранного ключа через привод.
Регулирующий клапан Белимо H650N а также запросить его цену и стоимость вы можете позвонив по телефону: 8 (499) 201-22-47.
Скидки и оптовые цены на регулирующий шаровой кран Белимо H650N мы обсуждаем индивидуально.
На Кран Белимо H650N распространяется 5 лет гарантии с момента продажи, а также сертификат соответствия и паспорт изделия.

Скачать PDF (200 Кбайт)
Сертификат BELIMO (775 Кбайт)