
Электроприводы Belimo | Приводы Belimo | Сервоприводы Belimo
127106, Россия, г.Москва, Нововладыкинский пр., д.8, стр.4, офис 100.
Тел.: 8 (800) 201-64-80 Еmail: belimo@rusmark.ru
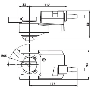
Электропривод Belimo SR24A-SR применяется для регулирования работы двух- и трехходовых кранов шарового типа. IP54.
| Uном; частота тока | 24 В; 50/60 Гц |
| Диапазон Uном | От 19,2 до 28,8 В |
| Расчетное значение N | 4 ВА |
| Потребление N | При работе: 2 Вт В покое: 0,4 Вт |
| Присоединение к источнику питания | Кабельное: длина - 100 см , 3 х 0,75 мм2 |
| Одновременное присоединение | Предусмотрено, нужно учитывать мощности |
| Момент силы (при Uном) | 5 Нм (минимальное значение) |
| Управление вручную | Возможно. Для активации нажать самовозвратную кнопку |
| Период срабатывания (при угле 90°) | 1,5 мин |
| Допустимый уровень шума | Не более 35 дБ |
| Индикатор позиции | Указатель механический (снимается) |
| Защита от тока | Низкие значения U - III класс защиты |
| ЭМС | Директива 89/336/ЕЕС |
| Защита корпуса | IP54, независимо от положения привода |
| t внешней среды | От 0°С до +50°С |
| t рабочей среды | От +5°С до +120°С (возможна эксплуатация при –10°С с подогревом штока – запрашивается индивидуально) |
| t хранения | От –40°С до +80°С |
| Влажность воздуха относит. | 95%, без конденсации |
| Поддержка тех. службы | Не нужна |
| Масса | Около 1 кг |
Процесс установки
Установка электропривода Belimo SR24A-SR на шаровой кран происходит с помощью винта, который интегрирован в съемный указатель позиций. Возможны 2 варианта установки относительно штока крана – вертикально либо горизонтально (шаг составляет 90°).
Управление
Управление электроприводом Belimo SR24A-SR осуществляется через стандартный аналоговый сигнал от 0 до 10 В. Возможно также управление вручную. Для этого на корпусе размещена кнопка с опцией самовозврата, которая в нажатом состоянии выводит из зацепления редуктор.
Настройка угла вращения привода
Для настройки угла вращения электропривода Belimo SR24A-SR с обеих сторон размещены механические упоры.
Надежность функционирования
Благодаря опции автоматической остановки электропривода Belimo SR24A-SR после прохождения финальных позиций обеспечивается надежная защита от перегрузок и стабильность функционирования.
Сигнал обратной связи
В конструкции электропривода Belimo SR24A-SR предусмотрено кольцо для ограничения угла вращения до 90° (вместо 95°). Благодаря этому в закрытой позиции крана сигнал обратной связи отклоняется от управляющего примерно на 0,3 В.
Вы можете уточнить стоимость и заказать электропривод Belimo SR24A-SR, позвонив по телефону 8 (499) 201-22-47.
Предоставление скидок и оптовых цен обсуждается индивидуально.
Гарантия на электропривод Belimo SR24A-SR – 5 лет со дня покупки. К устройству прилагаются паспорт и сертификат соответствия.


Скачать PDF (190 Кбайт)
Сертификат BELIMO (775 Кбайт)