
Электроприводы Belimo | Приводы Belimo | Сервоприводы Belimo
127106, Россия, г.Москва, Нововладыкинский пр., д.8, стр.4, офис 100.
Тел.: 8 (800) 201-64-80 Еmail: belimo@rusmark.ru
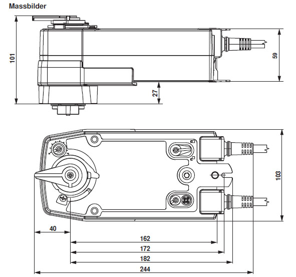
Привод c возвратной пружиной для установки на дисковый поворотный затвор, IP 54.
Моделирующий Поворотный электропривод БЕЛИМО SRF24A-SZ-S2-5 с функцией аварийного закрытия для шаровых клапанов и задвижек.
| Elektrische Daten | |
|---|---|
| Nennspannung | AC/DC 24 V |
| Nennspannung Frequenz | 50/60 Hz |
| Funktionsbereich | AC 19.2...28.8 V / DC 21.6...28.8 V |
| Leistungsverbrauch Betrieb | 5.5 W |
| Leistungsverbrauch Ruhestellung | 3 W |
| Leistungsverbrauch Dimensionierung | 8.5 VA |
| Hilfsschalter | 2 x EPU, 1 x 10% / 1 x 11...90% |
| Schaltleistung Hilfsschalter | 1 mA...3 (0.5) A, AC 250 V |
| Anschluss Speisung / Steuerung | Kabel 1 m, 4 x 0.75 mm² |
| Anschluss Hilfsschalter | Kabel 1 m, 6 x 0.75 mm² |
| Parallelbetrieb | Ja (Leistungsdaten beachten) |
| Funktionsdaten | |
| Drehmoment | Motor min. 20 Nm |
| Drehmoment | Federrücklauf min. 20 Nm |
| Stellsignal Y | DC 0...10 V |
| Stellsignal Y | Hinweis Eingangswiderstand 100 kΩ |
| Arbeitsbereich Y | DC 0.5...10 V |
| Stellungsrückmeldung U | DC 0.5...10 V |
| Stellungsrückmeldung U Hinweis | max. 0.5 mA |
| Gleichlauf | ±5% |
| Drehsinn Motor | Y=0 (0V = A - AB = 0%) |
| Drehsinn | Federrücklauf stromlos NC, Ventil geschlossen (A - AB = 0%) |
| Handverstellung | via Handkurbel und Verriegelungsschalter |
| Drehwinkel | 90° |
| Laufzeit | Motor 90 s / 90° |
| Laufzeit Notstellfunktion | ‹20 s / 90° |
| Schallleistungspegel | Motor max. 45 dB(A) |
| Stellungsanzeige | mechanisch |
| Lebensdauer | min. 60‘000 Notstellungen |
| Sicherheit | |
| Schutzklasse IEC/EN | III Schutzkleinspannung |
| Schutzklasse UL | UL Class 2 Supply |
| Schutzklasse | Hilfsschalter IEC/EN II schutzisoliert |
| Schutzart IEC/EN | IP54 |
| Schutzart NEMA/UL | NEMA 2, UL Enclosure Type 2 |
| EMV CE gemäss 2004/108/EG | |
| Niederspannungsrichtlinie | CE gemäss 2006/95/EG |
| Zertifizierung IEC/EN | IEC/EN 60730-1 und IEC/EN 60730-2-14 |
| Zertifizierung UL | cULus gemäss UL 60730-1A, UL 60730-2-14 und CAN/CSA E60730-1:02 |
| Wirkungsweise | Typ 1.AA.B |
| Bemessungsstossspannung | Speisung / Steuerung 0.8 kV |
| Bemessungsstossspannung | Hilfsschalter 2.5 kV |
| Verschmutzungsgrad der Umgebung | 3 |
| Umgebungstemperatur | -30...50°C |
| Lagertemperatur | -40...80°C |
| Umgebungsfeuchte | 95% r.H., nicht kondensierend |
| Wartung | wartungsfrei |
| Mechanische Daten | |
| Flanschtyp ISO 5211 | F05 |
| Gewicht | |
| Gewicht ca. | 2.5 kg |
Управление
Поворотный электропривод BELIMO SRF24A-SZ-S2-5 управляется с помощью стандартного модулирующего сигнала DC 0...10 V. Привод вращает клапан, одновременно заряжая возвратную пружину в рабочее положение. Прерывание напряжения питания, клапан поворачивается обратно в аварийном положении по энергии пружины.
Непосредственный монтаж
Простая прямая установка привод для клапанов BELIMO SRF24A-SZ-S2-5 на шаровой затвор или клапан-бабочки с фланцем. Положение установки по отношению к арматуре может быть выбран с шагом 90 °.
Ручная регулировка
Электропривод SRF24A-SZ-S2-5 в ручном режиме управляется рукояткой, клапан может управляться вручную и фиксируется в любом положении с помощью переключателя блокировки. Разблокировка автоматически или вручную с применением рабочего напряжения.
Высокая надежность
Поворотный электропривод БЕЛИМО SRF24A-SZ-S2-5 защищен от перегрузок, не требует конечных выключателей и останавливается при достижении крайних положений.
Регулируемый угол поворота
Регулируемый угол поворота с механическим ограничителем Belimo SRF24A-SZ-S2-5 поворотный привод Белимо.
Купить привод БЕЛИМО SRF24A-SZ-S2-5 а также запросить его цену и стоимость вы можете позвонив по телефону: 8 (499) 201-22-47.
Скидки и оптовые цены на электропривод БЕЛИМО SRF24A-SZ-S2-5 мы обсуждаем индивидуально.
На поворотный привод клапана BELIMO SRF24A-SZ-S2-5 распространяется 5 лет гарантии с момента продажи, а также сертификат соответствия и паспорт изделия.

Скачать PDF (484 Кбайт)
Сертификат BELIMO (775 Кбайт)