
Электроприводы Belimo | Приводы Belimo | Сервоприводы Belimo
127106, Россия, г.Москва, Нововладыкинский пр., д.8, стр.4, офис 100.
Тел.: 8 (800) 201-64-80 Еmail: belimo@rusmark.ru
Привод c конденсатором для установки на дисковый поворотный затвор, IP 54.
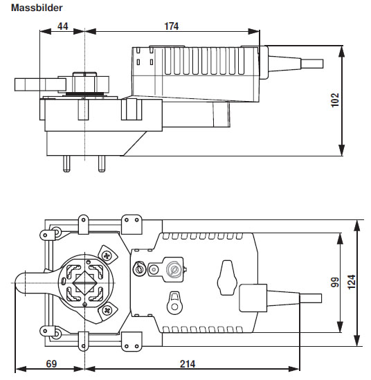
Поворотный электропривод БЕЛИМО GRK24A-SZ-5 для шаровых кранов.
| Elektrische Daten | |
|---|---|
| Nennspannung | AC/DC 24 V |
| Nennspannung Frequenz | 50/60 Hz |
| Funktionsbereich | AC 19.2...28.8 V / DC 21.6...28.8 V |
| Leistungsverbrauch Betrieb | 11 W |
| Leistungsverbrauch Ruhestellung | 3 W |
| Leistungsverbrauch Dimensionierung | 21 VA |
| Leistungsverbrauch Dimensionierung Hinweis | Imax 20 A @ 5 ms |
| Anschluss Speisung / Steuerung | Kabel 1 m, 4 x 0.75 mm² |
| Parallelbetrieb | Ja (Leistungsdaten beachten) |
| Funktionsdaten | |
| Drehmoment Motor | min. 40 Nm |
| Stellsignal Y | DC 0...10 V |
| Stellsignal Y Hinweis | Eingangswiderstand 100 kΩ |
| Arbeitsbereich Y | DC 0.5...10 V |
| Stellungsrückmeldung U | DC 0.5...10 V |
| Stellungsrückmeldung U Hinweis | max. 0.5 mA |
| Einstellung Notstellposition | NC / NO oder einstellbar 0...100% (POP-Drehknopf) |
| Gleichlauf | ±5% |
| Handverstellung | Getriebeausrastung mit Drucktaste |
| Laufzeit Motor | 150 s / 90° |
| Laufzeit Notstellfunktion | 35 s / 90° |
| Schallleistungspegel Motor | 52 dB(A) |
| Schallleistungspegel Notstellfunktion | 61 dB(A) |
| Stellungsanzeige | mechanisch |
| Sicherheit | |
| Schutzklasse IEC/EN | III Schutzkleinspannung5 |
| Schutzklasse UL | UL Class 2 Supply5 |
| Schutzart IEC/EN | IP545 |
| Schutzart NEMA/UL | NEMA 2, UL Enclosure Type 25 |
| EMV | CE gemäss 2004/108/EG5 |
| Zertifizierung IEC/EN | IEC/EN 60730-1 und IEC/EN 60730-2-145 |
| Zertifizierung UL | cULus gemäss UL 60730-1A, UL 60730-2-14 und CAN/CSA E60730-1:025 |
| Wirkungsweise | Typ 1.AA5 |
| Bemessungsstossspannung Speisung / Steuerung | 0.8 kV5 |
| Verschmutzungsgrad der Umgebung | 35 |
| Umgebungstemperatur | -30...50°C5 |
| Lagertemperatur | -40...80°C5 |
| Umgebungsfeuchte | 95% r.H., nicht kondensierend5 |
| Wartung | wartungsfrei5 |
| Mechanische Daten | |
| Flanschtyp ISO 5211 | F05 |
| Gewicht | |
| Gewicht ca. | 2.8 kg |
| Begriffe | |
| Abkürzungen | POP = Power off position / Notstellposition CPO = Controlled power off / Kontrollierte Notstellfunktion PF = Power fail delay time / Überbrückungszeit |
Принцип действия
Поворотный электропривод BELIMO GRK24A-SZ-5 перемещает кран в заданное положение, одновременно с этим заряжается встроенный конденсатор. При прекращении подачи питания заслонка перемещается в предустановленное охранное положение за счет энергии, запасенной в конденсаторе.
Время предварительной зарядки
В случае привод для клапанов BELIMO GRK24A-SZ-5 со встроенным конденсатором требуется определенное время для зарядки конденсатора. Это время для зарядки конденсатора до уровня, позволяющего приводу работать. В этом случае зарядки хватит на то, чтоб при отключении питания привод повернет заслонку из текущего положения в предустановленное охранное положение.
Время предварительной зарядки зависит от продолжительности нахождения привода без подключения питания.
Значение времени предварительной зарядки:

Условия поставки (конденсатор)
Электропривод GRK24A-SZ-5 поставляется с завода-изготовителя в полностью разряженном состоянии. Для приведение его в рабочее состояние (заряда конденсатора определенного уровня) необходимое время предварительной зарядки составляет 20 сек.
Простая установка
Простая установка непосредственно на шаровой кран или дисковый поворотный затвор. Может устанавливаться с шагом 90º.
Высокая функциональная надежность
Belimo GRK24A-SZ-5 поворотный привод Белимо защищен от перегрузки, не требует конечных выключателей и останавливается автоматически при достижении конечных положений.
Ручное управление
Поворотный электропривод БЕЛИМО GRK24A-SZ-5 возможно ручное управление при помощи кнопки с самовозвратом (при нажатой кнопке редуктор выводится из зацепления)
Комбинация кран/электропривод
Для клапанов с установочным фланцем F05:
Поворотная клавиша установки охранного положения
Клавиша "Установка охранного положения" (POP) применяется для установки определенного положения , которое займет привод при срабатывании охранной функции. При отключении питания привод начинает двигаться в заданное положение через 2 секунды после отключения питания (заводская настройка).
Купить привод БЕЛИМО GRK24A-SZ-5 а также запросить его цену и стоимость вы можете позвонив по телефону: 8 (499) 201-22-47.
Скидки и оптовые цены на электропривод БЕЛИМО GRK24A-SZ-5 мы обсуждаем индивидуально.
На поворотный привод клапана BELIMO GRK24A-SZ-5 распространяется 5 лет гарантии с момента продажи, а также сертификат соответствия и паспорт изделия.

Скачать PDF (590 Кбайт)
Сертификат BELIMO (775 Кбайт)