
Электроприводы Belimo | Приводы Belimo | Сервоприводы Belimo
127106, Россия, г.Москва, Нововладыкинский пр., д.8, стр.4, офис 100.
Тел.: 8 (800) 201-64-80 Еmail: belimo@rusmark.ru
Привод c конденсатором для установки на дисковый поворотный затвор, IP 54.
Поворотный электропривод БЕЛИМО GRK24A-5 для шаровых кранов.
| Электрические параметры | |
|---|---|
| Номинальное напряжение | 24 В ~ 50/60 Гц; 24 В= |
| Диапазон номинального напряжения | 19,2…28,8 В ~ / 21,6 …28,8 В= |
| Расчетная мощность | 21 ВА (Imax 20 А при 5 мс) |
| Потребляемая мощность: - во время вращения - в состоянии покоя |
11 Вт 3 Вт |
| Соединение: - питание | Кабель: 1 м , 2 х 0.75 мм ² |
| Параллельное управление | Возможно (с учетом характеристик) |
| Функциональные данные | |
| Крутящий момент | 40 Нм |
| Установка аварийного положения (POP) | НЗ/НО настраивается (POP поворотный переключатель) |
| Точность позиционирования | ±5% |
| Ручное управление | Редуктор выводится из зацепления при помощи кнопки |
| Время поворота : двигатель переход в точку аварийного срабатывания |
150 с / 90° 35 с при 0…+50°С |
| Уровень шума : двигатель переход в точку аварийного срабатывания |
52 дБ 61 дБ |
| Индикация положения | Механическая |
| Безопасность | |
| Класс защиты | III (для низких напряжений) |
| Степень защиты корпуса | IP54 |
| Температура окружающей среды | -30…+50º С |
| Температура хранения | -40…+80º С |
| Техническое обслуживание | Не требуется |
| Размеры/вес | |
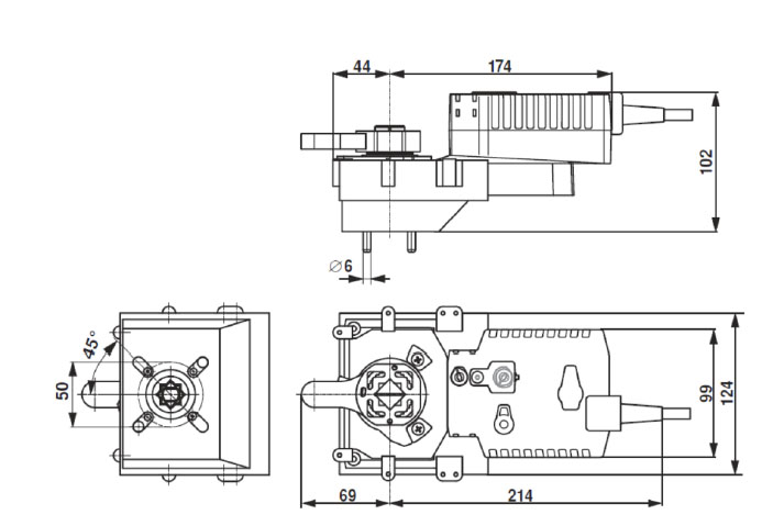
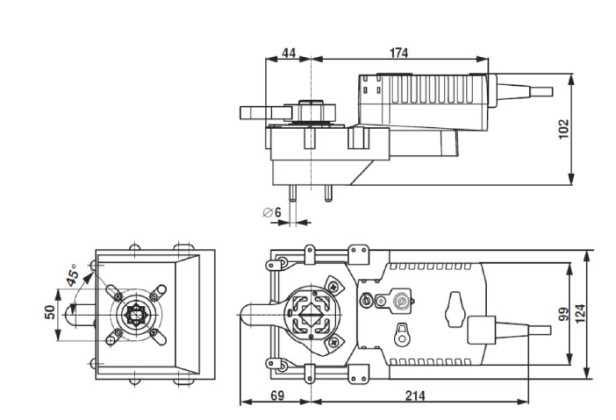
| Размеры | См. на Странице 4 |
| Присоединение | Фланцы F05 |
| Вес | 2,800 г |
Принцип действия
Поворотный электропривод BELIMO GRK24A-5 перемещает кран в заданное положение, одновременно с этим заряжается встроенный конденсатор. При прекращении подачи питания заслонка перемещается в предустановленное охранное положение за счет энергии, запасенной в конденсаторе.
Время предварительной зарядки
В случае привод для клапанов BELIMO GRK24A-5 со встроенным конденсатором требуется определенное время для зарядки конденсатора. Это время для зарядки конденсатора до уровня, позволяющего приводу работать. В этом случае зарядки хватит на то, чтоб при отключении питания привод повернет заслонку из текущего положения в предустановленное охранное положение.
Время предварительной зарядки зависит от продолжительности нахождения привода без подключения питания
Значение времени предварительной зарядки:

Условия поставки (конденсатор)
Электропривод GRK24A-5 поставляется с завода-изготовителя в полностью разряженном состоянии. Для приведение его в рабочее состояние (заряда конденсатора определенного уровня) необходимое время предварительной зарядки составляет 20 сек.
Простая установка
Простая установка непосредственно на шаровой кран или дисковый поворотный затвор. Может устанавливаться с шагом 90º.
Высокая функциональная надежность
Belimo GRK24A-5 поворотный привод Белимо защищен от перегрузки, не требует конечных выключателей и останавливается автоматически при достижении конечных положений.
Ручное управление
Поворотный электропривод БЕЛИМО GRK24A-5 возможно ручное управление при помощи кнопки с самовозвратом (при нажатой кнопке редуктор выводится из зацепления)
Комбинация кран/электропривод
Для клапанов с установочным фланцем F05:
Поворотная клавиша установки охранного положения.
Клавиша "Установка охранного положения" (POP) применяется для установки определенного положения , которое займет привод при срабатывании охранной функции. При отключении питания привод начинает двигаться в заданное положение через 2 секунды после отключения питания (заводская настройка).
Купить привод БЕЛИМО GRK24A-5 а также запросить его цену и стоимость вы можете позвонив по телефону: 8 (499) 201-22-47.
Скидки и оптовые цены на электропривод БЕЛИМО GRK24A-5 мы обсуждаем индивидуально.
На поворотный привод клапана BELIMO GRK24A-5 распространяется 5 лет гарантии с момента продажи, а также сертификат соответствия и паспорт изделия.

Скачать PDF (415 Кбайт)
Сертификат BELIMO (775 Кбайт)