
Электроприводы Belimo | Приводы Belimo | Сервоприводы Belimo
127106, Россия, г.Москва, Нововладыкинский пр., д.8, стр.4, офис 100.
Тел.: 8 (800) 201-64-80 Еmail: belimo@rusmark.ru
Привод для установки на шаровой кран, IP66/67.
Оптимальная защита против:
Поворотный электропривод БЕЛИМО SR24P для шаровых кранов.
| Электрические параметры | |
|---|---|
| Номинальное напряжение | 24 В В ~ 50/60 Гц ; 24 В= |
| Диапазон номинального напряжения | 19,2...28,8 В ~/= |
| Расчетная мощность | 4 ВА |
| Потребляемая мощность: -во время вращения -в состоянии покоя |
2 Вт 0.2 Вт |
| Соединение: Кабель: | 1 м , 3 х 0.75 мм ² |
| Параллельное подключение | Возможно, с учетом мощностей |
| Функциональные данные | |
| Крутящий момент (номинальный) | Мин. 18 Нм при номинальном напряжении |
| Ручное управление | Редуктор выводится из зацепления при помощи кнопки с самовозвратом, ручная блокировка |
| Время поворота | 90 с / 90 º |
| Уровень шума | Макс . 45 дБ (без крана ) |
| Индикация положения | Механический указатель, съемный |
| Безопасность | |
| Класс защиты | III (для низких напряжений) |
| Степень защиты корпуса | IP66 + IP67 |
| Температура окружающей среды | -30...+50º С |
| Температура хранения | -40...+50º С |
| Влажность окружающей среды | 100% отн., |
| Техническое обслуживание | Не требуется |
| Размеры/вес | |
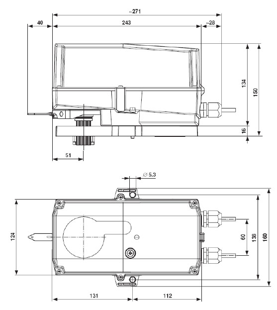
| Размеры | См. на след. странице |
| Вес | ≈ 1.55 кг |
Область применения
Электропривод SR24P частично пригоден для использования в тяжелых условиях. В таких областях как:
Простая установка
Поворотный электропривод BELIMO SR24P простая установка на шаровой кран при помощи одного винта. Положение установки по отношению к шаровому крану может выбираться с шагом 90 °.
Ручное управление
Привод для клапанов BELIMO SR24P возможно ручное управление при помощи
кнопки с самовозвратом (при нажатой кнопке редуктор выводится из зацепления).
Настраиваемый угол поворота
Угол поворота поворотный электропривод БЕЛИМО SR24P настраивается при помощи механических упоров.
Высокая функциональная надежность
Belimo SR24P поворотный привод Белимо защищен от перегрузки, не требует конечных выключателей и останавливается автоматически при достижении конечных положений.
Купить привод БЕЛИМО SR24P а также запросить его цену и стоимость вы можете позвонив по телефону: 8 (499) 201-22-47.
Скидки и оптовые цены на электропривод БЕЛИМО SR24P мы обсуждаем индивидуально.
На поворотный привод клапана BELIMO SR24P распространяется 5 лет гарантии с момента продажи, а также сертификат соответствия и паспорт изделия.

Скачать PDF (216 Кбайт)
Сертификат BELIMO (775 Кбайт)