
Электроприводы Belimo | Приводы Belimo | Сервоприводы Belimo
127106, Россия, г.Москва, Нововладыкинский пр., д.8, стр.4, офис 100.
Тел.: 8 (800) 201-64-80 Еmail: belimo@rusmark.ru
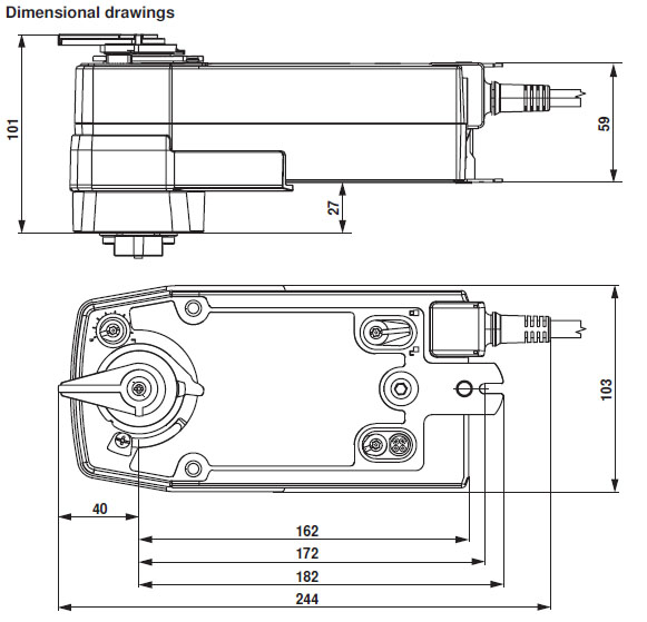
Привод c возвратной пружиной для установки на шаровой кран, IP 54.
Поворотный электропривод БЕЛИМО NRFD230A-3-S2 для шаровых кранов с функцией аварийного закрытия.
| Electrical data | |
|---|---|
| Nominal voltage | AC 230 V |
| Nominal voltage frequency | 50/60 Hz |
| Nominal voltage range | AC 198...264 V |
| Power consumption in operation | 5 W |
| Power consumption in rest position | 3 W |
| Power consumption for wire sizing | 16 VA |
| Connection supply / control | Cable 1 m, 4 x 0.75 mm² |
| Parallel operation | Yes (note the performance data) |
| Functional data | |
| Torque motor | Min. 5 Nm |
| Torque spring return | Min. 5 Nm |
| Direction of rotation motor | Y=0 (0V = A-AB = 0%) |
| Direction of rotation spring-return | Deenergised NC, valve closed (A - AB = 0%) |
| Manual override | No |
| Angle of rotation | 90° |
| Running time motor | 35 s / 90° |
| Running time emergency setting position | ‹20 s / 90° |
| Sound power level motor max. | 45 dB(A) |
| Position indication | Mechanical |
| Service life | Min. 60,000 emergency positions |
| Safety | |
| Protection class IEC/EN | II Protective insulated |
| Protection class UL | II Protective insulated |
| Degree of protection IEC/EN | IP54 |
| Degree of protection NEMA/UL | NEMA 2, UL Enclosure Type 2 |
| EMC | CE according to 2004/108/EC |
| Low voltage directive | CE according to 2006/95/EC |
| Certification IEC/EN | IEC/EN 60730-1 and IEC/EN 60730-2-14 |
| Certification UL | cULus according to UL 60730-1A, UL 60730-2-14 and CAN/CSA E60730-1:02 |
| Mode of operation | Type 1.AA |
| Rated impulse voltage supply / control | 4 kV |
| Control pollution degree | 3 |
| Ambient temperature | -30...50°C |
| Non-operating temperature | -40...80°C |
| Ambient humidity | 95% r.h., non-condensing |
| Maintenance | Maintenance-free |
| Weight | |
| Weight approx. | 2.1 kg |
Простая установка
Поворотный электропривод BELIMO NRFD230A-3-S2 простая установка на шаровой кран при помощи одного винта. Положение установки по отношению к шаровому крану может выбираться с шагом 90 °.
Режим работы
Привод для клапанов BELIMO NRFD230A-3-S2 перемещает клапан в рабочее положение, в то же время, происходит взведение возвратной пружины. Когда напряжение питания прерывается привод переходит в аварийное положение и под действием пружины происходит закрытие клапана.
Настраиваемый угол поворота
Угол поворота поворотный электропривод БЕЛИМО NRFD230A-3-S2 настраивается при помощи механических упоров.
Высокая функциональная надежность
Belimo NRFD230A-3-S2 поворотный привод Белимо защищен от перегрузки, не требует конечных выключателей и останавливается автоматически при достижении конечных положений.
Гибкая сигнализация
Привод имеет один вспомогательный выключатель с фиксированной настройкой и один регулируемый вспомогательный выключатель. Они позволяют на 10% или 11 ... 90% угла поворота послать сигнал.
Купить привод БЕЛИМО NRFD230A-3-S2 а также запросить его цену и стоимость вы можете позвонив по телефону: 8 (499) 201-22-47.
Скидки и оптовые цены на электропривод БЕЛИМО NRFD230A-3-S2 мы обсуждаем индивидуально.
На поворотный привод клапана BELIMO NRFD230A-3-S2 распространяется 5 лет гарантии с момента продажи, а также сертификат соответствия и паспорт изделия.

Скачать PDF (422 Кбайт)
Сертификат BELIMO (775 Кбайт)