
Электроприводы Belimo | Приводы Belimo | Сервоприводы Belimo
127106, Россия, г.Москва, Нововладыкинский пр., д.8, стр.4, офис 100.
Тел.: 8 (800) 201-64-80 Еmail: belimo@rusmark.ru
Электрический привод Belimo NRF24A-SZ-S2 применяется для управления открытием/закрытием шаровых кранов. С функцией управления в аварийных ситуациях. Предусмотрена возвратная пружина и 2 вспомогательных переключателя.
| U номинал; частота | 24 В; 50/60 Гц |
| Интервал U номинал | 19,2 - 28,8 В ~ / 21,6 - 28,8 В= |
| Мощности | 6 ВА – расчетное значение
3,5 Вт – рабочая мощность (для 10 Нм) 2,5 Вт – мощности в нерабочем состоянии |
| Присоединение (кабельное) | К питанию: длина – 100 см, 4 х 0,75 мм2 Переключатели: длина – 100 см, 6 х 0,75 мм2 |
| Подключение 2-х приводов сразу | Возможности |
| Вращающий момент | 10 Нм – минимальное значения и для двигателя, и для возвратной пружины |
| Управляющий сигнал | 0 - 10 В, при вход. R = 100 кОм
0,5 - 10 В (диапазон для работы) 0,5 – 10 В – сигнал обратной связи |
| Погрешность хода | Отклонение +/- 5% |
| Направление поворота |
Двигатель: Реверсивное, настраивается переключателем Пружина: НЗ — Обесточен (кран в закрытом положении) (А-АВ=0%) |
| Управление вручную | Есть. Ручной ключ, функция блокировки |
| Вращение | Max угол - 90 ° |
| Время поворота | Двигатель: не более 1,5 мин (при угле = 90 °) Пружина: не более 20 с (при t от -20 до 50 °С) / не более 1 мин (при t -30 °С) |
| Допустимый уровень шума | Двигатель: не более 45 дБ Пружина: не более 62 дБ |
| Индикатор позиции | Есть, механич. указатель |
| Защита от тока / защита корпуса | III класс (низкие U) / IP54 |
| Окружающая температура | От –30 до +50 °С |
| Температура рабочей среды | От +5 до +120 °С (рабочие температуры для крана) |
| Температура в состоянии покоя | От –40 до +80 °С |
| Влажность окружающей среды | 95%, конденсат не образуется |
| Тех. поддержка | Нет |
| Вес | Около 2200 г |
Принцип управления
Управление электроприводом Belimo NRF24A-SZ-S2 происходит через управляющий аналоговый сигнал в интервале от 0 до 10 В. Привод открывает/закрывает шаровой кран, поворачивая шар в необходимое положение. Параллельно с этим происходит взвод возвратной пружины, которая в случае отключения питания вернет кран в первоначальную позицию.
Для настройки необходимого угла поворота привода предусмотрены механические упоры с обеих сторон.
Есть режим ручного управления при помощи ручного ключа с опцией блокирования в необходимом положении (блокировка сама снимается при подаче тока).
Процесс монтажа
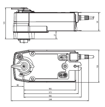
Электропривод Belimo NRF24A-SZ-S2 монтируется на кран одним винтом в горизонтальном или вертикальном положении относительно штока.
Надежность работы
В приводе Belimo NRF24A-SZ-S2 есть функция автоматического отключения при прохождении финальных позиций. А для сигнализации привод оснащен 2-мя переключателями: фиксированным 10-ти процентным и настраиваемым (11-100%).
Для уточнения цены и заказа электропривода Belimo NRF24A-SZ-S2 звоните по телефону 8 (499) 201-22-47.
Обсуждение скидок и оптовых цен происходит индивидуально.
На электропривод Belimo NRF24A-SZ-S2 действует гарантия в течение 5-ти лет со дня покупки. К изделию прилагаются паспорт и сертификат соответствия.


Скачать PDF (380 Кбайт)
Сертификат BELIMO (775 Кбайт)