
Электроприводы Belimo | Приводы Belimo | Сервоприводы Belimo
127106, Россия, г.Москва, Нововладыкинский пр., д.8, стр.4, офис 100.
Тел.: 8 (800) 201-64-80 Еmail: belimo@rusmark.ru
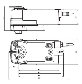
Привод c возвратной пружиной для установки на шаровой кран, IP 54.
Поворотный электропривод БЕЛИМО NRF24A-SZ для шаровых кранов с функцией аварийного управления.
| Номинальное напряжение | 24 В ~50/60 Гц / 24 B= |
| Диапазон номинального напряжения | 19,2…28,8 В ~ / 21,6…28,8 В= |
| Расчетная мощность | 6 ВА |
| Потребляемая мощность: во время вращения в состоянии покоя |
3,5 Вт при номинальном крутящем моменте 2,5 Вт |
| Соединение Двигатель Вспом. перекл. NRF24A-SZ-S2(-O) |
Кабель: 1 м , 4×0,75 мм2 Кабель: 1 м , 6×0,75 мм2 |
| Вспомогательные переключатели для NRF24A-SZ-S2(-O) 2×ОСДП, 1 мА…3(0,5) А, 250 В~ | (1 фикс. 10%, 1 настраиваемый 11…100% ) |
| Параллельное подключение | Есть (с учетом мощностей) |
| Крутящий момент (номинальный) — двигатель — пружина |
Мин. 10 Нм при номинальном напряжении Мин. 10 Нм |
| Управление Управляющий сигнал Рабочий диапазон |
0…10 В= при входном сопротивлении 100 кОм 0,5 …10 В= |
| Обратная связь | 0,5 …10 В= |
| Ровность хода | ±5% |
| Направление вращения – Двигатель: Пружина: |
NRF24A-SZ, NRF24A-SZ-S2 NRF24A-SZ-О, NRF24A-SZ-S2-О |
| Реверсивный переключатель / | НЗ — Обесточен: шаровой кран закрыт (А-АВ=0%) НО — Обесточен: шаровой кран открыт (А-АВ=100%) |
| Ручное управление | С помощью ручного ключа с блокировкой |
| Угол поворота | Макс. 90 ° |
| Время поворота — Двигатель — Пружина |
≤90 с / 90 ° ≤20 с при -20…50 °С / макс. 60 с при -30 °С |
| Уровень шума — Двигатель — Пружина |
≤ 45 дБ ≤ 62 дБ |
| Индикация положения | Механическая |
| Класс защиты | III для низких напряжений |
| Степень защиты корпуса | IP54 |
| Температура окружающей среды | –30…+50 °С |
| Температура теплоносителя | +5…+120 °С (в шаровом кране ) |
| Температура хранения | –40…+80 °С |
| Влажность окружающей среды | 95% отн., не конденсир. |
| Техническое обслуживание | Не требуется |
| Ве | с ≈ 2,2 кг NRF24A-SZ-S2(-O); ≈ 2 кг NRF24A-SZ(-O) |
Управление
Поворотный электропривод BELIMO NRF24A-SZ, управляемый стандартным сигналом 0…10 В=, перемещает шар крана в заданное положение, одновременно взводя встроенную пружину. При прекращении подачи питания энергия, запасенная в пружине, возвращает кран в исходное положение.
Простая установка
Привод для клапанов BELIMO NRF24A-SZ простая установка при помощи одного винта. Положение установки по отношению к крану может выбираться с шагом 90°.
Ручное управление
Ручное управление поворотный электропривод БЕЛИМО NRF24A-SZ осуществляется с помощью ручного ключа с блокировкой в любом положении. Выход из блокировки автоматически при подаче питания.
Настройка угла поворота
Belimo NRF24A-SZ поворотный привод Белимо настройка угла поворота осуществляется с помощью механических упоров.
Высокая функциональная надежность
Электропривод NRF24A-SZ защищен от перегрузки, не требует конечных выключателей, останавливается автоматически при достижении конечных положений.
Гибкая система сигнализации.
Электроприводы NRF… S2 оснащены одним фиксированным 10% вспомогательным переключателем и одним настраиваемым 11…100% переключателем.
Купить привод БЕЛИМО NRF24A-SZ а также запросить его цену и стоимость вы можете позвонив по телефону: 8 (499) 201-22-47.
Скидки и оптовые цены на электропривод БЕЛИМО NRF24A-SZ мы обсуждаем индивидуально.
На поворотный привод клапана BELIMO NRF24A-SZ распространяется 5 лет гарантии с момента продажи, а также сертификат соответствия и паспорт изделия.


Скачать PDF (380 Кбайт)
Сертификат BELIMO (775 Кбайт)