
Электроприводы Belimo | Приводы Belimo | Сервоприводы Belimo
127106, Россия, г.Москва, Нововладыкинский пр., д.8, стр.4, офис 100.
Тел.: 8 (800) 201-64-80 Еmail: belimo@rusmark.ru
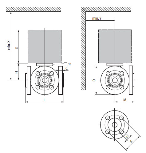
3-ходовый регулирующий шаровой кран.
3-ходовый регулирующий шаровой кран R7020R6P3-B1 фланцы.
| Среда | Холодная и горячая вода (содержание гликоля макс 50%) |
| Температура среды | -10 °С … +100°С |
| Ограничения по температуре | Температура среды может быть ограничена в зависимости от типа привода, установленного на кран. Точную температуру среду можно определить из технического описания конкретного привода |
| Пропускная способность | Kvs См. «Обзор типов» |
| Дифференциальное давление | ΔPmax 100 кПа |
| Запирающее давление | ΔPs 600 кПа |
| Характеристика потока | Регулирующий канал А-АВ: равнопроцентная характеристика |
| Байпас | В-АВ линейная 70% от Kvs |
| Уровень утечки | A-AB : А, герметичен |
| Класс утечки | Байпас В-АВ класс I - макс. 1% от Kvs |
| Трубное присоединение | Фланцы PN6 |
| Угол поворота 90° | (рабочий диапазон 15…90° ) Байпас В-АВ 15…70° |
| Положение установки | От вертикального до горизонтального (относительно штока) |
| Тех. обслуживание | Не требуется |
| Тело клапана | Штампованное, никелированная латунь |
| Конус клапана | Хромированная латунь |
| Шток | Никелированная латунь |
| Уплотнение штока | Кольцо / EPDM |
| Уплотнение шара | PTFE /Кольцо EPDM (DN20 Viton) |
| Корректирующий диск | TEFZEL |
| Фланцы | DN15/20 гальванизированная сталь |
| DN25…50 | алюминий |
Управление
Регулирующий клапан Belimo R7020R6P3-B1 управляется при помощи поворотного электропривода. Поворотные электроприводы управляются стандартным сигналом 0…10 В= или по 3-позиционной схеме и поворачивают шар внутри крана – регулирующее устройство – в открытое положение согласно управляющему сигналу. Кран Belimo R7020R6P3-B1 открывается в направлении против часовой стрелки и закрывается по часовой стрелке.
Характеристика потока
Равно-процентная характеристика потока шаровой кран Belimo R7020R6P3-B1 обеспечивается встроенным корректирующим диском.
Электропривод
Подбор электропривода производится в зависимости от типа и размера муфта Belimo R7020R6P3-B1.
Регулирующий клапан Белимо R7020R6P3-B1 а также запросить его цену и стоимость вы можете позвонив по телефону: 8 (499) 201-22-47.
Скидки и оптовые цены на регулирующий шаровой кран Белимо R7020R6P3-B1 мы обсуждаем индивидуально.
На Кран Белимо R7020R6P3-B1 распространяется 5 лет гарантии с момента продажи, а также сертификат соответствия и паспорт изделия.

Скачать PDF (90 Кбайт)
Сертификат BELIMO (775 Кбайт)