
Электроприводы Belimo | Приводы Belimo | Сервоприводы Belimo
127106, Россия, г.Москва, Нововладыкинский пр., д.8, стр.4, офис 100.
Тел.: 8 (800) 201-64-80 Еmail: belimo@rusmark.ru
Регулировочный шаровой кран Belimo R7015R4-B1 для сфер отопления, вентиляции и кондиционирования помещений. DN – 15 мм. 3-х ходовой латунный кран, полностью герметичен.
| Технические характеристики: | |
| Необходимая рабочая среда |
1.Вода в открытых и закрытых контурах 2. Растворы гликоля с содержанием не более 50% |
| Диапазон рабочих температур |
Min -10 °С Max +100°С * * Максимальные значения могут быть скорректированы в зависимости от используемого привода |
| Допустимая пропускная возможность | Max Kvs = 4 м3 в час |
| Допустимое давление в кране |
- Дифференциальное (ΔPmax) = 100 kPa - Запирающее (ΔPs) = 600 kPa |
| Водяной поток |
- Равнопроцентная харак-ка в регулирующем канале А-АВ - Линейная харак-ка (max 70% от значения Kvs) в байпасе В-АВ |
| Допустимый уровень протечки |
- Полностью герметичен в регулирующем канале А-АВ - Max 1% от значения Kvs в байпасе В-АВ |
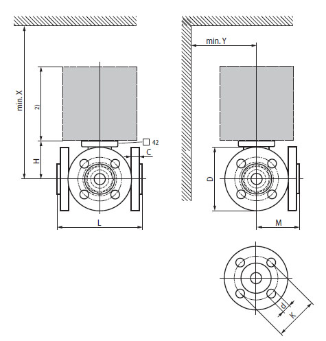
| Присоединение к трубе | При помощи стальных фланцев (PN 16) |
| Угол вращения |
- Диапазон угла в канале А-АВ - 15…90° - Диапазон угла в канале В-АВ - 15…70° |
| Необходимость тех. обслуживания | Отсутствует |
| - Тело, шток | Латунь, покрытая никелем |
| - Конус | Латунь, покрытая хромом |
| - Материал уплотнения | Кольцо / EPDM (шток); PTFE /Кольцо EPDM (шар) |
| - Диск коррект-ий | Тефзел |
| - Соединительные фланцы | Гальваническая сталь / алюминий |
Принцип работы крана
За приведение в рабочее состояние клапана регулировки воды Belimo R7015R4-B1 отвечает электропривод (подбирается к типу муфты). Контроллер привода, посылая управляющие сигналы типа 0…10В или трехпозиционные импульсные, осуществляет поворот регулирующего устройства внутри крана, отвечающего за его открытие. Поворот против часовой стрелки приводит к открытию крана Belimo R7015R4-B1, а по часовой - к его закрытию.
Характеристика водяного потока
В канале А-АВ водяной поток имеет равнопроцентную характеристику благодаря корректирующему диску в конструкции крана Belimo R7015R4-B1. В байпасе – линейную, максимально 70% от пропускной способности клапана.
Чтобы узнать подробную информацию про шаровой кран Belimo R7015R4-B1 и его цену, Вы можете позвонить по телефону 8 (499) 201-22-47.
Скидки и оптовые цены на регулирующий шаровой кран Belimo R7015R4-B1 мы обсуждаем индивидуально.
Гарантия на кран Belimo R7015R4-B1 - 5 лет. Прилагается сертификат соответствия и паспорт изделия.

Скачать PDF (92 Кбайт)
Сертификат BELIMO (775 Кбайт)