
Электроприводы Belimo | Приводы Belimo | Сервоприводы Belimo
127106, Россия, г.Москва, Нововладыкинский пр., д.8, стр.4, офис 100.
Тел.: 8 (800) 201-64-80 Еmail: belimo@rusmark.ru
Привод для установки на дисковый поворотный затвор, IP54.
Электропривод BELIMO GR230A-5 поворотный электропривод дисковых поворотных заслонок.
| Номинальное напряжение | 100...240 В ∼ 50/60 Гц |
| Диапазон напряжения питания | 85...265 В∼ |
| Расчетная мощность | 7 ВА |
| Потребляемая мощность | 4 Вт во время вращения 2 Вт в состоянии покоя |
| Соединение | Кабель 1 м, 3 x 0,75 мм2 |
| Крутящий момент | мин. 40 Нм (при номин. напряжении) |
| Ручное управление | Редуктор выводится из зацепления при помощи кнопки с самовозвратом, ручная блокировка |
| Время поворота | 150 с / 95° |
| Уровень шума | макс. 45 дБ (без клапана) |
| Индикация положения | Механический указатель, съемный |
| Класс защиты | II (все изолировано) |
| Электромагнитная совместимость | Соотв. 89/336/EЕС |
| Степень защиты корпуса | IP 54 в любом положении установки |
| Температура окружающей среды | 0...+50°C |
| Температура переносимой среды | –20...+100°C (диск. поворотная заслонка) |
| Температура хранения | –40...+80°C |
| Влажность окружающей среды | 95% отн., не конденсир. (по EN 60730-1) |
| Техническое обслуживание | Не требуется |
| Вес | ≈1850 г |
Простая прямая установка
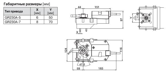
Поворотный электропривод BELIMO GR230A-5 простая прямая установка на дисковую поворотную заслонку с установочным фланцем F05 (F07 для GR230A-7). Положение установки по отношению к поворотной заслонке может выбираться с шагом 90°.
Высокая функциональная надежность
Belimo GR230A-5 поворотный привод Белимо защищен от перегрузки, не требует конечных выключателей и останавливается автоматически при достижении конечных положений.
Дисковая поворотная заслонка D6..
Электропривод GR230A-5 устанавливается на дисковые поворотные заслонки BELIMO D6... с установочным фланцем F05, а также на поворотные заслонки других производителей клапанов, соответствующих следующей спецификации:
Электропривод GR230A-7 устанавливается на дисковые поворотные заслонки BELIMO D6... с установочным фланцем F07, а также на поворотные заслонки других производителей клапанов, соответствующих следующей спецификации:
Электрические аксессуары
Купить привод БЕЛИМО GR230A-5 а также запросить его цену и стоимость вы можете позвонив по телефону: 8 (499) 201-22-47
Скидки и оптовые цены на электропривод БЕЛИМО GR230A-5 мы обсуждаем индивидуально.
На поворотный привод BELIMO GR230A-5 распространяется 5 лет гарантии с момента продажи, а также сертификат соответствия и паспорт изделия.
Скачать PDF (349 Кбайт)
Сертификат BELIMO (775 Кбайт)