
Электроприводы Belimo | Приводы Belimo | Сервоприводы Belimo
127106, Россия, г.Москва, Нововладыкинский пр., д.8, стр.4, офис 100.
Тел.: 8 (800) 201-64-80 Еmail: belimo@rusmark.ru
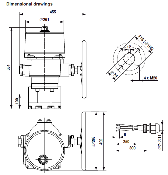
Привод для установки на дисковый поворотный затвор, IP67.
Поворотный электропривод BELIMO SY9-230A-3-T приведение в действие дисковых затворов.
| Electrical data | |
|---|---|
| Nominal voltage | AC 230 V |
| Nominal voltage frequency | 50/60 Hz |
| Nominal voltage range AC | 207...253 V |
| Power consumption in operation | 180 W |
| Power consumption in operation note | incl. heating |
| Power consumption in rest position | 4.8 W |
| Power consumption for wire sizing | 368 VA |
| Current consumption | 1.6 A |
| Auxiliary switch | 2 x SPDT, 1 x 3° / 1 x 87° |
| Switching capacity auxiliary switch | 1 mA...5 (3 inductive) A, DC 5 V...AC 250 V |
| Connection supply / control Terminals | 2.5 mm² N (Wire 2 x 1.5 mm² or 1 x 2.5 mm²) |
| Functional data | |
| Torque motor | 2000 Nm |
| Manual override | Temporary with handwheel (non-rotating) |
| Angle of rotation | 90° |
| Angle of rotation note Internal | limit switch, not adjustable |
| Running time motor | 70 s |
| Duty cycle | 30 % (= active time 70 s / operating time 233 s) |
| Sound power level motor | 70 dB(A) |
| Position indication | Mechanically (integrated) |
| Safety | |
| Protection class | IEC/EN I Protective earth |
| Protection class auxiliary switch | IEC/EN I Protective earth |
| Degree of protection | IEC/EN IP67 |
| EMC | CE according to 2004/108/EC |
| Low voltage directive | CE according to 2006/95/EC |
| Mode of operation | Type 1 |
| Control pollution degree | 4 |
| Ambient temperatur | e -30...65°C |
| Non-operating temperature | -30...80°C |
| Ambient humidity | 95% r.h., non-condensing |
| Maintenance | Maintenance-free |
| Mechanical data | |
| Connection flange | F16 |
| Weight | |
| Weight approx. | 72 kg |
| Materials | |
| Housing material | Aluminium pressure casting |
Принцип действия
Привод для клапанов BELIMO типа Бабочка SY9-230A-3-T управление открыто/закрыто осуществляется по двухпроводной схеме напряжением 24 В~ или 230 В~.
Особенности изделия
Простой монтаж: Простая прямая установка на дисковую поворотную заслонку. Положение установки по отношению к поворотной заслонке может выбираться с шагом 90°.
Надежность функционирования: Внутренние концевые выключатели прерывают подачу питания на двигатель. Термостат двигателя обеспечивает дополнительную защиту от перегрузки, так как он тоже прерывает подачу питания при температуре 135°С.
Внутренний подогрев: Внутренний подогрев предотвращает образование конденсата внутри корпуса электропривода.
Ручное управление: Ручное управление поворотный электропривод Belimo SY9-230A-3-T для дисковых затворов осуществляется при помощи гаечного ключа. Поворот гаечного ключа по часовой стрелке приводит к открытию затвора.
Индикация положения: Механическая.
Указания по безопасности
Поворотный электропривод Белимо SY9-230A-3-T не содержит компонентов, подлежащих замене или ремонту.
Купить привод БЕЛИМО SY9-230A-3-T а также запросить его цену и стоимость вы можете позвонив по телефону: 8 (499) 201-22-47
Скидки и оптовые цены на электропривод БЕЛИМО SY9-230A-3-T мы обсуждаем индивидуально.
На поворотный привод клапана BELIMO SY9-230A-3-T распространяется 5 лет гарантии с момента продажи, а также сертификат соответствия и паспорт изделия.

Скачать PDF (421 Кбайт)
Сертификат BELIMO (775 Кбайт)