
Электроприводы Belimo | Приводы Belimo | Сервоприводы Belimo
127106, Россия, г.Москва, Нововладыкинский пр., д.8, стр.4, офис 100.
Тел.: 8 (800) 201-64-80 Еmail: belimo@rusmark.ru
Привод для установки на дисковый поворотный затвор, IP67. Поворотный электропривод для дисковых затворов.
| Электрические параметры | |
|---|---|
| Номинальное напряжение 2 | 30 В ~ 50/60 Гц |
| Диапазон номинального напряжения | 198...253 В ~ |
| Расчетная мощность | См «Обзор типов» |
| Потребляемая мощность | См «Обзор типов» |
| Вспомогательные переключатели | 2 однополюсных с двойным переключением, 5 А I |
| Точки переключения: | настраиваются в диапазоне 90 ° |
| Соединение: | Клеммы 2 × 1,5 мм² или 1 × 2,5 мм² |
| Параллельное подключение | Невозможно |
| Функциональные данные | |
| Крутящий момент (номинальный) | См «Обзор типов» |
| Ручное управление | Временное с помощью колеса |
| Угол поворота | 90 ° (ограничивается внутренними концевыми выключателями) |
| Время поворота | См «Обзор типов» |
| Рабочий цикл | 30% (например 17 с / 40 с ) |
| Уровень шума | Макс. 70 дБ |
| Индикация положения | Механический указатель (встроенный) |
| Безопасность | |
| Класс защиты | I (с заземлением ) |
| Степень защиты корпуса | IP67 |
| Температура окружающей среды | –20...+65° С |
| Температура среды | –20...+100° С (в дисковом затворе) |
| Температура хранения | –30...+80° С |
| Влажность окружающей среды | 95% отн., не конденсир. |
| Техническое обслуживание | Не требуется |
| Материал корпуса | Литой алюминий |
| Размеры/вес | |
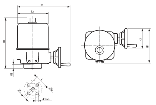
| Размеры | См. на след. странице |
| Вес | См «Обзор типов» |
Особенности изделия
Простая установка
Простая установка на дисковый затвор. Положение установки по отношению к дисковому затвору может выбираться с шагом 90 °.
Ручное управление
Поворот колеса по часовой стрелке закрывает затвор, поворот против часовой стрелки – открывает. При включении двигателя колесо не двигается. Диск затвора сохраняет свое положение до тех пор, пока на подается напряжение на привод.
Встроенный обогреватель
Встроенный обогреватель предупреждает возникновение конденсата.
Высокая функциональная надежность
Угол поворота электропривода ограничивается механическим способом в пределах –2°...92 °
Внутренние концевые выключатели отключают электропитание двигателя. Кроме того термостат двигателя обеспечивает дополнительную защиту, так как он также прерывает электропитание при температуре 135°С.
Комбинация затвор/электропривод
Для корректного подбора дискового затвора, определения разрешенной температуры теплоносителя и запирающего давления обратитесь к соответствующим техническим данным затвора.
Указания по безопасности
Электропривод разработан для использования в системах отопления , вентиляции и кондиционирования и не применяется в областях, выходящие за рамки указанные в спецификации, особенно для применения на воздушных суднах.
Осторожно: высокое напряжение!
Устройство может быть вскрыто только на заводе-изготовителе. Оно не содержит частей, которые могут быть переустановлены или отремонтированы эксплуатационными службами.
Устройство содержит электрические и электронные компоненты, в связи с чем недопустима утилизация вместе с бытовыми отходами. Необходимо соблюдать все действующие правила и инструкции, относящиеся к данной конкретной местности.
Купить привод БЕЛИМО SY9-230-3-T а также запросить его цену и стоимость вы можете позвонив по телефону: 8 (499) 201-22-47
Скидки и оптовые цены на электропривод БЕЛИМО SY9-230-3-T мы обсуждаем индивидуально.
На привод воздушной заслонки BELIMO SY9-230-3-T распространяется 5 лет гарантии с момента продажи, а также сертификат соответствия и паспорт изделия.


Скачать PDF (216 Кбайт)
Сертификат BELIMO (775 Кбайт)