
Электроприводы Belimo | Приводы Belimo | Сервоприводы Belimo
127106, Россия, г.Москва, Нововладыкинский пр., д.8, стр.4, офис 100.
Тел.: 8 (800) 201-64-80 Еmail: belimo@rusmark.ru
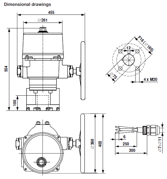
Электропривод Belimo SY12-230A-3-T необходим для регулирования открытия/закрытия дисковых затворов поворотного типа. IP67. Два встроенных переключателя.
| Параметры электричества | |
|---|---|
| Unom АС / интервал Unom АС | 230 В; 207 – 253 В |
| Частота тока | 50/60 Гц |
| Мощности (N) | 506 ВА – расчетный параметр для калибровки
300 Вт – потребление в процессе работы, включая нагревание 4,8 Вт – потребление в нерабочем состоянии |
| Потребление тока | 2,2 A |
| Вспомог. переключатели | 2 x SPDT, 1 x 3° / 1 x 87° I от 1 мА до 5 (3) а, U: 5 В … 250 В DC/AC |
| Присоединение к питанию | С помощью клемм 2,5 мм2 (провод 2 х 1,5 мм2 или 1 х 2,5 мм2) |
| Параллельное управление | Невозможно |
| Параметры функциональности | |
| Момент силы двигателя | 3500 Нм |
| Управление вручную | Да, с помощью маховика (только временно) |
| Угол поворота | 90°, ограничение до 92° с помощью концевых выключателей, не регулируется |
| Время срабатывания | 70 сек |
| Цикл работы | 30% от времени работы 233 сек (70 сек) |
| Допустимый шум при работе | Не более 70 дБ |
| Индикатор позиции | Встроенный механический указатель |
| Параметры безопасности | |
| Защита от тока привода/переключателей | Заземление (I класс) |
| Защита корпуса | IP67 |
| ЭМС | Согл. директиве 2004/108/EC |
| Степень защиты окруж. среды | 4 |
| Окруж. t | От -30°C до +65°C |
| t при хранении | От -30°C до +80°C |
| Влажность воздуха отн. | 95%, без конденсата |
| Сервисное обслуживание | Нет |
| Технические параметры | |
| Соединительный фланец | F16 |
| Вес | Около 72 кг |
| Материал корпуса | Литой алюминий |
Процесс установки
Электропривод Belimo SY12-230A-3-T монтируется на заслонку прямым способом. Возможны 2 установочным положения – вертикально и горизонтально (шаг 90°).
Ручное управление
Для ручного управления в приводе Belimo SY12-230A-3-T предусмотрен маховик, вращение которого против часовой стрелки открывает заслонку, а вращение по часовой – закрывает. Маховик во время работы неподвижен. Только временное ручное управление, пока не будет подано электричество.
Встроенный нагреватель
Для предотвращения образования конденсата внутри корпуса предусмотрен встроенный нагреватель.
Надежность эксплуатации
За счет концевых выключателей и встроенного термостата, прерывающего подачу питания в случае эксплуатации привода Belimo SY12-230A-3-T вне указанных температур, обеспечивается высокая степень защиты от перегрузки.
Встроенные переключатели
Электропривод Belimo SY12-230A-3-T оснащен 2-мя встроенными переключателями с серебряным и золотым покрытием, поэтому их можно включать как в цепи слабых (диапазон мА), так и сильных токов (диапазон А). Важно: если на переключатель уже был подан сильный ток, на более слабые значения он реагировать уже не будет.
Вы можете заказать электропривод Belimo SY12-230A-3-T и уточнить информацию по телефону 8(499) 201-22-47.
Скидки и оптовые цены обсуждаются индивидуально.
Гарантия на электропривод Belimo SY12-230A-3-T – 5 лет. Паспорт и сертификат соответствия прилагаются.

Скачать PDF (420 Кбайт)
Сертификат BELIMO (775 Кбайт)