
Электроприводы Belimo | Приводы Belimo | Сервоприводы Belimo
127106, Россия, г.Москва, Нововладыкинский пр., д.8, стр.4, офис 100.
Тел.: 8 (800) 201-64-80 Еmail: belimo@rusmark.ru
Привод предназначен для установки на поворотную дисковую заслонку затвора BELIMO SY11-230A-3-T.
| Технические параметры | |
|---|---|
| Напряжение (номинальное) | 230 V ~ 50/60 Hz |
| Напряжение (номинальное), диапазон | от 198 до 253 V ~ |
| Мощность (расчётная) | См «Обзор типов» |
| Потребление мощности | См «Обзор типов» |
| Дополнительные переключатели | Однополосные с двойным переключением (2), 5 А I |
| Настройка переключения (шаг) | диапазон настройки 90 ° |
| Подключение | Клеммы 2*1,5 мм² / 1*2,5 мм² |
| Параллельное подключение | Не предусмотрено |
| Функциональные параметры | |
| Крутящий номинальный момент | См «Обзор типов» |
| Управление вручную | Временное с помощью колеса |
| Угол поворота | 90 ° (ограничивается внутренними концевыми выключателями) |
| Продолжительность поворота | См «Обзор типов» |
| Цикл рабочий | 30% (например 17 с / 40 с) |
| Шум | Max 70 dB |
| Индикатор положения | Встроенный указатель механического типа |
| Безопасность | |
| Безопасность (класс) | I (заземление) |
| Защита корпуса | IP67 |
| Допустимый диапазон температуры окр. среды | от –20 до +65° С |
| Рабочая температура устройства (в затворе дисковом) | от –20 до +100° С |
| Условия хранения (температура) | от –30 до +80° С |
| Условия хранения (влажность) | 95% относительная, без конденсации |
| Тех. обслуживание | Нет необходимости |
| Материал (корпус) | Алюминий (литой) |
| Размерные параметры | |
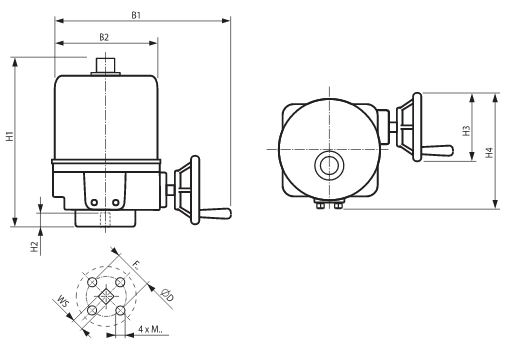
| Размерные параметры | См. на след. странице |
| Вес устройтсва | См «Обзор типов» |
Особенности изделия
Элементарная установка
Привод устанавливается непосредственно на заслонку, что значительно упрощает процесс монтажа. Положение монтажа относительно заслонки предусматривает шаг 90.
Управление вручную
Открытие и закрытие затвора происходит за счёт поворота колеса стрелки. Когда двигатель приводится в активность колесо остается в состоянии покоя. Диск меняет свое положение только после подачи напряжения на электропривод.
Обогреватель
В приводе поворотного типа предусмотрена функция внутреннего подогрева, что предотвращает скопление и конденсацию влаги внутри электропривода.
Безопасность эксплуатации устройства
Угол вращения устройства находится в пределах от –2° до 92 ° . Прерывание подачи электричества к приводу осуществляют концевые выключатели. Также предусмотрена функция автоматического выключения электропривода при температуре 135оС, что позволяет избежать перегрузки устройства.
Меры предосторожности
Электропривод может быть использован в отопительных, вентиляционных системах, системах кондиционирования.
Вскрывать устройство можно только на заводе-изготовителе. Запрещено ремонтировать и вмешиваться в устройство привода.
Купить электропривод БЕЛИМО SY11-230-3-T, узнать его стоимость можно по телефону: 8 (499) 201-22-47
Скидки и цены на оптовые закупки на электропривод БЕЛИМО SY11-230-3-T обсуждаются в индивидуальном порядке.
На привод предусмотрена гарантия 5 лет, в комплектацию входит сертификация и паспорт устройства.


Скачать PDF (216 Кбайт)
Сертификат BELIMO (775 Кбайт)