
Электроприводы Belimo | Приводы Belimo | Сервоприводы Belimo
127106, Россия, г.Москва, Нововладыкинский пр., д.8, стр.4, офис 100.
Тел.: 8 (800) 201-64-80 Еmail: belimo@rusmark.ru
Электрический привод BELIMO SY10-230A-3-T предназначен для дисковых затворов, запирающих напор холодной и горячей воды. Степень защиты IP67.
|
Электрические параметры |
|
|
Номинальное напряжение |
230 В |
|
Номинальная частота напряжения |
50/60 Гц |
|
Номинальный диапазон напряжения |
AC 207...253 V |
|
Потребляемая мощность при работе |
220 Вт |
|
Потребляемая мощность при эксплуатации |
Включая внутренний обогрев |
|
Потребляемая мощность в покое |
4.8 Вт |
|
Расчетная мощность |
460 ВА |
|
Потребление тока |
2 A |
|
Вспомогательный выключатель |
2 x SPDT, 1 x 3° / 1 x 87° |
|
Коммутационная способность выключателей |
1 mA...5 (3 индуктивный) A, DC 5 V...AC 250 V |
|
Подключение питания/контроль |
Клеммы 1 х 2,5 мм2/ 2 х 1,5 мм2 |
|
Параллельное подключение |
Невозможно |
|
Функциональные параметры |
|
|
Номинальное поворотное усилие |
2500 Нм |
|
Ручное управление |
Временное с помощью маховика |
|
Угол поворота |
90° |
|
Ограничение угла поворота |
Внутренние концевые выключатели |
|
Время поворота |
70 с |
|
Рабочий цикл |
30 % (70 с /233 с) |
|
Уровень шума двигателя |
Max 70 дБ |
|
Индикатор положения |
Встроенный механический указатель |
|
Безопасность |
|
|
Класс защиты |
I (с заземлением) |
|
Степень защиты |
IP67 |
|
EMC |
CE согласно 2004/108/EC |
|
Контроль степени загрязнения |
4 степень |
|
Температура окружающей среды |
- 30 ... 65°C |
|
Температура хранения |
- 30 ... 80°C |
|
Влажность воздуха |
95% отн., без конденсации |
|
Техническое обслуживание |
Не нужно |
|
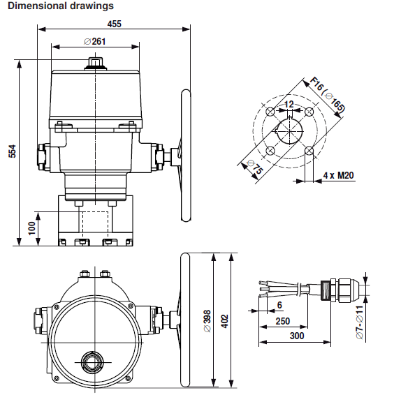
Габариты |
|
|
Вес, кг |
72 |
|
Материалы |
|
|
Корпус |
Алюминий литой |
Принцип действия
Электрический привод модели BELIMO SY10-230A-3-T приводит в действие дисковые затворы систем подачи холодной и горячей воды. 2-х проводная схема напряжения электропривода при помощи стандартных сигналов устанавливает затвор в требуемое положение.
Монтаж привода осуществляется прямо на поворотную заслонку с шагом 90 градусов.
Высокая функциональная надежность устройства
Ограничение угла поворота максимально до 90 градусов обеспечивается за счет концевых выключателей, прерывающих питание. Для защиты двигателя от перегрузки подача электропитания термостатом прекращается по достижению температуры свыше 135°С.
Встроенный обогреватель
Для предотвращения внутренней конденсации влаги в электроприводе предусмотрена функция внутреннего подогрева.
Ручное управление
Открытие дискового затвора осуществляется поворотом колеса электропривода Belimo SY10-230A-3-T против часовой стрелки, закрытие – поворотом по часовой стрелке. Предусмотрен механический тип индикации положения, указатель положения находится на верхней части корпуса электропривода.
В устройстве не предусмотрены элементы, которые могут быть заменены или отремонтированы.
Узнать более подробную информацию и стоимость, а также индивидуальные условия поставок и скидки на приводы BELIMO SY10-230A-3-T Вы можете у наших менеджеров по телефону 8 (499) 201-22-47.
На поворотный привод клапана BELIMO SY10-230A-3-T распространяется 5 лет гарантии с момента продажи, а также сертификат соответствия и паспорт изделия.

Скачать PDF (420 Кбайт)
Сертификат BELIMO (775 Кбайт)