
Электроприводы Belimo | Приводы Belimo | Сервоприводы Belimo
127106, Россия, г.Москва, Нововладыкинский пр., д.8, стр.4, офис 100.
Тел.: 8 (800) 201-64-80 Еmail: belimo@rusmark.ru
Привод для установки на дисковый поворотный затвор, IP67.
Поворотный электропривод BELIMO SY3-24-3-T приведение в действие дисковых затворов.
| Номинальное напряжение | 24 В ~ 50/60 Гц |
| Диапазон напряжения питания | 19,2...28,8 В~ |
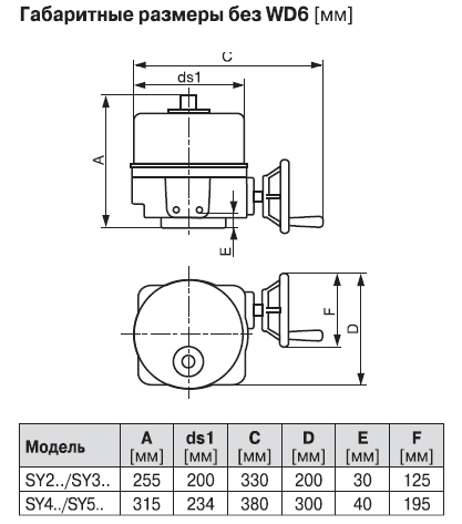
| Расчетная мощность | см. таблицу внизу |
| Потребляемая мощность | см. таблицу внизу |
| Соединение | Клеммы, 2х 1,5 мм2 или 1х 2,5 мм2 |
| Вспомогательный переключатель | 2 однополюсных с двойным переключением, 3А,250В~ |
| Точка переключения | Настраивается |
| Крутящий момент | см. таблицу внизу |
| Ручное управление | Временное при помощи колеса (не вращается) |
| Угол поворота | 90°( внутренние концевые выключатели) |
| Время поворота | см. таблицу внизу |
| Индикация положения | Внутреннее сморовое окно наверху |
| Класс защиты | III для низких напряжений |
| Степень защиты | IP 67 |
| Температура окружающей среды | –20...+65 °С |
| Температура теплоносителя | –20...+100°C (дисковый затвор) |
| Температура хранения | –30...+80°C |
| Электромагнитная совместимость | Соотв. 89/336/ЕЕС, 93/68/ЕWG по СЕ |
| Техническое обслуживание | Не требуется |
| Вес | см. таблицу внизу |
Принцип действия
Привод для клапанов BELIMO типа Бабочка SY3-24-3-T управление открыто/закрыто осуществляется по двухпроводной схеме напряжением 24 В~ или 230 В~.
Особенности изделия
Простой монтаж: Простая прямая установка на дисковую поворотную заслонку. Положение установки по отношению к поворотной заслонке может выбираться с шагом 90°.
Надежность функционирования: Внутренние концевые выключатели прерывают подачу питания на двигатель. Термостат двигателя обеспечивает дополнительную защиту от перегрузки, так как он тоже прерывает подачу питания при температуре 135°С.
Внутренний подогрев: Внутренний подогрев предотвращает образование конденсата внутри корпуса электропривода.
Ручное управление: Ручное управление поворотный электропривод Belimo SY3-24-3-T для дисковых затворов осуществляется при помощи гаечного ключа. Поворот гаечного ключа по часовой стрелке приводит к открытию затвора.
Индикация положения: Механическая.
Указания по безопасности
Поворотный электропривод Белимо SY3-24-3-T не содержит компонентов, подлежащих замене или ремонту.
Купить привод БЕЛИМО SY3-24-3-T а также запросить его цену и стоимость вы можете позвонив по телефону: 8 (499) 201-22-47
Скидки и оптовые цены на электропривод БЕЛИМО SY3-24-3-T мы обсуждаем индивидуально.
На поворотный привод клапана BELIMO SY3-24-3-T распространяется 5 лет гарантии с момента продажи, а также сертификат соответствия и паспорт изделия.


Скачать PDF ( 416 Кбайт)
Сертификат BELIMO (775 Кбайт)