
Электроприводы Belimo | Приводы Belimo | Сервоприводы Belimo
127106, Россия, г.Москва, Нововладыкинский пр., д.8, стр.4, офис 100.
Тел.: 8 (800) 201-64-80 Еmail: belimo@rusmark.ru
Электропривод для управления противопожарными нормально открытыми (огнезадерживающими) клапанами небольших размеров, установленными в системах кондиционирования, общеобменной, местной и технологической вентиляции. Совмещенный с термоэлектрическим выключающим устройством с кнопкой тестирования BAE72В-S.
Электропривод BELIMO BLF24-T предназначен для управления противопожарными нормально открытыми (огнезадерживающими) клапанами, установленными в системах кондиционирования, общеобменной, местной и технологической вентиляции. Совмещенный с термоэлектрическим выключающим устройством с кнопкой тестирования BAE72В-S.
| Электрические параметры | |
|---|---|
| Номинальное напряжение | 24 В~ 50/60 Гц 24= |
| Диапазон номинального напряжения | 19,2…28,8 В~ 21,6…28,8 В= |
| Расчетная мощность | 7 ВА I макс. 5,8 А при t = 5 мс |
| Потребляемая мощность во время работы двигателя при удержании |
5 Вт 2,5 Вт |
| Соединение питание вспомогательные переключатели Кабель: |
1 м, 2 х 0,75 мм2 1 м, 6 х 0,75 мм2 |
| Вспомогательные переключатели - точки переключения 2 однополюсных с двойным переключением |
1 мА…3 A (0,5 A), 5 В=…250 В~ 5° , 80° |
| Функциональные данные | |
| Крутящий момент: двигатель пружина |
Мин. 6 Нм Мин. 4 Нм |
| Температура срабатывания выключателей | Tf1: температура снаружи воздуховода 72°С Tf2+ Tf3: температура внутри воздуховода 72°С |
| Направление вращения | Выбирается установкой L/R |
| Угол поворота | Макс. 95°, (включая 5° предварительного взвода пружины на заводе изготовителе) |
| Индикация положения | Механический указатель |
| Вращение клапана | Через передающее звено 12 мм (возможно 10 мм с адаптером) |
| Время поворота: двигатель пружина |
40…75 с (0…6 Нм) ≈20 с при –20…+50°С / max. 60 с при –30 °С |
| Уровень шума: двигатель пружина |
Макс. 45 дБ ≈62 дБ |
| Безопасность | |
| Класс защиты | III (для низких напряжений) |
| Степень защиты корпуса | IP54 |
| Безопасная температура | Защитное положение заслонка занимает при температуре окружающей среды выше +75° С |
| Температура окружающей cреды | –30° ... +50 °C |
| Температура хранения | –40° ... +50 °C |
| Техническое обслуживание | Не требуется |
| Размеры / вес | |
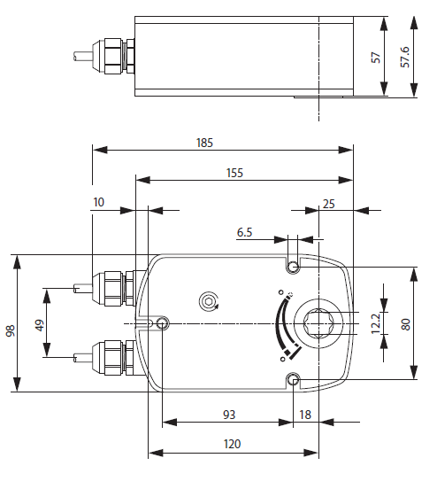
| Размеры | См. на след. странице |
| Вес | 1600 г |
Принцип действия
При перемещении заслонки клапана в нормальное рабочее положение в электроприводе воздушной заслонки Belimo BLF24-T взводится возвратная пружина. При прекращении подачи питания энергия, запасенная в пружине, возвращает заслонку в защитное положение.
Термовыключатель BAE72B-S
Термовыключатель Tf1 срабатывает, если температура окружающей среды превышает 72°С. Заменяемый термовыключатель Tf2/Tf3 срабатывает, если температура воздуховода превышает 72°С. Оба устройства вызывают постоянное отключение электропитания так, что включение электропривода уже невозможно.
Светодиод светится в случае:
Примечание: Tf1 нельзя перенастраивать или изменять.
Сигнализация положений
Электропривод воздушной заслонки Белимо BLF24-T содержит два фиксированных микропереключателя для сигнализации конечных положений заслонки клапана.
Промежуточное положение заслонки клапана определяется по механическому указателю на электроприводе.
Ручное управление
Возможно ручное управление клапаном, а также фиксирование его в любом положении. Разблокировка осуществляется либо вручную, либо автоматически при подаче питания на Belimo BLF24-T поворотный привод Белимо.
Примечание
Привод воздушной заслонки Белимо BLF24-T поставляются только заводам – изготовителям противопожарных и дымовых клапанов.
Купить привод БЕЛИМО BLF24-T а также запросить его цену и стоимость вы можете позвонив по телефону: 8 (499) 201-22-47
Скидки и оптовые цены на электропривод БЕЛИМО BLF24-T мы обсуждаем индивидуально.
На привод воздушной заслонки BELIMO BLF24-T распространяется 5 лет гарантии с момента продажи, а также сертификат соответствия и паспорт изделия.

Скачать PDF (318 Кбайт)
Сертификат BELIMO (775 Кбайт)