
Электроприводы Belimo | Приводы Belimo | Сервоприводы Belimo
127106, Россия, г.Москва, Нововладыкинский пр., д.8, стр.4, офис 100.
Тел.: 8 (800) 201-64-80 Еmail: belimo@rusmark.ru
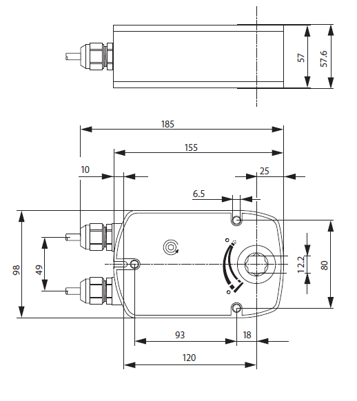
Электропривод для управления противопожарными клапанами огнезадерживающими (нормально открытыми) небольших размеров, которые устанавливаются в общеобменной системе, технологической и местной вентиляции, а так же системах кондиционирования.
Электропривод BELIMO BLF24 предназначается для управления огнезадерживающими нормально открытыми противопожарными клапанами, которые устанавливаются в системах местной, общеобменной и технологической вентиляции, а так же системах кондиционирования.
| Электропривод белимо технические характеристики: | |
|---|---|
| Напряжение (номинальное) | 24 V~ 50/60 Hz 24= |
| Номинальное напряжение в диапазоне | 19,2…28,8 V~ 21,6…28,8 V= |
| Мощность расчетная | 7 ВА I max. 5,8 A при t = 5 ms |
| Мощность двигателя, потребляемая при работе (удержании) |
5 Wt 2,5 Wt |
| Питание соединение Переключатели (вспомогательные) Кабель: |
1 m, 2 х 0,75 mm2 1 m, 6 х 0,75 mm2 |
| Переключатели (Вспомогательные) - переключающие точки 2-ух однополюсных с 2-ным переключением |
1 mA…3 A (0,5 A), 5 V=…250 V~ 5°, 80 |
| Данные (функциональные) | |
| Крутящий момент: пружина двигатель |
Min. 6 Nm Min. 4 Nm |
| Направление вращением | Задается установкой L/R |
| Поворот (Угол) | Max. 95°, (предусмотрены 5° взвода пружины, предварительно установленные на заводе изготовителе) |
| Положение (Индикация) | Указатель механический |
| Заслонка (вращение) | С помощью передающего звена 12 mm (10 mm с адаптером) |
| Поворот (время): двигатель пружина |
40…75 s (0…6 Нм) ≈20 s при –20…+50 °C / max. 60 s при –30 °C |
| Уровень шума: двигатель пружина |
Макс. 45 Db ≈62 Db |
| Безопасность | |
| Класс защиты | 3 (для низких напряжений) |
| Корпус: защиты степени | IP54 |
| Безопасная температура | Если температура окружающей среды превышает +75° С заслонка принимает защитное положение. |
| Температура окружающей cреды | от –30° до +50 °C |
| хранение (температура) | от -40° до +80 °C |
| обслуживание (техническое) | Не требуется |
| Вес | |
| Вес | 1540 g |
Принцип работы:
Когда заслонка клапана перемещена в рабочее положение (нормальное) в электроприводе воздушной заслонки Belimo BLF24 возвратная пружина взводится. Когда подача питания прекращается, энергия, накопленная в пружине, производит возврат заслонки в положение (защитное).
Сигнализация положений привода
Электропривод воздушной заслонки Белимо BLF24 содержит 2 микропереключателя (фиксированных) для сигнализации заслонки клапана в конечных положениях.
Механический указатель электропривода определяет положение заслонки клапана(промежуточное).
Управление (ручное)
Возможно фиксирование клапана, а также его ручное управление в любом положении. Осуществить разблокировку можно как в ручную, так и автоматически при подаче питания на поворотный привод Belimo BLF24.
Примечания:
Поставка привода воздушной заслонки Белимо BLF24 осуществляется только заводам – изготовителям дымовых и противопожарных клапанов.
Запросить цену и стоимость, а также купить привод БЕЛИМО BLF24 вы можете позвонив по телефону: +7(499)201-22-47
Узнать информацию про клапан белимо с электроприводом цена которого будет снижена, Вы можете у наших специалистов.
Оптовые цены и скидки на электропривод БЕЛИМО BLF24 обсуждаются в индивидуальном порядке.
Гарантия, сертификат соответствия и паспорт изделия на привод воздушной заслонки BELIMO BLF24 распространяется в течении5 лет с момента продажи.
Электропривод белимо с возвратной пружиной цена на который снижена, благодаря системе индивидуальной скидки, Вы можете в ООО «МАРК»

Скачать PDF (275 Кбайт)
Сертификат BELIMO (775 Кбайт)