
Электроприводы Belimo | Приводы Belimo | Сервоприводы Belimo
127106, Россия, г.Москва, Нововладыкинский пр., д.8, стр.4, офис 100.
Тел.: 8 (800) 201-64-80 Еmail: belimo@rusmark.ru
Электропривод для контроля противопожарных нормальных открытых (огнезадерживающих) клапанов небольшого размера, установленных в системе общеобменной, кондиционирования, технологической и местной вентиляции.
Электропривод BELIMO BLF230 предназначается для контроля противопожарных нормальных открытых (огнезадерживающих) клапанов, установленных в системе общеобменной, кондиционирования, технологической и местной вентиляции.
| Электрические характеристики | |
|---|---|
| Величина номинального напряжения | 230 V~ 50/60 Hz |
| Диапазон напряжения (номинальное) | от 198 до 264 V~ |
| Величина расчетной мощности | 7 VA I max 150 mA при t = 10 ms |
| Величина потребляемой мощности: - при работе двигателя - во время удержания |
3 W 6 W |
| Тип соединения: - питание - вспомогательные переключатели |
Кабель: 1 m, 2 х 0,75 mm2 1 m, 6 х 0,75 mm2 |
| Тип вспомогательных переключателей - точки переключения |
два с двойным переключением однополюсных от 1 mA до 3 A (0,5 A), от 5 V= до 250 V~ 5°, 80 |
| Функциональные характеристики | |
| Величина крутящего момента: - двигатель - пружина |
Min 4 Nm Min 6 Nm |
| Направление вращения | Выбирается при установке L/R |
| Величина угла поворота | Max 95°, (учитывая 5° взвода пружины на заводе изготовителя) |
| Индикатор положения | Мех. указатель |
| Вращение заслонки | По средством передающего звена 12 mm (возможно с адаптером 10 mm) |
| Время поворота -пружина -двигатель |
≈20 s при от –20 до +50 °С / max 60 s при –30 °С от 40 до 75 s (от 0 до 6 Nm) |
| Макс. уровень шума -пружина -двигатель |
≈62 dB Max 45 dB |
| Уровень безопасность | |
| Степень защиты | все изолировано - II |
| Класс защиты корпуса | IP54 |
| Безопасная темп. | Защитное положение заслонка занимает при температуре окружающей среды выше +75° С |
| Темп. окр. cреды | от –30° до +50 °C |
| Темп. хранения | от –40° до +80 °C |
| Тех. обслуживание | Не нуждается |
| Габариты / масса | |
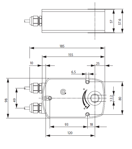
| Габариты | Смотрите на следующей странице |
| Массы | 1680 g |
Основы принципа действия
Перемещение заслонки клапана в стандартную рабочее позицию в приводе воздушной заслонки Belimo BLF230 взводит возвратную пружину. При прекращении питания энергия в пружине устанавливает заслонку в защитную позицию.
Сигнализация позиций
Привод воздушной заслонки Белимо BLF230 оснащен двумя фиксированными микропереключателями для обозначения конечных позиций заслонки крана.
Средняя позиция заслонки клапана обозначена на механическом указателе на электроприводе.
Наличие ручного управления
Возможность ручного управления клапаном, а также фиксация его в любой позиции. Снятие блокировки осуществляется вручную или автоматически после подачи питания на поворотный привод Belimo BLF230.
Примечание
Электропривод Белимо BLF230 поставляется только заводом – изготовителем дымовых и противопожарных клапанов.
Заказать привод БЕЛИМО BLF230, а также узнать его стоимость вы можете по номеру: 8 (499) 201-22-47
Оптовая цена и скидки для электропривода БЕЛИМО BLF230 обсуждаются индивидуально.
Для привода воздушной заслонки BELIMO BLF230 действует пять лет гарантии с даты продажи, а также паспорт изделия и сертификат соответствия.

Скачать PDF (274 Кбайт)
Сертификат BELIMO (775 Кбайт)