
Электроприводы Belimo | Приводы Belimo | Сервоприводы Belimo
127106, Россия, г.Москва, Нововладыкинский пр., д.8, стр.4, офис 100.
Тел.: 8 (800) 201-64-80 Еmail: belimo@rusmark.ru
Электропривод Belimo BFN230 для установки на нормально-открытые огнезадерживающие краны небольшого размера. Применяется в кондиционировании и разного типа вентиляции воздуха в помещениях. Со возвратной пружиной и переключателями.
|
Параметры электричества |
|
|
Uном |
230 В; интервал Uном 198 – 264 В |
|
Частота тока |
50/60 Гц |
|
Расчетное значение N |
9 ВА, при Iмакс = 4 A при t = 5 мс |
|
Потребление N |
4,5 Вт – во время работы 2 Вт – во время удержания |
|
Присоединение (безгалогеновый кабель) |
К источнику питания: длина 1 м, 6×0,75 мм2 |
|
Переключатели (2 однополюсных) |
Двойное переключение; I от 1 мА до 3 A (0,5 A), U = 250 В |
|
Параметры функциональности |
|
|
Момент силы (миним. значение) |
Двигатель – 9 Нм Пружина – 7 Нм |
|
Вращение привода |
Настраивается с помощью установки Left/Right |
|
Управление вручную |
Есть. Функция фиксации положения привода |
|
Максимальный угол поворота |
≤ 95° |
|
Индикатор позиции |
Указатель механический |
|
Способ вращения заслонки |
За счет звена передачи 12 мм |
|
Период срабатывания |
Двигатель: не более 1 мин при угле 90° Пружина: от 20 сек до 1 мин в зависимости от температуры |
|
Допустимый уровень шума |
Двигатель: не более 67 дБ |
|
Параметры безопасности |
|
|
Защита от тока |
Полностью изолирован (2 класс) |
|
Защита корпуса |
IP54 (от установочной позиции не зависит) |
|
Безопасная t |
Заслонка может находиться в защитной позиции при температуре не более 75°C. При повышении температурного режима включается термопредохранитель |
|
t внешней среды |
От –30°C до +55°C |
|
t хранения привода |
От –40°C до +80°C |
|
Тех. поддержка |
Нет |
|
Вес устройства |
1,4 кг |
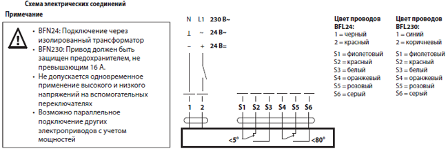
Принцип работы Belimo BFN230
Одновременно с переходом заслонки в рабочую позицию происходит взвод пружины. При аварийном отключении электропитания она вернет заслонку положение защиты.
Возможно управление вручную за счет фиксации привода при любом угле открытия заслонки. Блокировка снимается либо при возобновлении подачи электропитания, либо самостоятельно вручную.
Функция защиты при пожаре
На случай пожара в конструкцию привода Belimo BFN230 встроено устройство Safety Position Lock™, запатентованный для линейки электрических приводов BFN и BFL. При пожаре это технологическое решение обеспечивает максимальный уровень безопасности за счет фиксации заслонки в положении защиты.
Сигнализационная система
Привод BFN230 оснащен 2-мя фиксированными переключателями, которые сигнализируют о достижении финальных позиций. За счет золотого и серебряного покрытий переключатели можно присоединять как в сети с небольшими токами (уровень мА), так и в мощные (уровень А). При этом нужно учитывать, что если на переключатели ранее был подан сильный ток, то на слабые токи они уже не среагируют. Для определения промежуточной позиции заслонки предназначен механический указатель.
Чтобы уточнить цену, а также заказать электропривод Belimo BFN230 Вы можете звонить по телефону 8 (499) 201-22-47.
Скидки и оптовые цены предоставляются после персонального обсуждения.
Гарантия на электропривод Belimo BFN230 – 5 лет. Паспорт и сертификат соответствия прилагаются.


Скачать PDF (112 Кбайт)
Сертификат BELIMO (775 Кбайт)