
Электроприводы Belimo | Приводы Belimo | Сервоприводы Belimo
127106, Россия, г.Москва, Нововладыкинский пр., д.8, стр.4, офис 100.
Тел.: 8 (800) 201-64-80 Еmail: belimo@rusmark.ru
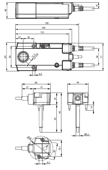
Электропривод Belimo BFL24-T для установки на небольшие огнезадерживающие (нормально-открытые) клапаны в вентиляционных системах разного типа. Оборудован терморазмыкающим устройством BAT, возвратной пружиной и 2-мя дополнительными переключателями.
| Данные по электричеству | |
|---|---|
| Напряжение (Unom) | 24 В АС |
| Интервал напряжения (Unom) | 19,2 - 28,8 В АС / 21,6 - 28,8 В DC |
| Расчетный параметр мощности при калибровке | 4 ВА, Iмакс. = 8,3 A, t = 5 мс |
| Потребление мощностей | 2,5 Вт - при работе 0,8 Вт - вне работы |
|
Способ присоединения |
Кабельное, безгалогеновый кабель: К источнику питания: 1 м, 2 х 0,34 мм2 |
| Параметры переключателей (2 шт.) | 1-полюсные, 2-ое переключение I = 1 ма - 3 A (0,5 A), U = 250 В АС 5° / 80° |
| Длина соединительного кабеля BAT | 50 см |
| Данные по функциональности | |
|
Вращательный момент (минимальное значение) |
Двигатель: 4 Нм Пружина: 3 Нм |
| Поворот привода | Направление задается установкой Lefr/Right |
| Режим ручного управления | Есть. Может фиксироваться в любой позиции |
| Допустимый поворот привода | Максим. угол 95° |
| Период срабатывания | Не более 1 мин. при угле 90° От 20 до 60 сек в зависимости от t (-30 ... +50°С) |
| Допустимый шум при работе | Двигатель: макс. 62 дБ Пружина: макс. 43 дБ |
| Контроль позиции | Индикатор механический |
| Срок эксплуатации | Не менее 60 тыс. позиций охраны |
| Данные по безопасной эксплуатации | |
| t для срабатывания терморазмыкающего устройства | 72°С (внутри и снаружи воздуховода) |
| Класс защиты от поражения током |
3-й класс - экстра-низкие U (привод) 2-й - полная изоляция (переключатели) |
| Протокол защиты корпуса | IP54 (вне зависимости от установочной позиции) |
| t среды для удержания охранной позиции | До +75°С |
| t среды в процессе эксплуатации | Диапазон –30 ... +55°C |
| t для хранения привода вне работы | Диапазон –40 ... +55°C |
| Сервис | Нет |
| Масса привода | 1,2 кг |
Принцип работы электропривода
Работа электропривода Belimo BFL24-T регулируется по схеме Открыто-Закрыто. Одновременно с началом эксплуатации привода и перемещением клапана в рабочую позицию взводится пружина. При отключении электропитания пружина за счет внутренней энергии переместит клапан в базовую защитную позицию.
Привод Belimo BFL24-T оснащен механизмом Safety Position Lock™, специально запатентованным производителем. Механизм обеспечивает максимальную степень защиты в случае пожара за счет надежной фиксации клапана в защитной позиции.
Терморазмыкающее устройство BAT
Электропривод Belimo BFL24-T оснащен терморазмыкающим устройством ВАТ, состоящим их двух предохранителей. Первый предохранитель сработает, как только окружающая температура превысит 72°С, второй - если выше 72°С поднимется температура внутри клапана. При срабатывании обоих предохранителей электропитание отключается, и дальнейшая эксплуатация электропривода невозможна.
Светодиод в системе будет гореть при:
Важно! Терморазмыкающее устройство ВАТ может работать только в том случае, если на электропривод подается электропитание.
Система сигнализации
Электропривод Belimo BFL24-T оснащен 2 переключателями, сигнализирующими о прохождении финальных позиций клапана. За счет покрытия переключателей золотым и серебряным слоем, их возможно включать и в цепи с низкими токами (мА), и в цепи более сильных токов (А). При этом важно учитывать, что если на переключатель уже был подан сильный ток, то на слабые токи он не среагирует. Для определения среднего положения клапана можно воспользоваться механическим индикатором.
Режим ручного управления
Если на электропривод Belimo BFL24-T не подается напряжение, то возможно управление вручную. Реализована возможность блокировки в любой позиции, которая будет снята при подачи напряжения на привод, либо вручную.
Вы можете приобрести электропривод Belimo BFL24-T и уточнить стоимость устройства, позвонив по телефону 8 (499) 201-22-47.
Предоставление скидок и оптовых цен на большие партии привода Belimo BFL24-T обсуждаются в индивидуальном порядке.
Гарантия на электропривод Belimo BFL24-T - 5 лет со дня покупки. К устройству прилагаются сертификат соответствия и технологический паспорт.


Скачать PDF (131 Кбайт)
Сертификат BELIMO (775 Кбайт)