
Электроприводы Belimo | Приводы Belimo | Сервоприводы Belimo
127106, Россия, г.Москва, Нововладыкинский пр., д.8, стр.4, офис 100.
Тел.: 8 (800) 201-64-80 Еmail: belimo@rusmark.ru
Привод противопожарного клапана, Встроенная пружина, IP54. Электропривод для управления противопожарными нормально открытыми (огнезадерживающими) клапанами небольших размеров, установленными в системах кондиционирования, общеобменной, местной и технологической вентиляции.
| Электрические параметры | |
|---|---|
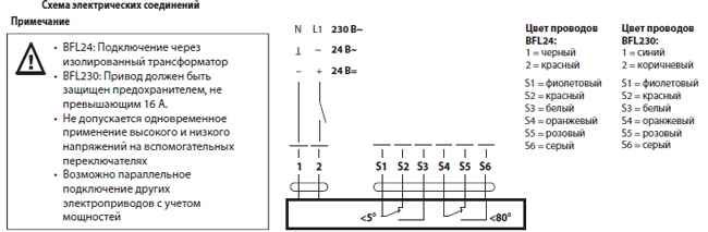
| Номинальное напряжение | 24 В~ 50/60 Гц 24= |
| Диапазон номинального напряжения 1 | 9,2…28,8 В~ 21,6…28,8 В= |
| Расчетная мощность | 4 ВА I макс. 8,3 А при t = 5 мс |
| Потребляемая мощность во время работы двигателя при удержании |
2,5 Вт 0,7 Вт |
| Соединение Кабель безгалогеновый: питание / управление вспомогательные переключатели |
1 м, 2×0,34 мм2 1 м, 6×0,75 мм2 |
| Вспомогательные переключатели — точки переключения |
2 однополюсных с двойным переключением 1 мА…3 A (0,5 A), 250 В~ 5° / 80° |
| Функциональные данные | |
| Крутящий момент: двигатель пружина |
Мин. 4 Нм Мин. 3 Нм |
| Направление вращения | Выбирается установкой L/R |
| Ручное управление | С фиксацией положения |
| Угол поворота | Макс. 95° |
| Индикация положения | Механический указатель |
| Вращение заслонки | Через передающее звено 12 мм |
| Срок службы | Мин. 60000 охранных положений |
| Время поворота: двигатель пружина |
‹60 с / 90° 20 с при –10…+55 °С / ‹60 с при –30...–10 °С |
| Уровень шума: двигатель пружина |
‹43 дБ ‹62 дБ |
| Безопасность | |
| Класс защиты III | (для низких напряжений) |
| Степень защиты корпуса | IP54 в любом положении установки |
| Безопасная температура | Защитное положение заслонка занимает при температуре окружающей среды макс. +75° С, далее срабатывает термопредохранитель |
| Температура окружающей cреды | –30...+55 °C |
| Температура хранения | –40...+80 °C |
| Техническое обслуживание | Не требуется |
| Размеры / вес | |
| Размеры | См. на след. странице |
| Вес | 1,1 кг |
Принцип действия
При перемещении заслонки клапана в нормальное рабочее положение в электроприводе взводится возвратная пружина. При прекращении подачи питания энергия, запасенная в пружине, возвращает заслонку в защитное положение.
Фиксация защитного положения В случае пожара специальный механизм Safety Position Lock™ надежно удерживает противопожарный клапан в защитном положении для обеспечения максимальной безопасности. Техническое решение для этой функции приводов серии BFL и BFN запатентовано.
Сигнализация положений
Привод BFL… содержит два фиксированных микропереключателя для сигнализации конечных положений клапана. Контакты микропереключателей имеют золотое/серебрянное покрытие и позволят включать их как в цепи слабых токов (уровня мА) , так и в мощные цепи (уровня А) исходя из спецификации. Необходимо принимать во внимание, что после подачи на них сильного тока, микропереключатели уже не будут реагировать на слабые токи.
Промежуточное положение заслонки клапана определяется по механическому указателю на электроприводе.
Ручное управление
Возможно ручное управление приводом, а также фиксирование его в любом положении. Разблокировка осуществляется либо вручную, либо автоматически при подаче питания на привод.
Примечание
Электроприводы BFL… поставляются только заводам-изготовителям противопожарных клапанов
Купить привод БЕЛИМО BFL24 а также запросить его цену и стоимость вы можете позвонив по телефону: 8 (499) 201-22-47
Скидки и оптовые цены на электропривод БЕЛИМО BFL24 мы обсуждаем индивидуально.
На привод воздушной заслонки BELIMO BFL24 распространяется 5 лет гарантии с момента продажи, а также сертификат соответствия и паспорт изделия.


Скачать PDF (118 Кбайт)
Сертификат BELIMO (775 Кбайт)