
Электроприводы Belimo | Приводы Belimo | Сервоприводы Belimo
127106, Россия, г.Москва, Нововладыкинский пр., д.8, стр.4, офис 100.
Тел.: 8 (800) 201-64-80 Еmail: belimo@rusmark.ru
Электропривод Belimo BF24-T-ST совмещенный с термоэлектрическим выключающим устройством (72°С) для управления противопожарными нормально открытыми (огнезадерживающими) клапанами, установленными в системах кондиционирования, общеобменной, местной и технологической вентиляции, интегрированный через устройство связи и питания в систему мониторинга и управления или сетевую шину.
|
Электрические параметры
| |
|---|---|
|
Номинальное напряжение
|
24 В~ 50/60 Гц; 24=
|
|
Диапазон номинального напряжения
|
19,2…28,8 В~; 21,6…28,8 В=
|
|
Расчетная мощность
|
10 ВА I макс 8,3 А при t = 5 мс
|
|
Потребляемая мощность:
- во время работы двигателя - при удержании |
7,0 Вт 2,0 Вт |
|
Соединение
питание вспомогательные переключатели |
1 м, 2х0,75 мм2 (безгалагеновые) со штепселем с тремя выходами для подключения к устройству связи и питания 1 м, 6х0,75 мм2 (безгалагеновые) со штепселем с шестью выходами для подключения к устройству связи и питания |
|
Вспомогательные переключатели
точки переключения |
2 однополюсных с двойным переключением 1 мА…6 А, 5 В=…250 В ~
5°, 80° |
|
Температура срабатывания
выключателей |
Tf1: температура снаружи воздуховода 72°С;
Tf2+ Tf3: температура внутри воздуховода 72°С |
|
Функциональные данные
| |
|
Крутящий момент:
- двигатель - пружина |
18 Нм 12 Нм |
|
Направление вращения
|
Выбирается установкой L/R
|
|
Угол поворота
|
Макс. 95° (включая 5° предварительного взвода пружины на заводе изготовителе)
|
|
Индикация положения
|
Механический указатель
|
|
Вращение заслонки
|
Через передающее звено 12 мм (возможно 10 мм с адаптером)
|
|
Время поворота
двигатель пружина |
140 с ≈16 с при 20°С |
|
Уровень шума
двигатель пружина |
макс. 45 дБ ≈62 дБ |
|
Безопасность
| |
|
Класс защиты
|
III (для низких напряжений)
|
|
Степень защиты корпуса
|
IP54 в любом положении установки
|
|
Безопасная температура
|
Защитное положение заслонка занимает при температуре окружающей среды выше +75°С
|
|
Температура окружающей среды
|
-30…+50°С
|
|
Температура хранения
|
-40…+80°С
|
|
Техническое обслуживание
|
Не требуется
|
|
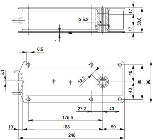
Размеры/вес
| |
|
Размеры
|
Смотри рисунок ниже
|
|
Вес
|
2800 г
|
Основные характеристики электропривода Belimo BF24-T-ST:
Особенности электропривода Belimo BF24-T-ST:
Купить привод БЕЛИМО BF24-T-ST а также запросить его цену и стоимость вы можете позвонив по телефону: 8 (499) 201-22-47
Скидки и оптовые цены на электропривод БЕЛИМО BF24-T-ST мы обсуждаем индивидуально.
На привод воздушной заслонки BELIMO BF24-T-ST распространяется 5 лет гарантии с момента продажи, а также сертификат соответствия и паспорт изделия.


Скачать PDF ( Кбайт)
Сертификат BELIMO (775 Кбайт)