
Электроприводы Belimo | Приводы Belimo | Сервоприводы Belimo
127106, Россия, г.Москва, Нововладыкинский пр., д.8, стр.4, офис 100.
Тел.: 8 (800) 201-64-80 Еmail: belimo@rusmark.ru
Электропривод с возвратной пружиной для плавного управления противопожарными (огнезадерживающими) клапанами, установленными в системах кондиционирования, общеобменной, местной и технологической вентиляции.
| Электрические параметры | |
|---|---|
| Номинальное напряжение | 24 В ~ 50/60 Гц; 24 = |
| Диапазон номинального напряжения | 19,2…28,8 В ~ 21,6…28,8 В = |
| Расчетная мощность | 10 ВА Iмакс 8,3 А при t = 5мс |
| Потребляемая мощность: во время работы двигателя- при удержании- |
7 Вт 2 Вт |
| Соединение: питание- вспомогательные переключатели- Кабель: |
1 м, 4 × 0,75 мм2 1 м, 6 × 0,75 мм2 |
| Вспомогательные переключатели - точки переключения 2 однополюсных с двойным переключением |
1мА…6А (3 А), 5 В=… 250 В ~ 5° , 80 |
| Функциональные данные | |
| Крутящий момент: | двигатель пружина Мин. 18 Нм Мин. 12 Нм |
| Направление вращения | Выбирается установкой L/R |
| Угол поворота | Макс. 95° |
| Управляющий сигнал | 0…10 В= при вх. сопротивлении 100 кОм (0,1 мА) |
| Рабочий диапазон | 2…10 В = (управляющий сигнал Y) |
| Напряжение обр. связи U | 2…10 В= , макс. 0,5 мА (для 0…100 % угла вращения) |
| Равность хода | ±5% |
| Индикация положения | Механический указатель |
| Вращение клапана | Через передающее звено 12 мм (возможно 10 мм с адаптером) |
| Время поворота: | двигатель пружина 150 с 16 с (при t окр.ср = 20°С) |
| Уровень шума: | Двигатель Макс. 45 дБ Пружина 62 дБ |
| Безопасность | |
| Класс защиты | III (для низких напряжений) |
| Степень защиты корпуса | IP54 |
| Безопасная температура | Защитное положение заслонка занимает при температуре окружающей среды выше +75° С |
| Температура окружающей среды Нормальная работа | -30…+50° С |
| Температура окружающей среды Охранное положение | -30…+75° С (24 часа) |
| Температура хранения | -40…+50° С |
| Техническое обслуживание | Не требуется |
| Размеры/вес | |
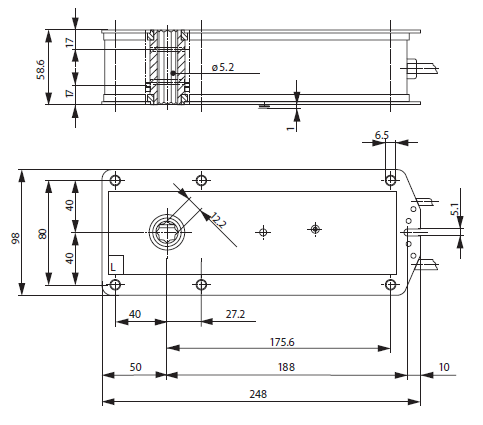
| Размеры | См. на след. странице |
| Вес | 2800 г |
Принцип действия
Электропривод управляется стандартным сигналом 0…10 В =. При перемещении заслонки клапана в нормальное рабочее положение в электроприводе взводится возвратная пружина. При прекращении подачи питания энергия, запасенная в пружине , возвращает заслонку в защитное положение.
Сигнализация положений
Привод BF24-SR содержит два фиксированных микропереключателя для сигнализации конечных положений заслонки клапана.
Промежуточное положение заслонки клапана определяется по механическому указателю на электроприводе .
Ручное управление
Возможно ручное управление заслонкой, а также фиксирование ее в любом положении. Разблокировка осуществляется либо вручную, либо автоматически при подаче питания на привод. Если при наличии питания привод взводится вручную, заслонка перемещается в охранное положение , а затем в положение , продиктованное управляющим сигналом. При этом полное время поворота увеличивается на 100 с, а измеряемое напряжение имеет постоянное значение 2 В.
Примечание
Электроприводы BF24-SR поставляются только заводам-изготовителям противопожарных и дымовых клапанов
Купить привод БЕЛИМО BF24-SR а также запросить его цену и стоимость вы можете позвонив по телефону: 8 (499) 201-22-47
Скидки и оптовые цены на электропривод БЕЛИМО BF24-SR мы обсуждаем индивидуально.
На привод воздушной заслонки BELIMO BF24-SR распространяется 5 лет гарантии с момента продажи, а также сертификат соответствия и паспорт изделия.


Скачать PDF (486 Кбайт)
Сертификат BELIMO (775 Кбайт)