
Электроприводы Belimo | Приводы Belimo | Сервоприводы Belimo
127106, Россия, г.Москва, Нововладыкинский пр., д.8, стр.4, офис 100.
Тел.: 8 (800) 201-64-80 Еmail: belimo@rusmark.ru
Open/Close actuator (AC/DC 24 V).Control by single-pole contact(single-wire control).Running time ‹ 30 s.
| Nominal voltage | AC 24 V 50/60Hz, DC 24 V |
| Nominal voltage range | AC/DC 20.4 ... 28.8 V |
| Fore wire sizing | 15 VA |
| Power consumption | 12 W running / 1.2 W at end position |
| Cable type | C2 |
| Auxiliary switches | 2 x SPDT 6 (3) A, AC 250 V- Switching points 5°, 80° |
| Direction of rotation | selected by mounting L / R |
| Torque | 15 Nm |
| Angle of rotation | 95° |
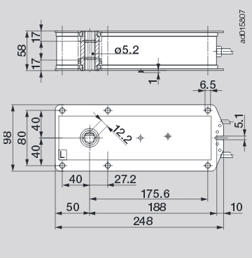
| Damper rotation | 12 mm form-fit |
| Running time | ‹ 30 s |
| Sound power level | 60 dB (A) |
| Service life min. | 10 000 operations |
| Position indicatio | n mechanical with pointer |
| EMC | CE according 89/336/EEC and 92/31/EEC |
| Maintenance | maintenance-free |
| Weight | 2200 g |
| Protection class | III |
| Degree of protection | IP 54 |
| Ambient temperature range | - 30…+50°C |
| Safe temperature | - 30... + 70°C (24h guaranteed safety) |
| Non-operating temperature | - 40...+ 80°C |
| Humidity test | to EN 60335-1 |
| Torque of stoppage | min. 30 Nm (static) |
| Connecting cable | - Motor 1m long, 3 x 0.75mm2 (with plug 3 pole) - Auxiliary switches 1m long, 6 x 0.75mm2 (with plug 3 pole) |
Application
The type BR24-F-ST actuator is intended for the operation of smoke dampers in ventilation and air-conditioning systems.
Note
The modification and mounting of the actuator to the smoke damper are made by the manufacturer of the damper. For this reason the actuator is only supplied directly to fire and smoke damper manufacturers. The manufacturer then bearsoverall responsibility for proper functioningof the damper.
Signalling
There are two fixed microswitches in the actuator BR24-F-ST for indicating the end positions of the damper. Intermediate positions of the damper blade are shown by a mechanical indicator.
Manual operation
The damper can be operated manually by means of a crank handle. The functional check of the damper is therefore possible by simple means.
Important
The actuator BR24-F-ST is compatible with the control unit for pulse triggering BSIA24-48(-R).
Купить привод БЕЛИМО BR24-F-ST а также запросить его цену и стоимость вы можете позвонив по телефону: 8 (499) 201-22-47
Скидки и оптовые цены на электропривод БЕЛИМО BR24-F-ST мы обсуждаем индивидуально.
На привод воздушной заслонки BELIMO BR24-F-ST распространяется 5 лет гарантии с момента продажи, а также сертификат соответствия и паспорт изделия.


Скачать PDF (109 Кбайт)
Сертификат BELIMO (775 Кбайт)