
Электроприводы Belimo | Приводы Belimo | Сервоприводы Belimo
127106, Россия, г.Москва, Нововладыкинский пр., д.8, стр.4, офис 100.
Тел.: 8 (800) 201-64-80 Еmail: belimo@rusmark.ru
Электропривод с пружинным возвратом Belimo BLE24-ST с интегрированной шиной управления SBSE-Control и Ringbus для управления противопожарными нормально-закрытыми клапанами и клапанами дымоудаления систем противодымной вентиляции.
|
Электрические параметры
| |
|---|---|
|
Номинальное напряжение
|
24 В ~ 50/60 Гц
24 В = |
|
Диапазон номинального напряжения
|
19,2…28,8 В ~
21,6…28,8 В = |
|
Пороговое напряжение вкл./выкл.:
мин. вкл. напряжение макс. выкл. напряжение |
19,2 B ~ / 21,6 В= 6,5 B ~ / 6,5 В= |
|
Расчетная мощность
|
9 ВА Iмакс 2,7 А при t = 5мс
|
|
Потребляемая мощность:
- во время вращения - в состоянии покоя |
7,5 Вт <0,5 Вт |
|
Соединение
питание вспомогательные переключатели |
Кабель 1 м, 3х0,75 мм2 Кабель 1 м, 6х0,75 мм2 |
|
Вспомогательные переключатели
точки переключения точность сигнализации |
2 однополюсных с двойным переключением 1 мА…3 А, 5 В=…250 В ~
3°, 87° (относится к 0…90°) ± 2° |
|
Функциональные данные
| |
|
Блокирующий момент:
- динамический - статический |
15 Нм 20 Нм |
|
Крутящий момент
|
15 Нм (номинальное напряжение)
|
|
Направление вращения
|
Выбирается установкой L/R
|
|
Передающее звено
|
12 х 12 мм
|
|
Угол поворота
|
Макс. 105° (включая доп. угол поворота в конечных положениях)
|
|
Индикация положения
|
Механический указатель
|
|
Время поворота
|
<30с для 90°
|
|
Уровень шума
|
Макс. 62 дБ
|
|
Безопасность
| |
|
Класс защиты
|
III (для низких напряжений)
|
|
Степень защиты корпуса
|
IP54
|
|
Температура окружающей среды
|
-30…+50°С
|
|
Температура хранения
|
-40…+80°С
|
|
Техническое обслуживание
|
Не требуется
|
|
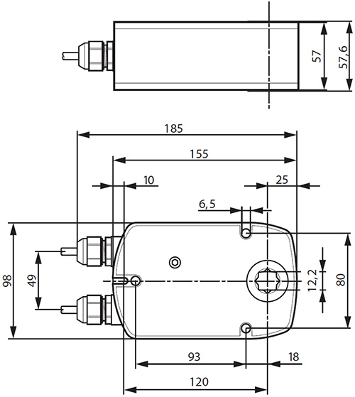
Размеры/вес
| |
|
Размеры
|
Смотри рисунок ниже
|
|
Вес
|
1680 г
|
Основные характеристики электропривода Belimo BLE24-ST:
Особенности электропривода Belimo BLE24-ST:


Купить привод БЕЛИМО BLE24-ST а также запросить его цену и стоимость вы можете позвонив по телефону: 8 (499) 201-22-47
Скидки и оптовые цены на электропривод БЕЛИМО BLE24-ST мы обсуждаем индивидуально.
На привод воздушной заслонки BELIMO BLE24-ST распространяется 5 лет гарантии с момента продажи, а также сертификат соответствия и паспорт изделия.


Скачать PDF ( Кбайт)
Сертификат BELIMO (775 Кбайт)