
Электроприводы Belimo | Приводы Belimo | Сервоприводы Belimo
127106, Россия, г.Москва, Нововладыкинский пр., д.8, стр.4, офис 100.
Тел.: 8 (800) 201-64-80 Еmail: belimo@rusmark.ru
Реверсивный электропривод Belimo BLE24 предназначен для использования в противодымной вентиляции. Устанавливается на противопожарных клапанах дымового и нормально-закрытого типов.
| Электричество | |
|---|---|
| Uноминальное, частота переменного тока | 24В; 50/60 Гц |
| Диапазон значений Uноминальное | 19,2 ~ (21,6 =) … 28,8 В |
| Предельные значения напряжения («Включено» / «Выключено») | 19,2 В / 21,6 (min U при включении) 6,5 В / 6,5 (max U при выключении) |
| Nрасчетная | 9ВА |
| Nпотребляемая | 7,5 Вт – рабочее состояние менее 0,5 Вт – нерабочее состояние |
| Кабельное подключение |
L – 1 м, 3 * 0,75 мм2 - электропитание L – 1 м, 6 * 0,75 мм2 – переключатели вспомог |
| Параметры вспомог переключателей (2 шт.) | Однополюсные, двойное переключение Переключение: от 1мА до 3А, 5 В=… 250 В Точная сигнализация: 3° , 87° отклонение +/- 2° |
| Функциональность | |
| Момент блокировки | В динамике - 15 Нм В статике - 20 Нм |
| Вращающий момент (при Uномин) | 15 Нм |
| Выбор направления вращения | L/R установка |
| Передающее звено для поворота заслонки | 12*12 мм |
| Допустимый поворот привода | Угол - 105° (с учетом доп. угла на конечных позициях) |
| T срабатывания (при 90°) | < 30 c |
| Макс. показания по шуму | Не более 62 dB |
| Безопасность и защита | |
| Защита от поражения током | III класс (небольшие напряжения), IP 54 |
| Температурный диапазон для нормальной работы | От –30 до +50° С |
| Температурный режим хранения | От –40 до +80° С |
| Обслуживание | Нет |
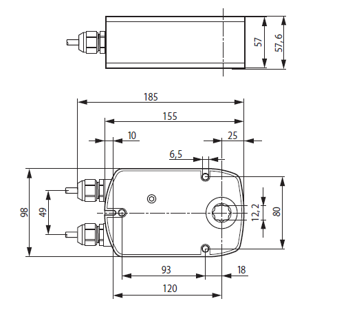
| Габариты | |
| Вес | 1,68 кг |
Принцип работы и управление
Управление приводом Belimo BLE24 2-х позиционное и происходит по 2-х проводной схеме. Привод может длительное время находиться под напряжением в финальных положениях за счет предусмотренной опции защиты от перегрузок.
В электроприводе Belimo BLE24 реализована возможность ручного управления, которое осуществляется при помощи металлического рычага, входящего в базовую комплектацию. При отключении привода от питания с его помощью проводится тестирование противопожарного клапана.
Контроль прохождения конечных положений
2 микроперелючателя в приводе Belimo BLE24 сигнализируют о прохождении клапаном конечных позиций. На приводе размещен специальный механический указатель, определяющий промежуточное положение клапана.
Защитная функция
Защитная функция противопожарных клапанов обеспечивается только в температурном диапазоне внешней среды, показанном на графике (См. рис. ниже)

Для уточнения информации по модели электропривода Belimo BFL230 и оформления заказа звоните по телефону 8 (499) 201-22-47.
Предоставление скидок и оптовых цен обговаривается индивидуально.
На привод Belimo BFL230 распространяется 5-ти летняя гарантия. В комплектацию входят сертификат соответствия и паспорт изделия.

Скачать PDF (242 Кбайт)
Сертификат BELIMO (775 Кбайт)