
Электроприводы Belimo | Приводы Belimo | Сервоприводы Belimo
127106, Россия, г.Москва, Нововладыкинский пр., д.8, стр.4, офис 100.
Тел.: 8 (800) 201-64-80 Еmail: belimo@rusmark.ru
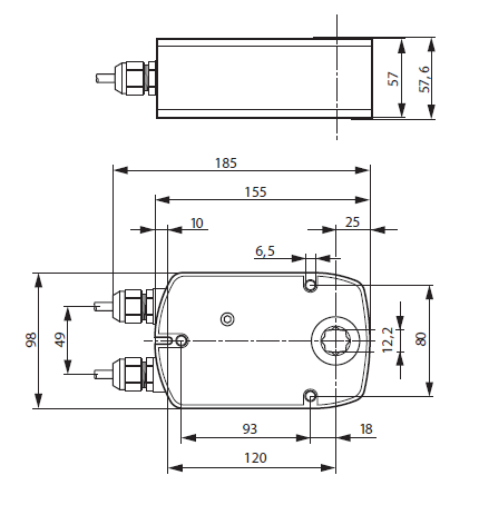
Электропривод Belimo BLE230 применяется в противодымной вентиляции, регулируя работу противопожарных клапанов дымового и нормально-закрытого типов. С дополнительными переключателями.
| Параметры электричества | |
|---|---|
| U номинал / диапазон U | 230 В / от 198 до 264 В |
| Частота тока | 50/60 Гц |
| Предельное U | 198 B – min U включения 100 B – max U выключения |
| Параметры мощности | 12 ВА – расчетное значение
5 В – в процессе работы Менее 1 В – в состоянии покоя |
| Присоединение кабельное | К питанию: длина - 100 см, 3 х 0,75 мм2 Доп. переключатели: длина - 100 см, 6 х 0,75 мм2 |
| Характеристики переключателей (2 шт.) | 1-полюсные, двойное переключение от 1 мА до 3 А, 5 В=…250 В 2° |
| Параметры функциональности | |
| Момент блокировки | 15 Нм, в динамике 20 Нм, в статике |
| Вращающий момент | 15 Нм (при U – 230 В) |
| Вращение привода | Направление вращения настраивается с помощью L/R установки |
| Передающее звено | 12 х 12 мм |
| Допустимый угол вращения | Угол ≤ 105° (включая угол в финальных позициях) |
| Индикатор позиции | Указатель механический |
| Время срабатывания для угла 90° | Менее 30 сек |
| Допустимый уровень шума | Не более 62 дБ |
| Параметры безопасности | |
| Защита от поражения током | Класс II (полная изоляция) |
| Защита корпуса | IP54, от положения установки не зависит |
| Температурный режим внешней среды при работе | От –30 до +50° С. |
| Температурный режим хранения | От –40 до +80° С |
| Поддержка технической службы | Нет |
| Масса | Около 1,68 кг |
Принцип работы
Электропривод Belimo BLE230 управляется по двухпроводной схеме (Открыто/Закрыто). За счет надежной защиты привода от возможных перегрузок, он в течение длительного периода может быть под напряжением в финальных позициях.
Возможно ручное управление электроприводом с помощью металлического рычага, входящего в базовую комплектацию. Рычагом можно также тестировать клапан при отключенном питании.
Сигнализация позиций привода
Электропривод Belimo BLE230 оснащен двумя дополнительными переключателями (фиксированными), которые сигнализируют о прохождении финальных позиций клапана. Для определения промежуточных положений предусмотрен механический указатель.
Защитная функция
Для нормальной работы привода Belimo BLE230 и выполнения защитной функция необходимо соблюдать температурный режим.
Вы можете узнать стоимость и заказать электропривод Belimo BLE230, позвонив по телефону 8 (499) 201-22-47.
Предоставление скидок и специальных цен на большие партии изделия обсуждаются индивидуально.
На электропривод Belimo BLE230 действует гарантия в течение 5 лет. К изделию прилагаются паспорт и сертификат соответствия.

Скачать PDF (161 Кбайт)
Сертификат BELIMO (775 Кбайт)