
Электроприводы Belimo | Приводы Belimo | Сервоприводы Belimo
127106, Россия, г.Москва, Нововладыкинский пр., д.8, стр.4, офис 100.
Тел.: 8 (800) 201-64-80 Еmail: belimo@rusmark.ru
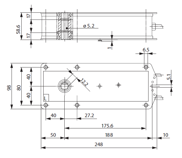
Электрический привод Belimo BЕ24-12 предназначен для регулирования противопожарных клапанов дымового и нормально-закрытого типов в противодымных вентиляционных системах. Не оснащен возвратным механизмом.
| Параметры электричества | |
|---|---|
| Unom | АС/DC 24 В |
| Интервал Unom | АС 19,2 - 28,8 В; DC 21,6 - 28,8 В |
| Частота тока | 50/60 Гц |
| Напряжение пороговое (U) | Min U при включении: AC 19, 2 В/ DC 21,6 В Max U при выключении: АС/DC 6,5 В |
| Расчетный параметр мощности (N) | N = 18 ВА, Imax = 8,2 A при условии t = 5 мс |
| Потребляемые мощности (N) | Во время работы: 12 Вт Вне работы: 0,5 Вт |
| Способ подключения | С помощью кабеля К источнику питания: длина = 100 см, 3 х 0,75 мм2 Переключатели: длина = 100 см, 6 х 0,75 мм2 |
| Характеристики переключателей (2 шт.) | 1-полюсные, 2-ое переключение I = 1 мА ... 6 А, U = DC 5 В ... АС 250 В 3°, 87° (в диапазоне от 0 до 90° ) |
| Погрешность срабатывания сигнализационной системы | +/- 2° |
| Параметры функциональности | |
| Момент блокировки | В динамике: 40 Нм В статике: 50 Нм |
| Вращательный момент (при Unom = 24 В) | 40 Нм |
| Направление движения | Задается при помощи переключателя L / R |
| Звено передачи | 12 х 12 мм |
| Допустимый поворот привода | Max угол 100° (с учетом 5° в финальных позициях) |
| Указатель положения | Индикатор механич. |
| Время срабатывания на 90° | Не более 1 мн |
| Шум при работе двигателя | Не более 62 дБ |
| Параметры безопасной эксплуатации | |
| Класс защиты от поражения током | 3-й - экстра-низкие напряжения |
| Защита корпуса | По протоколу IP54 |
| Температурный режим среды при эксплуатации | Диапазон t от –30°С до +50°С |
| Температурный режим хранения | Диапазон t от –40°С до +80°С |
| Сервисная поддержка | Нет необходимости |
| Вес привода | 2,7 кг |
Принцип функционирования и управления
Управление электроприводом Belimo BЕ24-12 - двухпозиционное, осуществляется через двухпроводную схему. Электропривод может долгое время оставаться в финальных позициях под напряжением, благодаря высокой степени защиты от перегрузок в процессе эксплуатации.
Сигнализационная система
В конструкцию электропривода Belimo BЕ24-12 встроены 2 дополнительных фиксированных переключателя, которые сигнализируют о прохождении клапаном финальных позиций. Для определения промежуточной позиции заслонки клапана на корпусе электропривода Belimo BЕ24-12 находится механический указатель.
Управление вручную
В базовую комплектацию электропривода Belimo BЕ24-12 входит металлический рычаг, который позволяет управлять устройством вручную. Также с помощью рычага можно проводить тестировании клапана при отсутствии подачи напряжения.
Защита устройства
Функция защиты устройства может быть обеспечена только в рамках температурного диапазона, отображенного на графике ниже.

Чтобы узнать стоимость электропривода Belimo BЕ24-12 и оформить заказ, Вы можете звонить по телефону 8 (499) 201-22-47.
Предоставление скидок и оптовых цен на электропривод Belimo BЕ24-12 обсуждается в индивидуальном порядке.
Гарантийный срок на электропривод Belimo BЕ24-12 составляет 5 лет с момента приобретения. Технический паспорт и сертификат соответствия прилагаются к устройству.

Скачать PDF (467 Кбайт)
Сертификат BELIMO (775 Кбайт)