
Электроприводы Belimo | Приводы Belimo | Сервоприводы Belimo
127106, Россия, г.Москва, Нововладыкинский пр., д.8, стр.4, офис 100.
Тел.: 8 (800) 201-64-80 Еmail: belimo@rusmark.ru
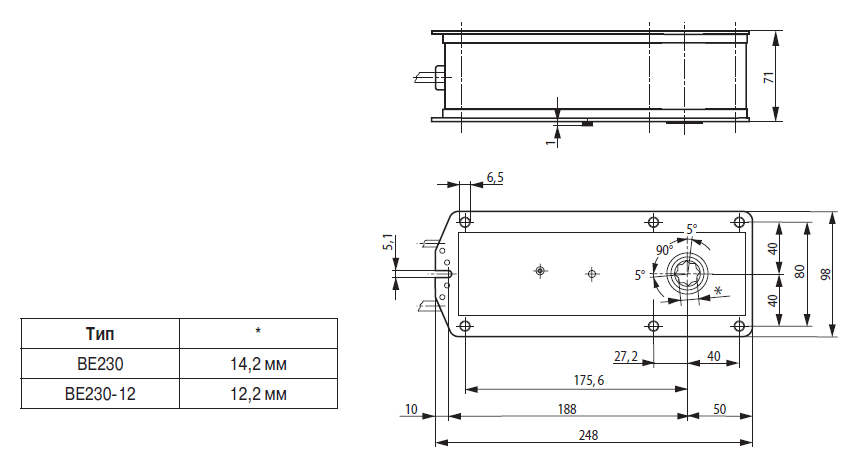
Реверсивный электропривод BELIMO BЕ230 используется в противодымной вентиляции. Устанавливается на противопожарные клапаны нормально-закрытого либо дымового типа. Без возвратной пружины.
| Электричество | |
|---|---|
| U номин. / интервал U номин. | 230 V / 198 – 264 V |
| Частота переменного тока | 50/60 Hz |
| Пороговые значения U | 198 V – min U включения 100 V – max U выключения |
| N расчет. | 15 VA (I макс. 7,9 А при t = 5 мс) |
| N потреб. | 8 W (в состоянии работы) 0,5 W (в нерабочем состоянии) |
| Способ присоединения |
С помощью кабеля Электропитание: длина кабеля – 100 см, 3 х 0,75 мм2 Вспомог. переключатели: длина кабеля – 100 см, 6 х 0,75 мм2 |
| Характеристики вспомог. переключателей | 2 переключателя. Однополюсные с 2-ым переключением Переключение: от 1 мА до 6 А, от 5 V до 250 V 3°, 87° (относится к 0…90°) |
| Функциональность | |
| Момент блокировки | 40 Нм – динамичный 50 Нм - статичный |
| Вращающий момент (для U номин.) | 40 Нм |
| Выбор направления поворота | С помощью установки Left/Right |
| Размеры звена передачи | 1,4 х 1,4 см |
| Максимальный угол поворота | 100° (плюс 5° в финальных положениях) |
| Время срабатывания при угле 90° | Менее 1 мин |
| Допустимый шум при работе | 62 dB |
| Безопасность | |
| Защита от тока | III класс защиты (низкие значения U) |
| Защита корпуса привода | IP54 |
| t внешней среды для нормальной работы | От –30°С до +50°С |
| t хранения | От –40°С до +80°С |
| Обслуживание и поддержка | Не предусмотрены |
| Масса устройства | 2,7 кг |
Управление
2-позиционное управление реверсивным электроприводом BELIMO BЕ230 происходит по 2-проводной схеме «Открыто/Закрыто». За счет предусмотренной системы защиты от перегрузок привод долгое время может находиться в финальных положениях под напряжением.
Ручной режим управления электроприводом BELIMO BЕ230 возможен при помощи специального металлического рычага, который входит в базовую комплектацию устройства. Также при отсутствии подачи электричества на привод рычагом можно тестировать противопожарный клапан.
Индикация положения
Два микропереключателя в приводе BELIMO BЕ230 служат для контроля за прохождением клапаном конечных положений. Для определения средних положений заслонки клапана на корпусе размещен механический указатель.
Функция защиты
Нормальная работа клапана и обеспечение противопожарной функции возможны только температурном диапазоне, отображенных на графике. (См. рис. ниже)

Для уточнения подробной информации и стоимости электропривода BELIMO BЕ230, а также оформления заказа Вы можете звонить по телефону 8 (499) 201-22-47.
На изделия BELIMO BЕ230 возможно предоставление скидок и специальных условий при заказе оптовых партий. Обсуждается индивидуально.
Гарантия на устройство BELIMO BЕ230 – 5 лет со дня покупки. Прилагаются паспорт и сертификат соответствия.
Скачать PDF (249 Кбайт)
Сертификат BELIMO (775 Кбайт)