
Электроприводы Belimo | Приводы Belimo | Сервоприводы Belimo
127106, Россия, г.Москва, Нововладыкинский пр., д.8, стр.4, офис 100.
Тел.: 8 (800) 201-64-80 Еmail: belimo@rusmark.ru
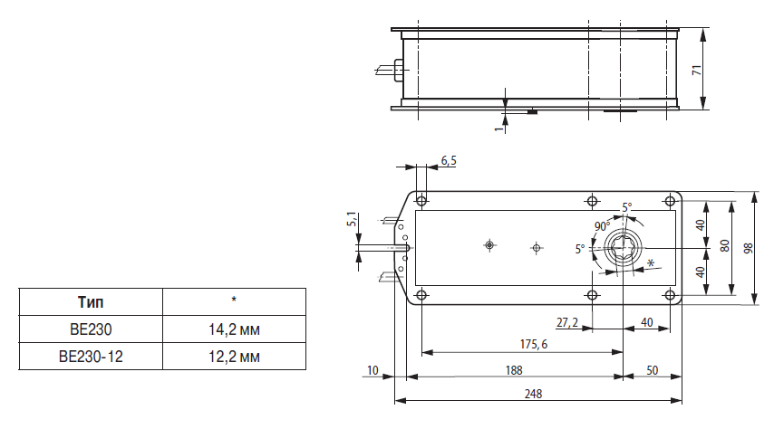
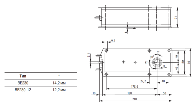
Электропривод Belimo BE230-12 применяется в противодымной вентиляции. Установленный на противопожарные клапаны привод регулирует их открытие. Без возвратной пружины.
| Электричество | |
|---|---|
| Unom / рабочий интервал Unom | 230 В / 198 – 264 В |
| Частота тока | 50/60 Гц |
|
Пороговое значение U |
100 В – макс. выключенное U 198 В – мин. включенное U |
| Параметры мощности (N) | 15 ВА – расчет (сила тока (I) ≤7,9 А при t = 5 мс)
8 Вт – N при работе 0,5 Вт – N в нерабочем состоянии |
| Кабельное присоединение | К источнику электропитания: длина - 100 см, 3 х 0,75 мм2 2 переключателя: длина - 100 см, 6 х 0,75 мм2 |
| Точки подключения вспомог. Переключателей (1-полюсные, переключение двойное) | 1мA - 6A, 5 – 250 В |
| Функциональность | |
| Блокирующий момент | Динамика: 40 Нм Статика: 50 Нм |
| Вращающий момент | 40 Нм |
| Поворот | Направление поворота привода настраивается посредством Left / Right установки |
| Размеры звена передачи | 1,2 х 1,2 см |
| Допустимое вращение привода | Угол ≤ 100°, с учетом 5° в финальной позиции |
| Индикатор позиции | Механический |
| Время срабатывания при угле 90° | Не более 60 с |
| Допустимый уровень шума | Не более 62 дБ |
| Безопасность | |
| Защита от поражения током | II класс – полная изоляция |
| Защита корпуса | IP54 |
| Температура внешней среды | Мин. –30°С; макс. +50°С – стандартный режим работы Температура в защитной функции см. в разделе «Описание» |
| Температура в нерабочем состоянии | Мин. –40°С; макс. +80°С |
| Технич. поддержка | Не предусмотрено |
| Масса | 2,7 кг |
Принцип функционирования
Управление электроприводом Belimo BE230-12 происходит по двухпроводной схеме Открыто/Закрыто. За счет того, что привод надежно защищен от возможности перегрузки, он длительное время может оставаться в финальной позиции под напряжением.
Сигнализационная система позиций
Фиксированные микропереключатели в количестве двух штук сигнализируют о прохождении клапаном конечных позиций. Среднее положение, в котором находится заслонка, показывает механический указатель.
Управление приводом вручную
Управление вручную электроприводом Belimo BE230-12 возможно с помощью рычага из металла, входящего в базовую комплектацию. Он также позволяет тестировать работу клапана при отключенном питании.
Защита термоизоляцией
Защитная функция электропривода Belimo BE230-12 обеспечивается только в пределах температур, отображенных на графике ниже.

Уточнить стоимость и заказать электропривод Belimo BE230-12 Вы можете, позвонив по телефону 8 (499) 201-22-47.
Предоставление скидок и оптовых цен обсуждается в индивидуальном порядке.
На электропривод Belimo BE230-12 действует гарантия в течение 5 лет со дня покупки. К изделию прилагаются технический паспорт и сертификат соответствия.
Скачать PDF (249 Кбайт)
Сертификат BELIMO (775 Кбайт)