
Электроприводы Belimo | Приводы Belimo | Сервоприводы Belimo
127106, Россия, г.Москва, Нововладыкинский пр., д.8, стр.4, офис 100.
Тел.: 8 (800) 201-64-80 Еmail: belimo@rusmark.ru
Полнооборотный электропривод для управления воздушными заслонками в системах вентиляции и кондиционирования воздуха зданий.
Полнооборотный электропривод BELIMO LU24A-SR для управления воздушными заслонками в системах вентиляции и кондиционирования воздуха зданий.
| Электрические параметры | |
|---|---|
| Номинальное напряжение | 24 В ~ 50/60 Гц ; 24 В= |
| Диапазон номинального напряжения | 19,3 ...28,8 В ~/= |
| Расчетная мощность | 3 ВА |
| Потребляемая мощность: во время вращения в состоянии покоя |
1,5 Вт 0,5 Вт |
| Соединение Кабель: | 1 м, 4 × 0,75 мм ² |
| Поворотное усилие | Мин. 3 Нм при номинальном напряжении |
| Функциональные данные | |
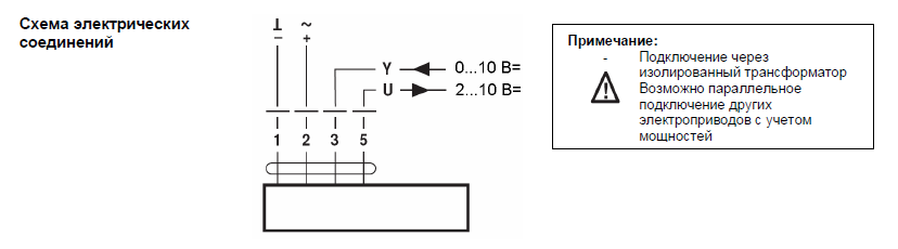
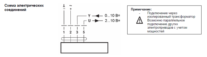
| Управляющий сигнал | 0...10 В= при входном сопротивлении 100 кОм |
| Рабочий диапазон | 2...10 В= для углa поворота 0...330° |
| Сигнал обратной связи | 2...10 В= , макс. 1 мА |
| Точность позиционирования | ± 5% |
| Направление вращения | Реверсивное переключателем |
| Направление вращения при Y=0 B | Зависит от переключателя 0 соотв. 1 |
| Ручное управление | Редуктор выводится из зацепления при помощи кнопки с самовозвратом |
| Угол поворота | Постоянный 0...330° |
| Время поворота | 150 с / 360° |
| Уровень шума | Макс. 35 дБ |
| Безопасность | |
| Класс защиты | III ( для низких напряжений ) |
| Степень защиты корпуса | IP 54 в любом положении установки |
| Температура окружающей среды | -30...+50° С |
| Температура хранения | -40...+80° С |
| Влажность окружающей среды | 95% отн., не конденсир. |
| Техническое обслуживание | Не требуется |
| Размеры/вес | |
| Размеры | См. на след. странице |
| Вес | 650 г |
Управление
Электропривод воздушной заслонки Belimo LU24A-SR управляется стандартным управляющим сигналом 0…10 В=. Он открывается до положения, продиктованного сигналом. Измеряемое напряжение U позволяет отображать действительное положение электропривода электрическим способом, а также управлять другими электроприводами
Простая установка
Электропривод воздушной заслонки Белимо LU24A-SR простая установка непосредственно на вал заслонки сечения 12х12 или 8х8 мм. Привод может также быть оснащен передающим звеном 10х10 мм или универсальным захватом 8…12 мм.
Ручное управление
Привод воздушной заслонки Белимо LU24A-SR возможно ручное управление при помощи кнопки с самовозвратом (при нажатой кнопке редуктор выводится из зацепления)
Высокая функциональная надежность
Belimo LU24A-SR поворотный привод Белимо защищен от перегрузки, не требует конечных выключателей и останавливается автоматически при достижении конечных положений.
Купить привод БЕЛИМО LU24A-SR а также запросить его цену и стоимость вы можете позвонив по телефону: 8 (499) 201-22-47
Скидки и оптовые цены на электропривод БЕЛИМО LU24A-SR мы обсуждаем индивидуально.
На привод воздушной заслонки BELIMO LU24A-SR распространяется 5 лет гарантии с момента продажи, а также сертификат соответствия и паспорт изделия.
| Механические приспособления | |
|---|---|
| Передающее звено 10×10 мм | ZF10 - LU |
| Захват 8...12 мм с защелкой | K-LU |
| Электрические аксессуары | |
| Позиционеры | SGA 24, SGF 24 или SGE24 |
Скачать PDF (130 Кбайт)
Сертификат BELIMO (775 Кбайт)