
Электроприводы Belimo | Приводы Belimo | Сервоприводы Belimo
127106, Россия, г.Москва, Нововладыкинский пр., д.8, стр.4, офис 100.
Тел.: 8 (800) 201-64-80 Еmail: belimo@rusmark.ru
Электропривод для управления воздушными заслонками и заслонками скольжения в системах вентиляции и кондиционирования воздуха зданий.
Электропривод BELIMO LH230ASR200 для управления воздушными заслонками и заслонками скольжения в системах вентиляции и кондиционирования воздуха зданий.
| Электрические параметры | |
|---|---|
| Номинальное напряжение | 100…240 В ~ 50/60 Гц |
| Диапазон номинального напряжения | 85…265 В ~ |
| Расчетная мощность | 5 ВА |
| Потребляемая мощность: - во время движения - в состоянии покоя |
2,5 Вт 1 Вт |
| Соединение: - питание - управление |
Кабель: 1 м , 2 х 0.75 мм ² Кабель: 1 м , 4 х 0.75 мм ² |
| Функциональные данные | |
| Усилие 150 Н | при номинальном напряжении |
| Управление: - управляющий сигнал - рабочий диапазон |
0…10 В= типовое входное сопротивление 100 кОм 2…10 В = - 0…200 мм |
| Длина хода | 200 мм, фиксированная |
| Сигнал обратной связи | 2…10 В=, макс 1 мА |
| Ровность хода | ±5% |
| Направление движения штока Y= 0 B= | Реверсивное, переключателем 1 , 0 |
| Время движения: - LH230ASR60 - LH230ASR100/200 |
90 c / 60 мм 150 с / 100 мм |
| Уровень шума | Макс. 35 дБ |
| Безопасность | |
| Класс защиты | II все изолировано |
| Степень защиты корпуса | IP54 в любом положении установки |
| Температура окружающей cреды | –30 ... +50 °C |
| Температура хранения | –40 ... +80 °C |
| Влажность окружающей среды | 95% отн., не конденсир. |
| Техническое обслуживание | Не требуется |
| Размеры / вес | |
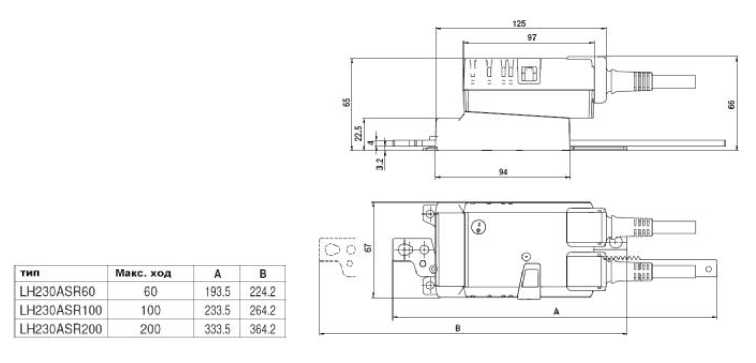
| Размеры | См. на след. стр. |
| Вес | 540 гр.. |
Принцип действия
Электропривод воздушной заслонки Belimo LH230ASR200 управляется стандартным управляющим сигналом 0…10 В =. Он открывается до положения, продиктованного сигналом. Измеряемое напряжение U позволяет отображать действительное положение электропривода электрическим способом, а также управлять другими электроприводами.
Ручное управление
Возможно ручное управление при помощи кнопки с самовозвратом (при нажатой кнопке Электропривод воздушной заслонки Белимо LH230ASR200 редуктор выводится из зацепления)
Высокая функциональная надежность
Привод воздушной заслонки Белимо LH230ASR200 защищен от перегрузки, не требует конечных выключателей и останавливается автоматически при достижении конечных положений.
Применение без боковой нагрузки
Линейный привод Belimo LH230ASR200 привод Белимо крепится винтами в 3-х точках непосредственно к корпусу заслонки. Верхняя часть штока крепится к движущейся части клапана (заслонки скольжения)
Купить привод БЕЛИМО LH230ASR200 а также запросить его цену и стоимость вы можете позвонив по телефону: 8 (499) 201-22-47
Скидки и оптовые цены на электропривод БЕЛИМО LH230ASR200 мы обсуждаем индивидуально.
На привод воздушной заслонки BELIMO LH230ASR200 распространяется 5 лет гарантии с момента продажи, а также сертификат соответствия и паспорт изделия.
| Механические приспособления | |
|---|---|
| Вращающаяся основа для компенсации бокового напряжения | Z-DS1 |
| Стыковочный крепеж | Z-KS2 |
| Механический упор / ограничитель | Z-AS2 |
| Электрические аксессуары | |
| Позиционеры | SGA24, SGF24, SGE24 |
| Цифровой индикатор положения | ZAD24 |
Применение без боковой нагрузки
Линейный электропривод крепится винтами в 3-х точках непосредственно к корпусу заслонки. Верхняя часть штока крепится к движущейся части клапана (заслонки скольжения)
Применение с боковой нагрузкой
Стыковочный крепеж с внутренней резьбой (Z-KS2) крепится непосредственно к верхней части штока электропривода. Вращающаяся основа (Z-DS1) устанавливается на клапан.
Далее линейный электропривод крепится скрытым винтом к предварительно установленной вращающейся основе. Далее стыковочный крепеж, предварительно закрепленный на верхней части штока электропривода, крепится к движущейся части клапана (заслонки скольжения).
Возникающее поперечное усилие может быть скомпенсировано до определенных границ с помощью вращающейся основы и стыковочного крепежа. Максимально возможный угол отклонения привода от основы составляет 10 º , в бок и вверх.
Скачать PDF (154 Кбайт)
Сертификат BELIMO (775 Кбайт)