
Электроприводы Belimo | Приводы Belimo | Сервоприводы Belimo
127106, Россия, г.Москва, Нововладыкинский пр., д.8, стр.4, офис 100.
Тел.: 8 (800) 201-64-80 Еmail: belimo@rusmark.ru
Электропривод Belimo GK24A-1 применяется в сфере обработки воздуха в лабораториях, жилых и нежилых помещениях, осуществляя управление охранными воздушными заслонками, выполняющими также и другие дополнительные функции. Привод оснащен конденсатором со сроком работы 15 лет.
| Электричество | |
|---|---|
| U номинал | 24 В (интервал для работы 19.2 – 28.8 В ~ / 21.6 - 28,8 В=) |
| Частота тока | 50/60 Гц |
| Параметры мощностей | 21 ВА – расчетное значение
11 Вт – работа 3 Вт - покой |
| Присоединение к питанию | Кабельное: длина - 100 см , 3 × 0.75 мм2 |
| Одновременное подключение 2-х приводов | Можно |
| Функциональность | |
| Вращающий / удерживающий момент | Min 40 Нм |
| Аварийное положение | Положение в случае аварии от 0 до 100% от max угла вращения |
| Замыкание при отключении тока | 2 с |
| Погрешность | +/- 5% |
| Направленность поворота двигателя/переходная точка на работу в аварийном положении | Реверсивное направление (переключатель для выбора) |
| Направление вращения | Есть. С помощью кнопки на корпусе |
| Управление вручную | Редуктор выводится из зацепления при помощи кнопки |
| Допустимый угол вращения | ≤95°, ограничивается упорами с обеих сторон привода |
| t срабатывания: двигатель (при угле 90°) переходная точка на работу в аварийном положении (при 0...+50°С) |
2,5 мин 35 с |
| Допустимый шум: двигатель переход в точку аварийного срабатывания |
Менее 53 дБ (при 1,5 мин) / менее 52 дБ (при 2,5 мин) |
| Безопасность | |
| Защита от тока / корпуса | III класс (низкие U) / IP54 |
| t внешней cреды | От –30°C до +50°C |
| t хранения | От -40°C до +80°C |
| Поддержка | Нет |
| Масса | 1.8 кг |
Рабочий принцип и управление
Перемещение электропривода Belimo GK24A-1 в необходимую точку происходит по однопроводной схеме с одновременной зарядкой конденсатора. Когда привод отключается от питания, за счет энергии, накопленной в конденсаторе, заслонка переходит в охранную позицию.
Предусмотрено управление вручную посредством нажатия на кнопку на корпусе привода Belimo GK24A-1, которая выводит зубчатый редуктор из зацепленного положения.
Продолжительность зарядки конденсатора
От производителя конденсатор поставляется разряженным, поэтому необходимо время для первичной зарядки. Уровня заряда должно хватить на то, чтобы при прекращении питания привод повернул заслонку в защитную позицию за счет энергии в конденсаторе. Продолжительность зарядки определяется исходя из периода, когда привод был в отключенном состоянии, но не менее 20 с. (см. рис. ниже)
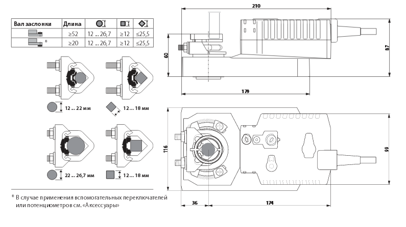
Монтаж
Для монтажа электропривода Belimo GK24A-1 используется специальный захват, привод монтируется прямо на вал заслонки. Для предупреждения поворота уже установленного привода предусмотрен фиксатор.
Согласно заводским настройкам, захват первоначально установлен на 0°, а при подключении к питанию привод переходит в установленную позицию.
Надежность функционирования
За счет опция автоматической остановки по достижению финальных позиций электропривод Belimo GK24A-1 надежно защищен от перегрузки.
Для уточнения стоимости и заказа электропривода Belimo GK24A-1 звоните по телефону 8 (499) 201-22-47.
Предоставление скидок и оптовых цен обсуждается индивидуально.
Гарантия на электропривод Belimo GK24A-1 – 5 лет. К изделию прилагаются паспорт и сертификат соответствия.


Скачать PDF (707 Кбайт)
Сертификат BELIMO (775 Кбайт)