
Электроприводы Belimo | Приводы Belimo | Сервоприводы Belimo
127106, Россия, г.Москва, Нововладыкинский пр., д.8, стр.4, офис 100.
Тел.: 8 (800) 201-64-80 Еmail: belimo@rusmark.ru
Электропривод BELIMO CM24K-T-R для модуля SKM230-T-B12 для управления воздушными заслонками в системах вентиляции и кондиционирования воздуха зданий.
| Электрические параметры | |
|---|---|
| Номинальное напряжение | 24 В= |
| Диапазон номинального напряжения | 19,2…28,8 В |
| Расчетная мощность | 1 ВА |
| Потребляемая мощность: во время вращения в состоянии покоя |
0,5 Вт 0,2 Вт |
| Соединение | Клеммы для многожильного Cu кабеля, 3 × 1,5 мм2 или одножильного Cu кабеля 3 × 0,75 мм2 |
| Соединение привод – модуль SKM230-T-B12 | Cu многожильный кабель: Ø мин. 0,5 мм2 макс. 1,5 мм2 Cu одножильный кабель: Ø мин. 0,5 мм2 макс. 0,75 мм2 Длина макс. 200 м |
| Функциональные данные | |
| Крутящий момент (номинальный) | Мин. 2 Нм при номинальном напряжении |
| Управление: | Через модуль SKM230-T-B12 |
| Направление вращения | См. Обзор типов |
| Ручное управление | Редуктор выводится из зацепления при помощи магнита |
| Угол поворота | Макс. 95° , может ограничиваться с двух сторон при помощи механических упоров |
| Время поворота: открытие закрытие |
‹75 с / 90° ‹15 с / 90° |
| Уровень шума | Макс. 35 дБ |
| Индикация положения | Механический указатель, съемный (со встроенным магнитом для ручного управления) |
| Продолжительность работы | Мин. 60 000 циклов 90° |
| Безопасность | |
| Класс защиты | III |
| Степень защиты корпуса | IP20 |
| Температура окружающей cреды | –30° ... +50 °C |
| Температура хранения | –40° ... +80 °C |
| Влажность окружающей среды | 95% отн., не конденсир. |
| Техническое обслуживание | Не требуется |
| Размеры / вес | |
| Размеры | См. на след. стр. |
| Вес | 165 г |
Привод и модуль SKM230-T-B12 Электропривод воздушной заслонки Belimo CM24K-T-R может быть установлен только с модулем SKM230-T-B12, который разработан специально для него.
Простая установка непосредственно на вал заслонки
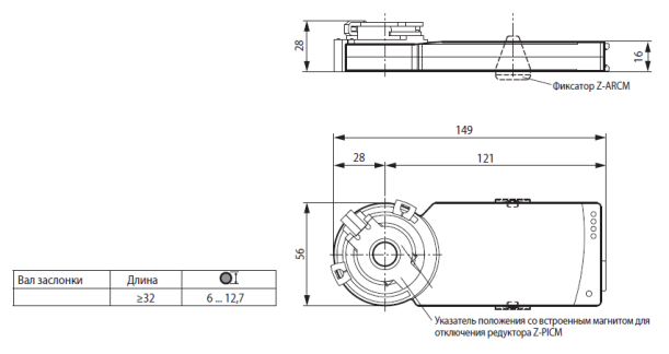
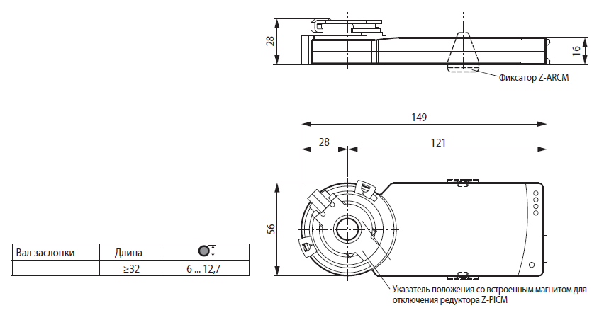
Привод воздушной заслонки Белимо CM24K-T-R устанавливается непосредственно на вал заслонки при помощи универсального захвата (Ø6…12,7 мм), может снабжается фиксатором Z-ARCM, предотвращающим вращение корпуса электропривода.
Ручное управление
Belimo CM24K-T-R поворотный привод Белимо, возможно ручное управление при помощи магнита (редуктор выводится из зацепления на все время, пока магнит расположен на части корпуса с обозначением, магнит встроен в указатель положения)
Настраиваемый угол поворота
Угол поворота настраивается при помощи механических упоров (макс. 95°)
Высокая функциональная надежность
Электропривод воздушной заслонки Белимо CM24K-T-R защищен от перегрузки, не требует конечных выключателей и останавливается автоматически при достижении конечных положений.
Купить привод БЕЛИМО CM24K-T-R а также запросить его цену и стоимость вы можете позвонив по телефону: 8 (499) 201-22-47
Скидки и оптовые цены на электропривод БЕЛИМО CM24K-T-R мы обсуждаем индивидуально.
На привод воздушной заслонки BELIMO CM24K-T-R распространяется 5 лет гарантии с момента продажи, а также сертификат соответствия и паспорт изделия.

Скачать PDF (277 Кбайт)
Сертификат BELIMO (775 Кбайт)