
Электроприводы Belimo | Приводы Belimo | Сервоприводы Belimo
127106, Россия, г.Москва, Нововладыкинский пр., д.8, стр.4, офис 100.
Тел.: 8 (800) 201-64-80 Еmail: belimo@rusmark.ru
Модель электрического привода BELIMO CM24K-T-L применяется в системах обработки воздуха в зданиях, управляя открытием и закрытием воздушных заслонок. Эксплуатация без модуля SKM230-T-B12 невозможна.
| Электрические параметры | |
|---|---|
| U номин. / Интервал U номин. | 24 V / 19.2 – 28.8 V |
| N расчет. | 1 VA |
| N потреб. | 0,5 W – в процессе работы 0,2 W – во время покоя |
| Способ присоединения |
Многожильный кабель Cu – 3 x 1.5 мм2 Одножильный кабель Cu – 3 x 0.75 мм2 |
| Способ присоединения модуля SKM230-T-B12 |
Многожильный кабель Cu – min 0.5 мм2 / max 1.5 мм2 Одножильный кабель Cu – min 0.5 мм2 / max 0.75 мм2 L max – 200 м |
| Функциональные параметры | |
| Вращающий момент (номин. значение) | 2 Нм (для U номин.) |
|
Принцип управления: Обычный режим Ручное управление |
Осуществляется через модуль SKM230-T-B12 С помощью магнита |
| Максимальный угол вращения | 95° (предусмотрены ограничительные упоры с обеих сторон) |
| Время поворота на 90° | Менее 75 с (открытие заслонки) Менее 15 с (закрытие заслонки) |
| Допустимый шум при работе | Не более 35 децибел |
| Контроль положения | С помощью механич. указателя (съемный)) |
| Время службы | Не менее 60 тыс. циклов (90°) |
| Параметры по безопасности | |
| Защита от поражения электрическим током | III класс (низкие напряжения) |
| Уровень защиты корпуса | IP20 |
| t внешней среды | От –30°C до 50°C |
| t хранения | От –40° до +80°C |
| Влажность воздуха | Относит., не более 95%, конденсат не образуется |
| Тех. поддержка | Отсутствует |
| Масса устройства | 165 г |
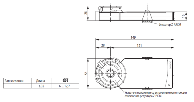
Установка привода на заслонку
Для установки электропривода BELIMO CM24K-T-L на воздушную заслонку предусмотрен универсальный захват – 0.6 – 1.27 см. Специально разработанный фиксатор Z-ARCM устанавливается на привод и позволяет избежать произвольного вращения корпуса во время работы.
Для настройки и ограничения угла вращения привода BELIMO CM24K-T-L с обеих сторон расположены механические упоры. Максимально допустимый угол поворота – 95°.
Управление
Управление электроприводом BELIMO CM24K-T-L происходит через модуль SKM230-T-B12. Установка и эксплуатация без модуля невозможна.
Предусмотрен также ручной режим управления, осуществляется с помощью магнита (расположен вместе с указателем положения). При нахождении магнита в специальной зоне на корпусе редуктор выведен из зацепления.
Защита от перегрузок
Высокая надежность функционирования устройства BELIMO CM24K-T-L обеспечена за счет функции автоматической остановки при прохождении финальных позиций.
Чтобы узнать стоимость изделия BELIMO CM24K-T-L и оформить заказ, звоните по телефону 8 (499) 201-22-47.
Предоставление скидок и оптовых цен возможно после индивидуального обсуждения.
На электропривод BELIMO CM24K-T-L с модулем SKM230-T-B12 действует гарантия 5 лет. К устройству прилагаются паспорт и сертификат соответствия.

Скачать PDF (277 Кбайт)
Сертификат BELIMO (775 Кбайт)