
Электроприводы Belimo | Приводы Belimo | Сервоприводы Belimo
127106, Россия, г.Москва, Нововладыкинский пр., д.8, стр.4, офис 100.
Тел.: 8 (800) 201-64-80 Еmail: belimo@rusmark.ru
Электрический привод модели BELIMO ТF24-S разработан с целью управления защитными воздушными заслонками в сфере обработки воздуха в зданиях. Со вспомогательным переключателем.
| Электричество | |
|---|---|
| Uномин./диапазон Uномин. |
24 V 19,2 - 28,8 V~21,6…26,4 V= |
| Частота переменного тока | 50/60 Hz |
| N |
Расчетная - 5 VA При работе – 2,5 W В покое – 1,5 W |
| Кабельное присоединение | Электропитание: длина кабеля - 1 м, 2 x 0,75 мм2 Вспомог. переключатель: длина кабеля 1 м, 3 x 0,75 мм2 |
| Функциональность | |
| Вращающий момент (двигатель и пружина) | Min 2,5 Нм (при Uномин.) |
| Выбор направленности вращения | Установка L/R |
| Угол поворота |
Макс. угол - 95° Диапазон работы 37 … 100%, ограничен механическими упорами |
| t срабатывания (угол 90°) |
Менее 75 с (двигатель) Менее 25 с (пружина) |
| Допустимый шумовой уровень |
Двигатель: не более 50 dB Пружина: около 62 dB |
| Контроль позиции привода | При помощи съемного указателя |
| Надежность и безопасность | |
| Защита от поражения током | Класс III, IP42, независимо от положения привода |
| t окруж. среды | От –30°C до +50°C |
| t хранения | От –40°C до +80°C |
| Влажность воздуха | Не более 95% относительная, конденсации нет |
| Поддержка | Не предусмотрена |
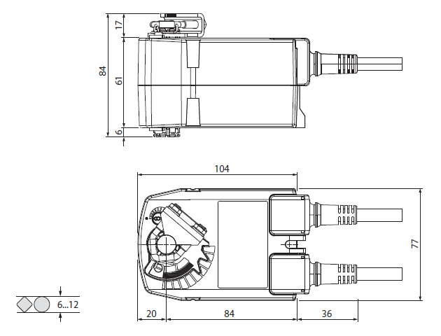
| Габариты | |
| Вес | 0,6 кг |
Механизм работы
Электропривод BELIMO ТF24-S осуществляет регулирование работы защитных воздушных заслонок по схеме «Открыто/Закрыто». Когда привод приводится в действие, взводится возвратная пружина. После того как поступление электрического питания прекращено, пружина, возвращаясь в исходное положение, закрывает заслонку.
Установка привода на заслонку
Электропривод BELIMO типа ТF24-S монтируется на заслонку посредством специального захвата. Для того, чтобы предотвратить вращение привода предусмотрен специальный фиксатор.
Надежность
Защита от перегрузок электрического привода BELIMO ТF24-S происходит за счет автоматической остановки привода в момент достижения финальных положений.
Встроенный переключатель в приводе Belimo ТF24-S отвечает за гибкую систему сигнализации положения (0…100%).
Для уточнения стоимости изделия Belimo ТF24-S и оформления заказа звоните по телефону 8 (499) 201-22-47.
Скидки о специальные цены на оптовые партии электропривода Belimo ТF24-S предоставляются после индивидуального согласования.
Гарантия на изделие Belimo ТF24-S - 5 лет со дня приобретения. Также прилагаются паспорт и сертификат соответствия.

Скачать PDF (162 Кбайт)
Сертификат BELIMO (775 Кбайт)