
Электроприводы Belimo | Приводы Belimo | Сервоприводы Belimo
127106, Россия, г.Москва, Нововладыкинский пр., д.8, стр.4, офис 100.
Тел.: 8 (800) 201-64-80 Еmail: belimo@rusmark.ru
Электропривод для управления воздушными заслонками, выполняющими охранные функции в системах вентиляции и кондиционирования воздуха зданий (например защита от замораживания).
Электропривод BELIMO ТF24 предназначен для управления воздушными заслонками, выполняющими охранные функции в системах вентиляции и кондиционирования воздуха зданий (например защита от замораживания).
| Электрические параметры | |
|---|---|
| Номинальное напряжение | 24 В~, 50/60 Гц; 24 В = |
| Диапазон номинального напряжения | 19,2…28,8 В~ 21,6…26,4 В= |
| Расчетная мощность | 5 ВА |
| Потребляемая мощность: во время вращения в состоянии покоя |
2,5 Вт 1,5 Вт |
| Соединение: питание вспомогательный переключатель |
Кабель 1 м, 2 x 0,75 мм2 1 м, 3 x 0,75 мм2 (для TF24-S) |
| Функциональные данные | |
| Крутящий момент: двигатель пружина |
Мин. 2,5 Нм при номинальном напряжении Мин. 2,5 Нм |
| Направление вращения | Выбирается установкой L/R |
| Угол поворота | Макс. 95°, (ограничение 37 ...100% при помощи настраиваемых механических упоров) |
| Время поворота: двигатель пружина |
‹75 с / 90° ‹25 с / 90° |
| Уровень шума: двигатель пружина |
Макс. 50 дБ ≈ 62 дБ |
| Индикация положения | Механический указатель, съемный |
| Безопасность | |
| Класс защиты | III (для низких напряжений) |
| Степень защиты корпуса | IP42 в любом положении установки |
| Температура окружающей cреды | –30° ... +50 °C |
| Температура хранения | –40° ... +80 °C |
| Влажность окружающей среды | 95% отн., не конденсир. |
| Техническое обслуживание | Не требуется |
| Размеры / вес | |
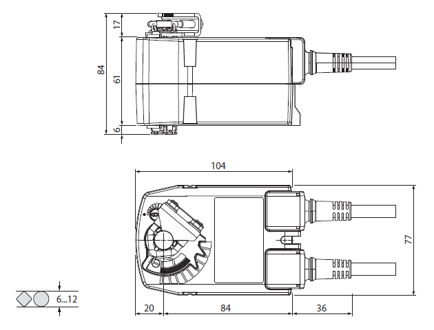
| Размеры | См. на след. стр. |
| Вес | ≈ 600 г |
Принцип действия
При перемещении привода воздушной заслонки Белимо ТF24 в нормальное рабочее положение взводится возвратная пружина. При прекращении подачи питания Энергия, запасенная в пружине, возвращает заслонку в охранное положение.
Простая установка
Электропривод воздушной заслонки Belimo ТF24 устанавливается непосредственно на вал заслонки при помощи универсального захвата, снабжается фиксатором, предотвращающим вращение корпуса электропривода.
Высокая функциональная надежность
Электропривод воздушной заслонки Белимо ТF24 защищен от перегрузки, не требует конечных выключателей и останавливается автоматически при достижении конечных положений.
Гибкая система сигнализации
Belimo ТF24 поворотный привод Белимо. Гибкая система сигнализации с настраиваемым вспомогательным переключателем 0…100% (только для TF24-S).
Купить привод БЕЛИМО ТF24 а также запросить его цену и стоимость вы можете позвонив по телефону: 8 (499) 201-22-47
Скидки и оптовые цены на электропривод БЕЛИМО ТF24 мы обсуждаем индивидуально.
На привод воздушной заслонки BELIMO ТF24 распространяется 5 лет гарантии с момента продажи, а также сертификат соответствия и паспорт изделия.

Скачать PDF (162 Кбайт)
Сертификат BELIMO (775 Кбайт)