
Электроприводы Belimo | Приводы Belimo | Сервоприводы Belimo
127106, Россия, г.Москва, Нововладыкинский пр., д.8, стр.4, офис 100.
Тел.: 8 (800) 201-64-80 Еmail: belimo@rusmark.ru
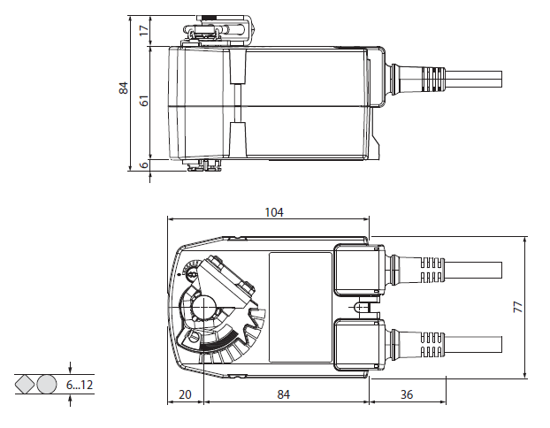
Электрический привод Belimo ТF230-S регулирует работу воздушных заслонок в системах вентилирования и кондиционирования воздуха в помещениях. Для заслонок, площадь поверхности которых не превышает 0,5 кв.м. С дополнительным переключателем и возвратной пружиной.
| Электричество | |
|---|---|
| Номинальное U / частота переменного тока | 230 V, 50/60 Hz |
| Интервал номинального U | От 85 до 265 V |
| Мощности (N) | 5 ВА – расчетный показатель
2,5 Вт – рабочее состояние 1,5 Вт – нерабочее состояние |
| Способ присоединения: |
К электропитанию: кабель 1 м, 2 х 0,75 мм2 Вспомог. переключатель: кабель 1 м, 3 х 0,75 мм2 |
| Функциональность | |
| Вращающий момент | 2,5 Нм – двигатель и пружина |
| Поворот | Направление настраивается L/R установкой |
| Угол вращения (максимальный) | Угол ≤ 95° |
| Время срабатывания при угле 90° | Двигатель: не более 75 сек Пружина: не более 25 сек |
| Допустимый уровень шума | Двигатель: не более 50 дБ Пружина: не более 62 дБ |
| Индикатор позиции | С помощью указателя (механического) |
| Безопасность | |
| Защита от тока | II класс (100% изоляция) |
| Защита корпуса | солгласно IP42 |
| Температурный режим внешней среды | От –30°C до +50°C |
| Температурный режим хранения | От –40°C до +80°C |
| Относительная влажность воздуха | 95%, конденсат не образуется |
| Технич. поддержка | Отсутствует |
| Вес устройства | 0,65 кг |
Принцип работы
Электропривод Belimo ТF230-S управляет заслонками, открывая либо закрывая их. Одновременно с началом работы привода взводится самовозвратная пружина. Когда питание будет отключено, например в случае аварии, пружина вернет заслонку обратно в защитное положение.
Процесс установки
Установка электропривода Belimo ТF230-S производится специальным захватом прямо на вал заслонки. Чтобы избежать произвольного вращения привода, в комплектацию входит фиксатор, надежно закрепляющий привод.
Защита от перегрузок
Надежность работы привода Belimo ТF230-S обеспечивается автоматической остановкой после прохождения финальных позиций. Благодаря этому привод защищен от перегрузок даже без использования концевых выключателей.
С помощью дополнительного переключателя возможно настроить сигнализацию угла от 0 до 100%.
Вы можете узнать стоимость и купить электропривод Belimo ТF230-S , позвонив по телефону 8 (499) 201-22-47.
Возможно предоставление скидок и персональных цен при оптовых заказах. Обсуждается индивидуально.
На электропривод Belimo ТF230-S действует гарантийный срок – 5 лет. К изделию прилагаются паспорт и сертификат соответствия.

Скачать PDF (178 Кбайт)
Сертификат BELIMO (775 Кбайт)