
Электроприводы Belimo | Приводы Belimo | Сервоприводы Belimo
127106, Россия, г.Москва, Нововладыкинский пр., д.8, стр.4, офис 100.
Тел.: 8 (800) 201-64-80 Еmail: belimo@rusmark.ru
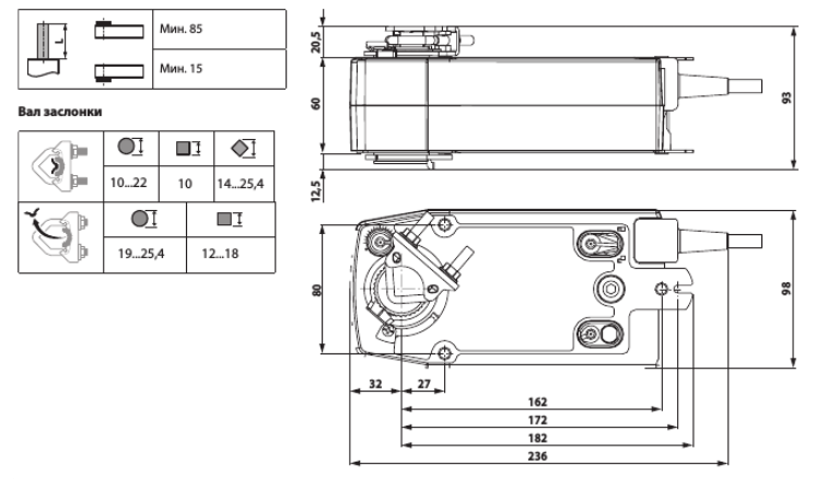
Электрический привод Belimo SFA применяется для регулирования открытия/закрытия заслонок в системах обработки воздуха в зданиях. Площадь заслонок не более 4 кв.м. Встроенная пружина с опцией возврата.
| Данные по электричеству | |
|---|---|
| Номинальное U | 24 - 240 В AC / 24 – 125 В DC |
| Частота тока | 50/60 Гц |
| Интервал номинального U | 19,2 - 264 В AC / 21,6 – 137,5 В DC |
| Мощность при калибровке | 18 ВА (расчетное значение) |
| Мощности потребляемые |
7 Вт – при работе 3,5 Вт – вне работы |
| Подключение источника питания |
Кабельное, кабель 100 см, 2 х 0,75 мм2 |
| Функциональные данные | |
| Вращательный момент двигателя/пружины | Минимально 20 Нм (при U номин) |
| Поворота привода | Направление поворота настраивается L/R (влево/вправо) переключателем |
| Режим управления вручную | Предусмотрен. Активируется с помощью ручного ключа, может фиксироваться |
| Допустимый поворот привода | Угол не более 95°. Настраивается и ограничивается механич. упором с любой стороны |
| Продолжительность работы | Двигатель: 75 сек, угол 90° Пружина: 20 – 60 сек в зависимости от температуры (-30°C … +50°C) |
| Максимальный шум при работе | Не более 45 дБ |
| Индикатор позиций | Механический |
| Данные по безопасности эксплуатации | |
| Класс защиты от тока | 2-й класс - полная изоляция |
| Защита корпуса | По протоколу IP54 |
| t среды во время эксплуатации | От –30°C до +50°C |
| t при хранении привода | От –40°C до +80°C |
| Поддержка сервисной службы | Нет |
| Масса привода | 2,3 кг |
Принцип действия
Электропривод Belimo SFA оснащен блоком питания универсального типа, что позволяет работать в разных интервалах постоянного и переменного тока (24 – 240 В АС / 24 – 125 В DC). В одно время с подачей напряжения на электропривод и началом эксплуатации происходит взвод встроенной пружины с опцией возврата. При экстренном прекращении подачи электропитания на привод пружина возвратит заслонку в ее базовую защитную позицию.
Способ монтажа на заслонку
Электропривод Belimo SFA оснащен универсальным захватом, с помощью которого монтируется на заслонку, что значительно упрощает процесс установки. Во избежание произвольного поворота электропривода в процессе эксплуатации предусмотрен фиксатор, поставляемый в комплекте.
Режим управления вручную
Для управления приводом Belimo SFA вручную в комплекте поставляется поворотный ключ. С его помощью электропривод может быть зафиксирован в любой позиции. Как только возобновляется подача напряжения блокировка будет снята (либо ее возможно снять вручную).
Защита от перенапряжения
В электроприводе Belimo SFA реализована опция автоматического отключения после прохождения заданных финальных позиций. Это позволяет обеспечить высокую степень надежности и защиты привода от перенапряжения в процессе эксплуатации.
Узнать стоимость и заказать электропривод Belimo SFA Вы можете, позвонив по телефону 8 (499) 201-22-47.
Скидки и оптовые цены на электропривод Belimo SFA обсуждаются индивидуально.
Гарантия на электропривод Belimo SFA – 5 лет с момента покупки. К устройству прилагаются паспорт и сертификат соответствия.

Скачать PDF ( Кбайт)
Сертификат BELIMO (775 Кбайт)