
Электроприводы Belimo | Приводы Belimo | Сервоприводы Belimo
127106, Россия, г.Москва, Нововладыкинский пр., д.8, стр.4, офис 100.
Тел.: 8 (800) 201-64-80 Еmail: belimo@rusmark.ru
Электронный привод позволяет регулировать позицию заслонки в вентиляционной системе. Максимальная площадь поверхность площади заслонки может достигать 4,0 м2.
Электронный привод BELIMO SF24A-SR позволяет регулировать позицию заслонки в вентиляционной системе.
| Описание | |
|---|---|
| Номин. U | 24 В ~ 50/60 Гц; 24 В= |
| Диапазон номин. U | мин. 19,2 макс. 28,8 В ~ или мин. 21,6 макс. 28,8 В= |
| Расчётная мощность | 7 ВА |
| Потребление мощности Работа Нерабочее состояние |
5 Вт 3 Вт |
| Соединение | Посредством кабеля 100 см, 4*0.75 мм2 |
| Функционал | |
| Вращательный момент мотор пружины |
Мин. 20 Нм Мин. 20 Нм |
| Вращение мотор пружина |
L / R |
| Регулирование вручную | Ключ с функцией фиксации |
| Угол | Максимальный 95°, можно ограничить упорами |
| Продолжительность вращения мотор пружина |
макс. 150 с (0…10 Нм) макс. 20 с при Т: мин. –20 макс. +50°С или максимально 60 с при Т –30 °С |
| Шум мотор пружина |
макс. 40 дБ макс. 62 дБ |
| Индикатор | Механический |
| Защита | |
| Защита | 3 |
| Степень | согласно IP54 |
| Т работы | мин. –30° макс. +50 °C |
| Т покоя | мин. –40° макс. +80 °C |
| Ремонт | Не предусмотрен |
| Размер | |
| Размер | Смотрите на другой стр. |
| Вес | 2100 г |
Работа
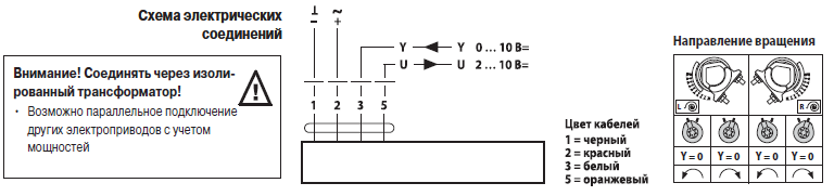
После включения привода Белимо SF24A-SR и переходе устройства в рабочее положение происходит взвод пружины с возвратной функцией. После отключения электричества электричества пружина возвращает привод в стартовую позицию. Регулирование положение происходит согласно сигналу от 0 до 10 V=.
Монтаж
Монтаж привода происходит на заслонку посредством захватов. При необходимости можно ограничить поворот фиксаторами.
Защита
Привод останавливается автоматически при достижении установленных позиций. Это позволяет избежать перегрузок и отказаться от использования концевых выключателей.
Регулирование
Приводом можно управлять вручную посредством ключа. Ключ фиксирует привод в необходимой позиции. Снять фиксацию можно вручную или подачей питания.
Настройка угла
Угол вращения регулируется посредством упоров.
Заказать электропривод SF24A-SR belimo и узнать стоимость устройства можно по телефону: 8 (499) 201-22-47
Цена на БЕЛИМО SF24A-SR обсуждается персонально с каждым заказчиком с учетом скидки.
Гарантийный период: 5 лет со дня покупки.
К приводу прилагается: паспорт привода, belimo sf24a sr инструкция, сертификат соответствия.

Скачать PDF (787 Кбайт)
Сертификат BELIMO (775 Кбайт)