
Электроприводы Belimo | Приводы Belimo | Сервоприводы Belimo
127106, Россия, г.Москва, Нововладыкинский пр., д.8, стр.4, офис 100.
Тел.: 8 (800) 201-64-80 Еmail: belimo@rusmark.ru
Электропривод предназначен для регулирования позиции заслонки в вентиляционной системе зданий.
Электропривод BELIMO SF24A предназначен для регулирования позиции заслонки в вентиляционной системе зданий.
| Характеристика | |
|---|---|
| Номин. ,U | 24 В ~ 50/60 Гц; 24 V= |
| Диапазон номин. U | мин. 19,2 макс. 28,8 V ~ / мин. 21,6 макс.28,8 V= |
| Расч. мощность | 7,5 ВА |
| Потребление мощности Работа Нерабочее состояние |
5 W 2,5 W |
| Электропитание | Кабельное: 100 см, 2*0,75 mm2 |
| Функционал | |
| Вращательный момент: мотор пружина |
от 20 Nm от 20 Nm |
| Вращение | Настраивается L или R |
| Регулирование вручную | Ключ с возможностью блокировки |
| Угол вращения | до 95°, ограничивается упорами |
| Продолжительность вращения мотор пружина |
меньше 75 секунд меньше 20 секунд при Т мин. –20 макс.+50°С или максимум 60 секунд при Т –30 °С |
| Шум: мотор пружина |
меньше 45 дБ меньше 62 дБ |
| Индикатор | Механический |
| Защита | |
| Класс | 3 |
| Степень | IP54 |
| Т cреды, эксплуатация | мин. –30° макс. +50 °C |
| Т хранения | мин. –40° макс. +80 °C |
| Обслуживание | Не предусмотрено |
| Размер | |
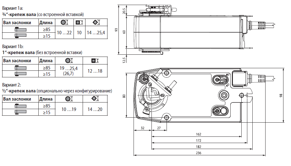
| Размер | См. на следующей странице |
| Масса | 2,1 кг |
Работа
После включения привода Белимо SF24A взводится пружина с возвратной функцией. После отключения питания пружина возвращает привод в исходную позицию.
Монтаж
Привод монтируется на заслонку посредством захвата. Это позволяет устанавливать привод самостоятельно, без использования специальных инструментов. При необходимости вращение привода можно ограничить фиксаторами.
Защита
При достижении установленных позиций привод останавливается автоматически. Это позволяет избежать перегрузок и отказаться от использования концевых выключателей.
Управление вручную
Приводом Belimo SF24A можно управлять вручную посредством ключа. Возможна фиксация привода в определенной позиции. Привод можно снять с фиксации подачей электричества или вручную.
Угол вращения
Угол вращения привода можно регулировать при помощи упоров.
Купить привод БЕЛИМО SF24A а также запросить его цену и стоимость вы можете позвонив по телефону: 8 (499) 201-22-47
Скидки и оптовые цены на электропривод БЕЛИМО SF24A мы обсуждаем индивидуально.
На привод воздушной заслонки BELIMO SF24A распространяется 5 лет гарантии с момента продажи, а также сертификат соответствия и паспорт изделия.

Скачать PDF (735 Кбайт)
Сертификат BELIMO (775 Кбайт)