
Электроприводы Belimo | Приводы Belimo | Сервоприводы Belimo
127106, Россия, г.Москва, Нововладыкинский пр., д.8, стр.4, офис 100.
Тел.: 8 (800) 201-64-80 Еmail: belimo@rusmark.ru
Электронный предназначен для регулирования позиций заслонки в вентиляционных системах зданий.
Электронный привод Belimo SF230A-S2 предназначен для регулирования позиций заслонки в вентиляционных системах зданий.
| Описание | |
|---|---|
| U номин. | 230 В ~ 50/60 Гц |
| Диапазон U (номин.) | мин. 195 макс. 264 В ~ |
| N (расчетная) | 18 ВА |
| Потребление мощности: Работа Нерабочее состояние |
6,5 Вт 3,5 Вт |
| Доп. переключатели | 2, Однополюсные, с регулированием от 1 мА до 3 (0.5)А 250 В~, 1 фиксированный, 1 с возможность регулировки 10- 90% |
| Подключение Сеть Доп. переключатель |
100 см, 2*0.75 мм2 100 см , 6*0.75 мм2 |
| Функционал | |
| Вращательный момент: мотор пружины |
Мин 20 Nm |
| Направление поворота | регулируется L / R |
| Управление вручную | Ключ с возможностью ручной блокировки |
| Вращение | максимум на 95°, возможно ограничение упорами |
| Время вращения: мотор пружина |
до 75 с, 0-20 Нм до 20 с при Т мин.–20 макс. +50°С или макс. 60 секунд при Т –30 °С |
| Шум: двигателя пружины |
до 45 дБ до 62 дБ |
| Индикатор | Механический |
| Защита | |
| Класс | 2 класс, полная изоляция |
| Протокол | IP54 |
| Т эксплуатации | мин. –30° макс. +50 °C |
| Т хранения | мин. –40° макс. +80 °C |
| Ремонт | Не предусмотрен |
| Размеры | |
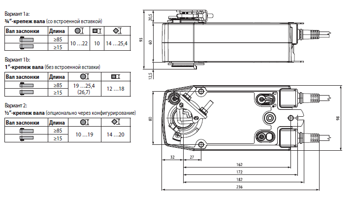
| Размерные параметры | См на пред. стр. |
| Вес | 2300 гр |
Работа
После приведения привода в рабочее состояние происходит взвод пружины. При прекращении подачи питания пружина возвращает привод Белимо SF230A-S2 в позицию "закрыто".
Монтаж
Электропривод Belimo SF230A-S2 устанавливается на заслонку посредством захвата. При необходимости можно ограничить вращение фиксатором.
Защита
Электронный привод Белимо SF230A-S2 останавливается автоматически при достижении установленных позиций., что позволяет избежать перегрузок и отказаться от использования концевых выключателей.
Регулирование вручную
Привод можно управлять вручную посредством ключа. Ключ фиксирует положение привода в любой момент времени. Снять фиксацию можно подачей питания.
Угол вращения
Угол поворота можно ограничить посредством упоров.
Сигнализация
Привод оборудован сигнализационной системой, настраиваемой в диапазоне от 10 до 90%.
Купить БЕЛИМО SF230A-S2 , узнать на belimo sf230a-s2 цену можно по телефону: 8 (499) 201-22-47
На электропривод sf230a-s2 belimo цена обсуждается индивидуально с каждый покупателем с учетом скидки.
Гарантийный период на BELIMO SF230A-S2 составляет 5 лет с момента приобретения. Мы предоставляем паспорт устройства и сертификат соответствия.


Скачать PDF (765 Кбайт)
Сертификат BELIMO (775 Кбайт)