
Электроприводы Belimo | Приводы Belimo | Сервоприводы Belimo
127106, Россия, г.Москва, Нововладыкинский пр., д.8, стр.4, офис 100.
Тел.: 8 (800) 201-64-80 Еmail: belimo@rusmark.ru
Привод предназначен для регулирования позиции заслонки системах вентиляции сооружений.
Привод BELIMO SF230A предназначен для регулирования позиции заслонки системах вентиляции сооружений.
| Характеристика | |
|---|---|
| Номинал. U | 230 В ~ 50 или 60 Гц |
| Диапазон U номинал. | мин. 195 макс. 264 В ~ |
| Расчет. мощность | 18 ВА |
| Мощность, расход: Работа Нерабочее состояние |
6.5 Вт 3.5 Вт |
| Соединение Сетевое |
Кабельное: 100 см, 2*0.75 мм2 |
| Функционал | |
| Вращательный момент Мотор Пружина |
Мин. 20 Нм Мин. 20 Нм |
| Поворот | регулируется L / R |
| Регулирование вручную | Ключ с возможностью блокировки |
| Настройка угла | до 95°, ограничивается упорами |
| Продолжительность вращения Мотор Пружина |
до 75 с до 20 с при Т мин. –20 макс. +50°С / максимум 60 с при Т –30 °С |
| Шум: Мотор пружина |
макс. 62 дБ |
| Индикатор | Механический |
| Защита | |
| Класс | II класс, 100% изоляция |
| Протокол | IP54 |
| Т эксплуатации | мин. –30° макс. +50 °C |
| Т хранения | мин. –40° макс. +80 °C |
| Ремонт | Не предусмотрено |
| Размер | |
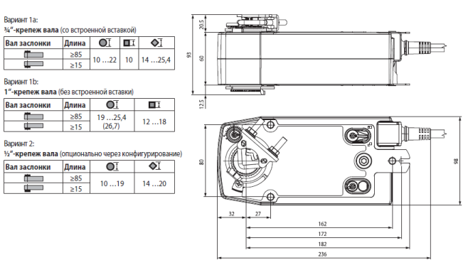
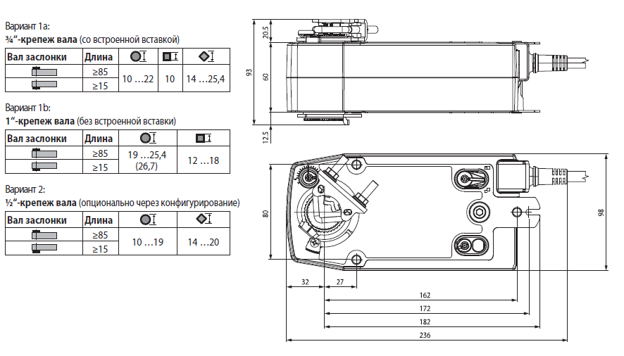
| Размер | Указано на др. стр. |
| Вес | 2100 г |
Описание
Привод Белимо SF230A подчиняется сигналу в диапазоне от 0 до 10 В. Поссле включения устройства взводится пружина, которая возвращает привод в стартовоую позицию в случае отключения питания.
Монтаж
Привод устанавливается на заслонку посредством захвата. При необходимости вращение привода можно ограничить фиксаторами.
Безопасность
Привод автоматически останавливаются при достижении установленных позиций. Это позволяет избежать перегрузки и отказаться от использования концевых выключателей.
Регулирование вручную
Регулирования позиции привода вручную осуществляется посредством ключа. Ключ позволяет блокировать привод в необходимом положении. Блокировка снимается вручную или подачей электричества.
Настройка угла
Угол поворота можно ограничить упорами.
Заказать БЕЛИМО SF230A, а также запросить на sf230a belimo цену вы можете по телефону: 8 (499) 201-22-47
При оптовых покупках электропривода belimo sf230a цена устанавливается индивидуально с учетом скидки.
Гарантийный срок на привод BELIMO SF230A составляет 5 лет со дня продажи. БЕЛИМО SF230A купить вы можете в ООО "Марк", наша компания предоставляет паспорт устройства и сертификат соответствия.

Скачать PDF ( 736 Кбайт)
Сертификат BELIMO (775 Кбайт)