
Электроприводы Belimo | Приводы Belimo | Сервоприводы Belimo
127106, Россия, г.Москва, Нововладыкинский пр., д.8, стр.4, офис 100.
Тел.: 8 (800) 201-64-80 Еmail: belimo@rusmark.ru
Электропривод Belimo NF24A-SR применяются в системах обработки воздуха в помещениях, осуществляя управление охранными заслонками площадью не более 2 кв.м.
| Данные по электричеству | |
|---|---|
| Напряжение номинал (U) | 24 В (диапазон U: 19,2 – 28,8 В ~ / 21,6 – 28,8 В =) |
| Частота тока | 50/60 Гц |
| Мощности (N) |
5,5 ВА – расчетное значение 3,5 Вт – при работе 2,5 Вт – в нерабочем состоянии |
| Присоединение к питанию | Кабельное Длина кабеля – 100 см, 4 x 0,75 мм2 |
| Данные по функциональности | |
| Вращающий момент двигателя и пружины (минимум) | 10 Нм (для U = 24 В) |
| Управление приводом |
Управляющий сигнал: интервал 0 - 10 В, при вход. R = 100 кОм Диапазон работы: интервал 2 - 10 В Обратная связь: интервал 2 – 10 В (max 0,5 А) |
| Погрешность хода | +/- 5% |
| Поворот (направление) |
Поворот двигателя изменяется переключателем Поворот пружины изменяется установкой L/R |
| Режим ручного управления | Есть. Ручной ключ с опцией блокирования |
| Допустимый угол вращения | Угол ≤ 95°, ограничивается упорами с обеих сторон |
| Время срабатывания |
Двигатель: не более 2,5 мин Пружина: не более 20 сек, при t от -20 до + 50°С / не более 1 мин при t –30°С |
| Срок использования | Не менее 60 тыс. охранных позиций |
| Допустимый шум при работе | Двигатель: не более 40 дБ Пружина: не более 62 дБ |
| Контроль положения привода | Указатель механический |
| Данные по безопасности | |
| Защита от поражения током | Класс III – только низкие значения U |
| Защита корпуса | IP54 |
| Режим t внешней среды | От –30° до +50 °C |
| Режим t в состоянии покоя | От –40° до +80 °C |
| Поддержка тех. службы | Не нужна |
| Масса устройства | 1,8 кг |
Механизм работы и управление
Электропривод Belimo NF24A-SR управляет воздушными заслонками, перемещая их в необходимое положение за счет управляющих сигналов стандартного типа, интервал 0 – 10 В. Одновременно происходит взвод пружины с функцией возврата, которая при остановки электропитания вернет заслонку в охранную позицию.
Предусмотрен ручной режим управления приводом Belimo NF24A-SR посредством ручного ключа с возможностью блокировки привода в любой позиции вращения. При возобновлении работы привода от питания блокировка снимается, также можно снять ее вручную.
Процесс установки
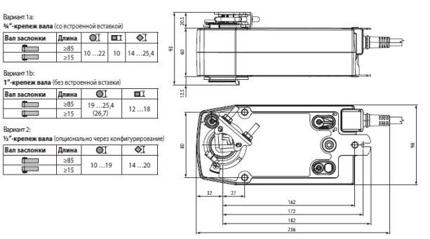
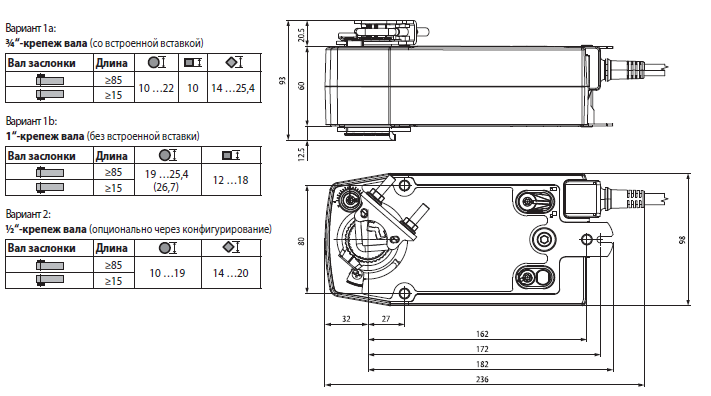
Монтаж привода Belimo NF24A-SR на заслонку (вал) осуществляется с помощью специального захвата. Чтобы избежать поворота электропривода на заслонке, он крепится фиксатором.
Защита от перегрузок
Надежность функционирования в приводе Belimo NF24A-SR обеспечивается за счет автоматической остановки после прохождения финальных точек, без концевых выключателей.
Для заказа электропривода Belimo NF24A-SR и уточнения стоимости звоните по телефону 8 (499) 201-22-47.
Скидки и оптовые цены предоставляются в индивидуальном порядке.
На электропривод Belimo NF24A-SR предоставляется гарантия в течение 5 лет со дня покупки. К изделию также прилагаются паспорт и сертификат соответствия.
Скачать PDF (798 Кбайт)
Сертификат BELIMO (775 Кбайт)